To the top of the document
Orlando
   
GMDE Start Page Load static TOC Load dynamic TOC Help?

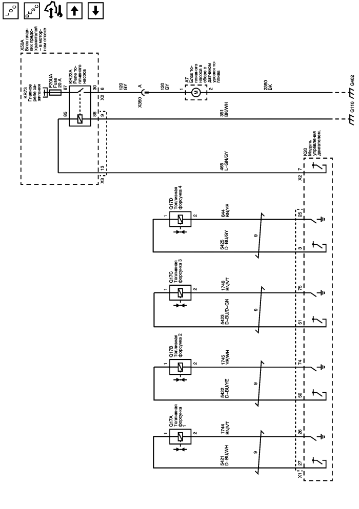
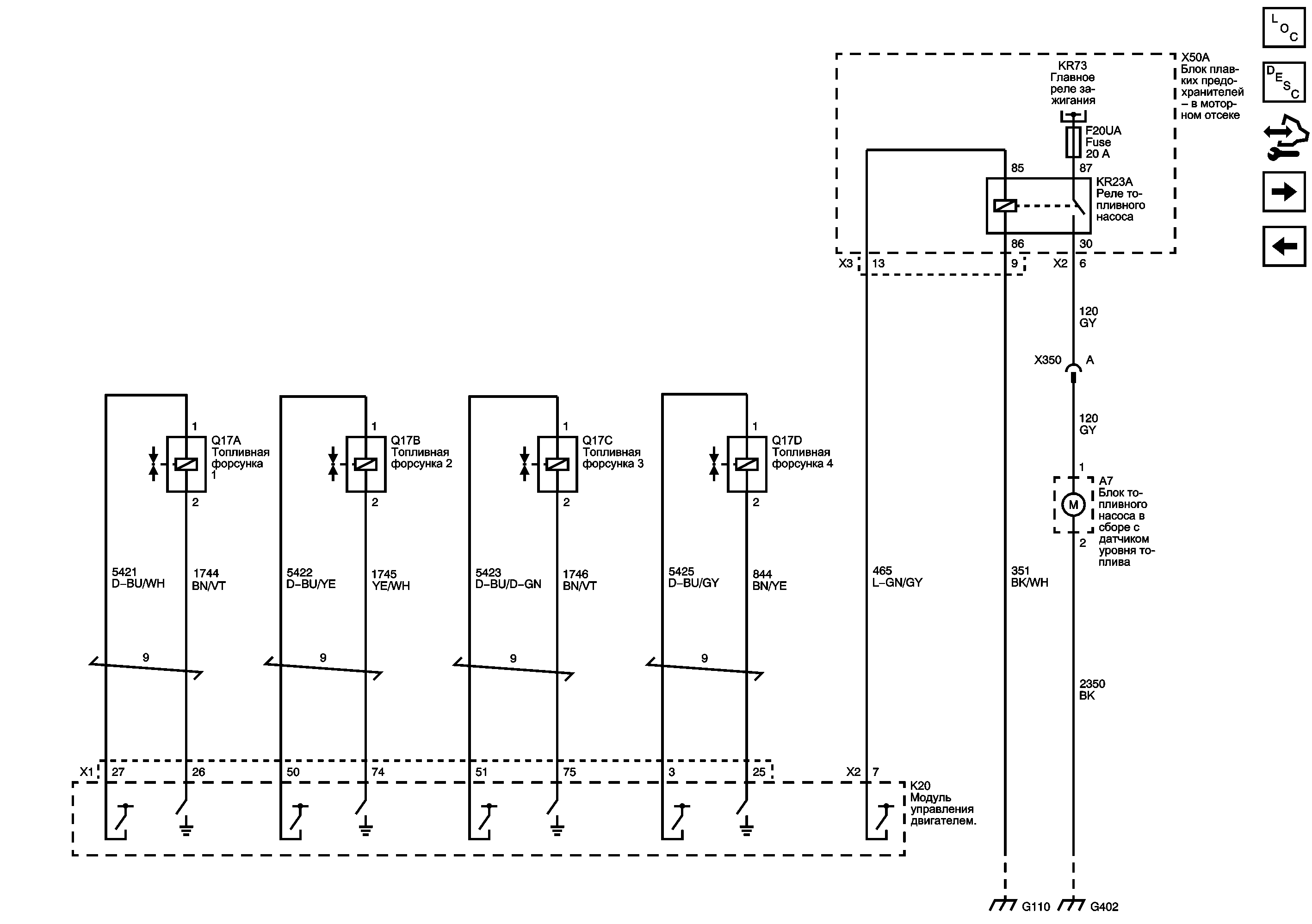
Средства управления топливом- топливный насос и топливные форсунки


          
            |                         |            
2564508RU.png

Display graphic

Fuel Controls - Fuel Heater

Регуляторы топлива - Датчики давления и температуры

Ignition Main Relay

B+ Bus (2 of 3)

G110 (2H0) и G112

G402

   


© copyright chevrolet. All rights reserved