To the top of the document
Orlando
   
GMDE Start Page Load static TOC Load dynamic TOC Help?

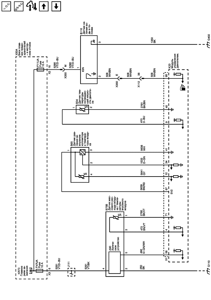
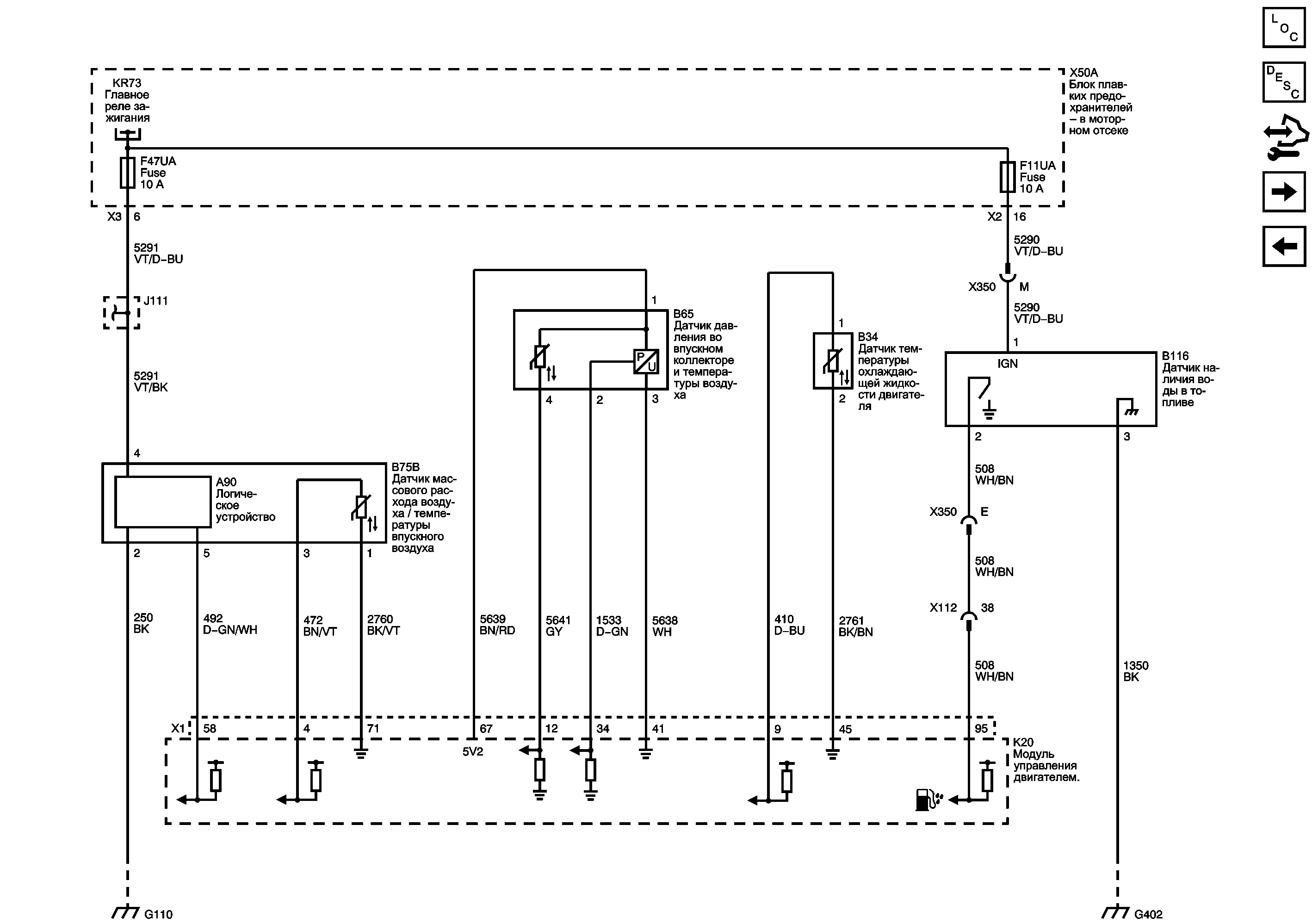
Датчики данных двигателя- Датчики давления, температуры и воды в топливе


          
            |                         |            
2564458RU.png

Display graphic

Датчики данных двигателя - средства управления дроссельной заслонкой

Шина низкого опорного напряжения (3 из 3)

Ignition Main Relay

Предохранители F47UA, F59UA и F62UA

Предохранители F10UA и F11UA

G110 (2H0) и G112

G402

   


© copyright chevrolet. All rights reserved