To the top of the document
Orlando
   
GMDE Start Page Load static TOC Load dynamic TOC Help?

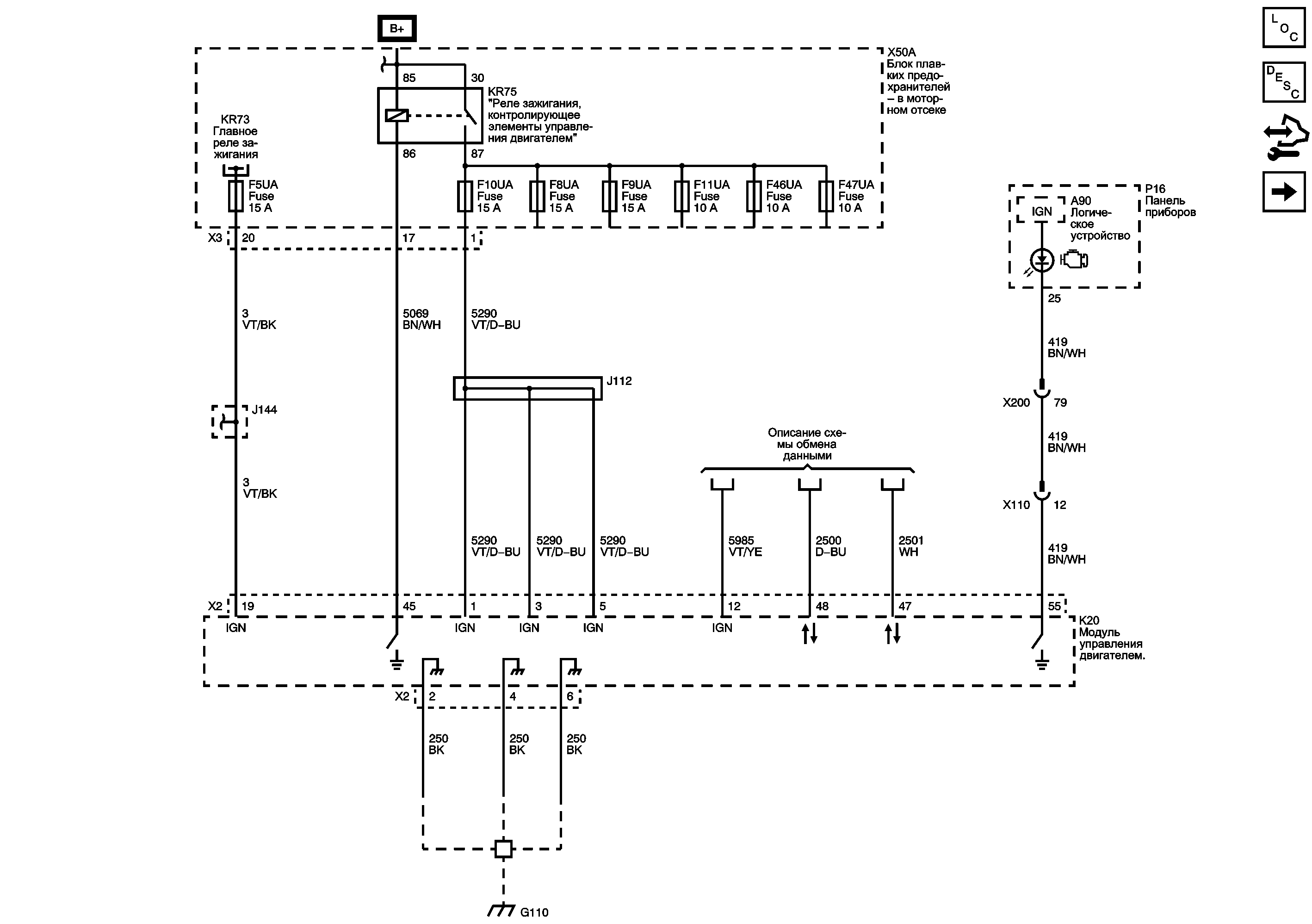
Питание, масса, последовательные данные и лампа индикатора неисправности (mil)


          
            |                         |            
2564415RU.png

Display graphic

Шины 5V1, 5V2, 5V3 и шина низкого опорного напряжения (1 из 3)

Ignition Main Relay

Предохранители F5UA, F13UA и F53UA

Предохранители F10UA и F11UA

Предохранители F42UA и F46UA

Предохранители F47UA, F59UA и F62UA

G110 (2H0) и G112

   


© copyright chevrolet. All rights reserved