To the top of the document
Orlando
   
GMDE Start Page Load static TOC Load dynamic TOC Help?

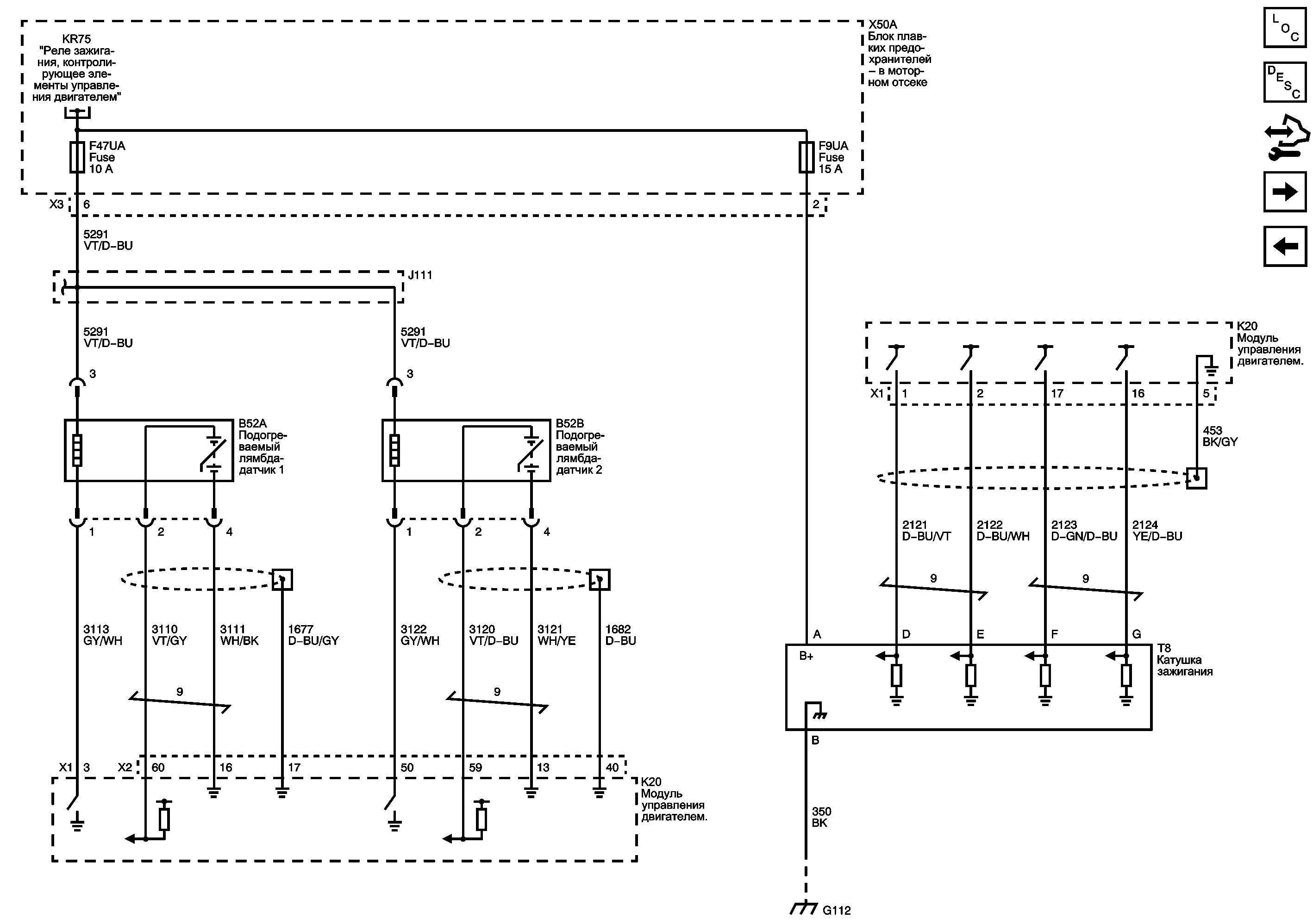
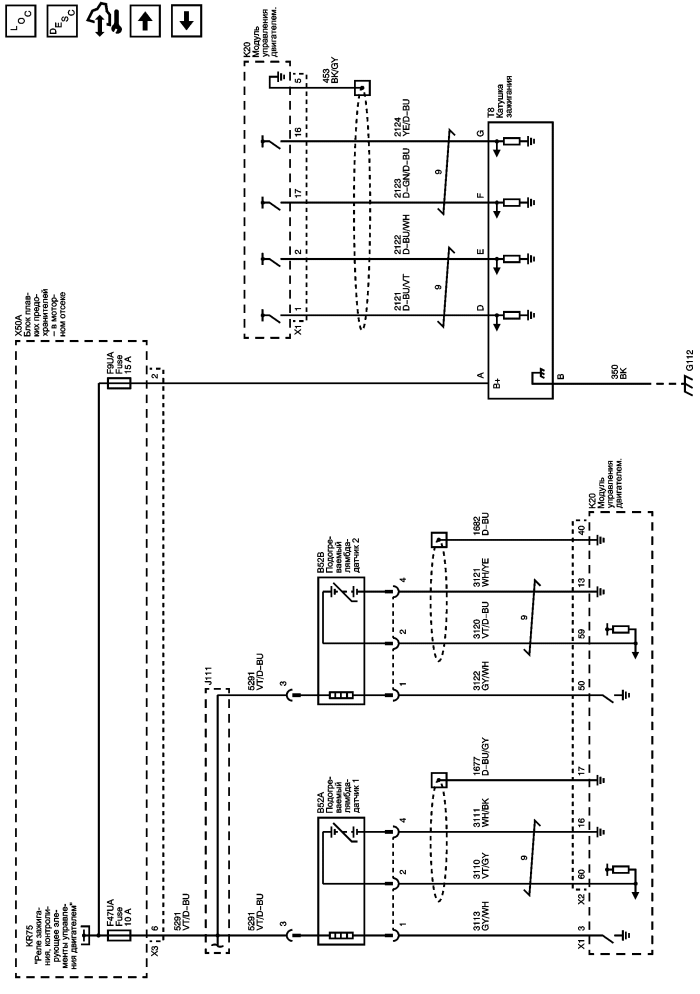
Датчики кислорода и система зажигания


          
            |                         |            
2564334RU.png

Display graphic

Органы управления зажиганием - распредвал, коленвал и датчики детонации, исполнительные устройства регулировки распределительного вала

Датчики данных двигателя - средства управления дроссельной заслонкой

Ссылки на подсистемы

Предохранители F47UA, F59UA и F62UA

Предохранители F10UA и F11UA

G110 (2H0) и G112

   


© copyright chevrolet. All rights reserved