To the top of the document
Orlando
   
GMDE Start Page Load static TOC Load dynamic TOC Help?

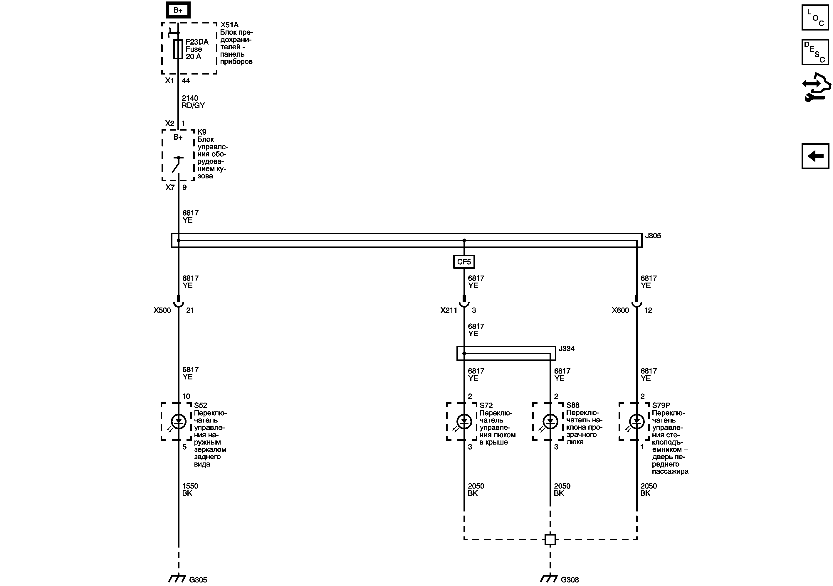
Наружное зеркало заднего вида, стекло пассажирской двери, потолочный люк


          
            |                         |            
2563895RU.png

Display graphic

Door Lock, Headlamp, I/P Accent Lamp, Shift Lever, Steering Wheel, Traction Control

Предохранители F14DA, F15DA, F17DA, F21DA, F23DA, F24DA и F25DA

G204 и G305

G307 и G308

   


© copyright chevrolet. All rights reserved