Orlando |
||||||||
|
|
|
|||||||

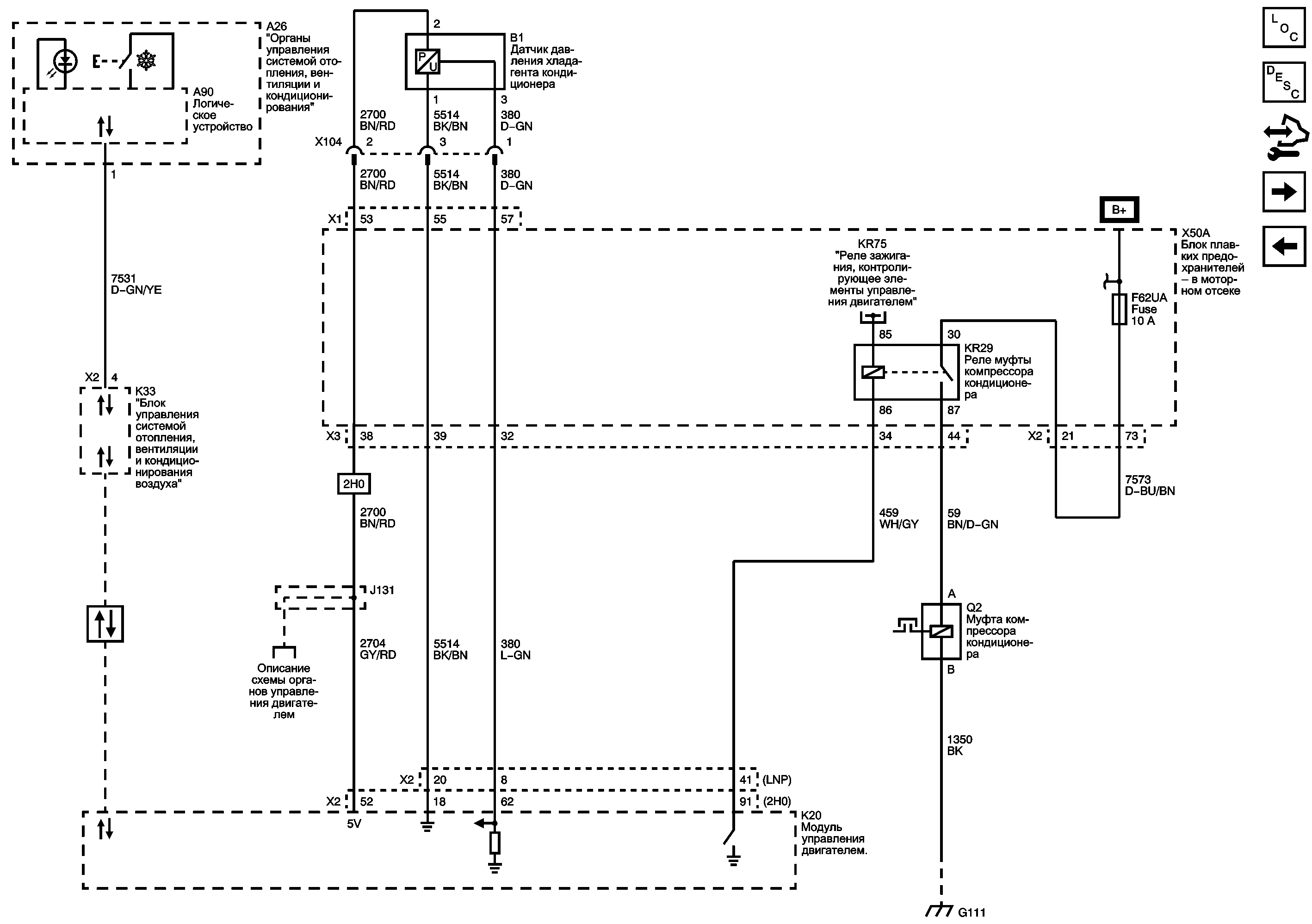
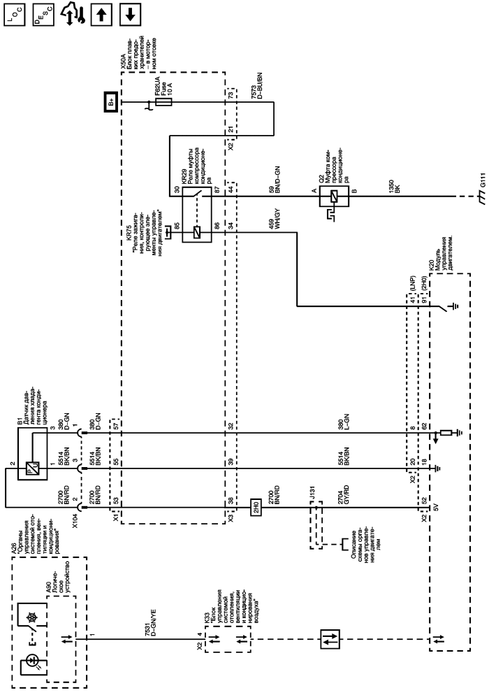
Список электрических компонентов управления
Описание и принцип работы автоматической системы отопления, вентиляции и кондиционирования воздуха
Модуль управления Справочные сведения
Органы управления подачей воздуха и температурой
Питание, масса, последовательные данные и индикаторная лампа неисправности (MIL)
Предохранители F47UA, F59UA и F62UA
Электрический центр - Обозначение - Иллюстрации
Шина 5В и шина низкого опорного напряжения (2 из 2)
| https://vnx.su/ 🛠 Руководства по ремонту и эксплуатации для автомобилей |
| https://vnx.su/ 🛠 Руководства по ремонту и эксплуатации для автомобилей |