Orlando |
||||||||
|
|
|
|||||||

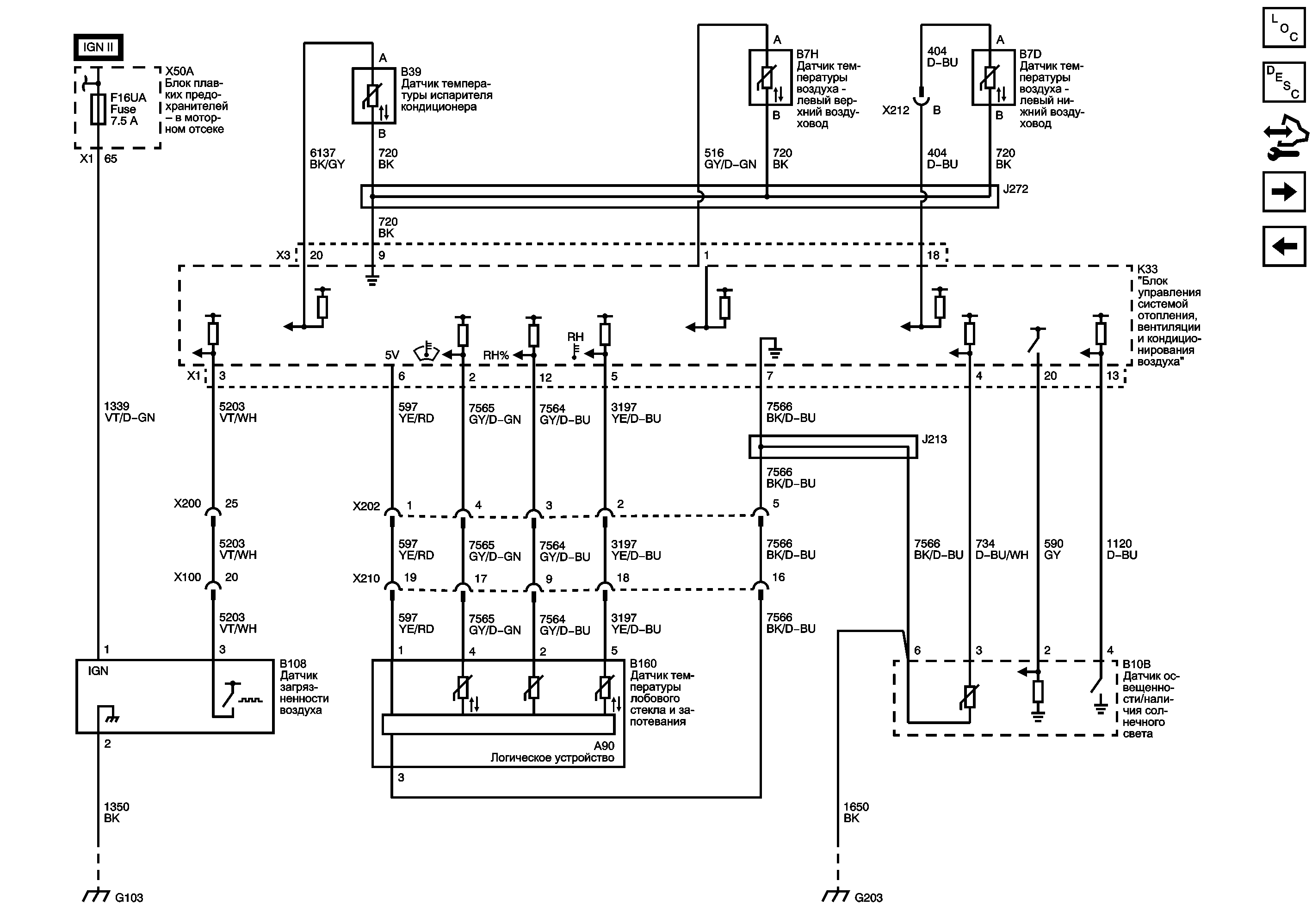
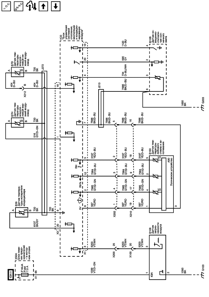
Список электрических компонентов управления
Описание и принцип работы автоматической системы отопления, вентиляции и кондиционирования воздуха
Модуль управления Справочные сведения
Вспомогательный обогреватель (C32)
Органы управления компрессором
Предохранители F16UA, F17UA, F18UA, F52UA, F54UA и F57UA
| https://vnx.su/ 🛠 Руководства по ремонту и эксплуатации для автомобилей |
| https://vnx.su/ 🛠 Руководства по ремонту и эксплуатации для автомобилей |