Orlando |
||||||||
|
|
|
|||||||

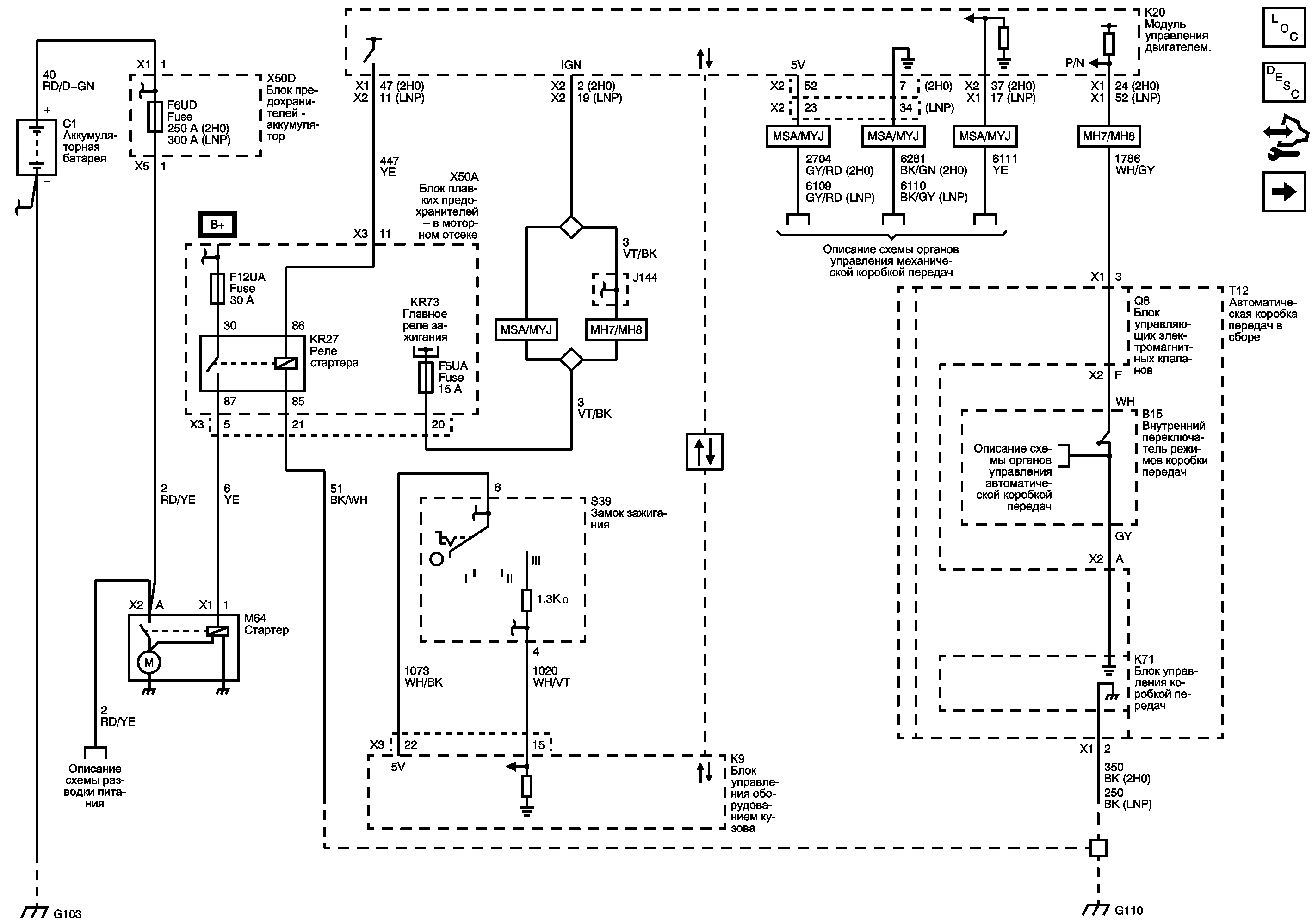
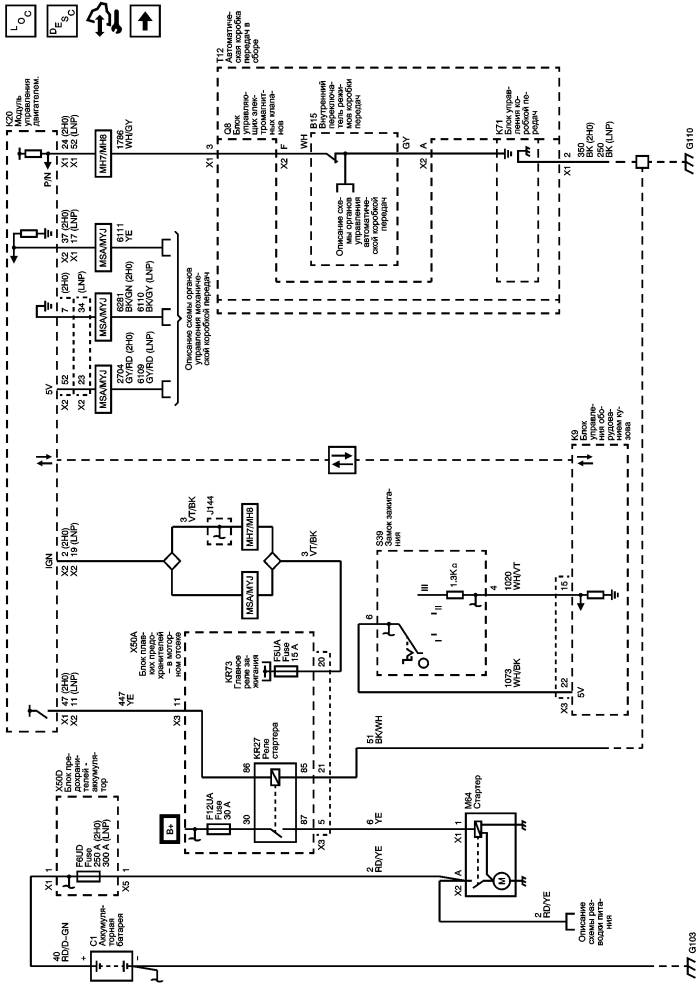
Список электрических компонентов управления
Описание и работа зарядной системы
Модуль управления Справочные сведения
Предохранители F3DA, F8DA, F9DA, F10DA, F11DA, F16DA, F3UD и F6UD
Электрический центр - Обозначение - Иллюстрации
Предохранители F5UA, F13UA и F53UA
Внутренний переключатель режимов и переключатель скоростей
Предохранители F3DA, F8DA, F9DA, F10DA, F11DA, F16DA, F3UD и F6UD
| https://vnx.su/ 🛠 Руководства по ремонту и эксплуатации для автомобилей |
| https://vnx.su/ 🛠 Руководства по ремонту и эксплуатации для автомобилей |