К верхней части документа
Orlando
   
Начальная страница GMDE Загрузить статическое содержание Загрузить динамическое содержание Справка?

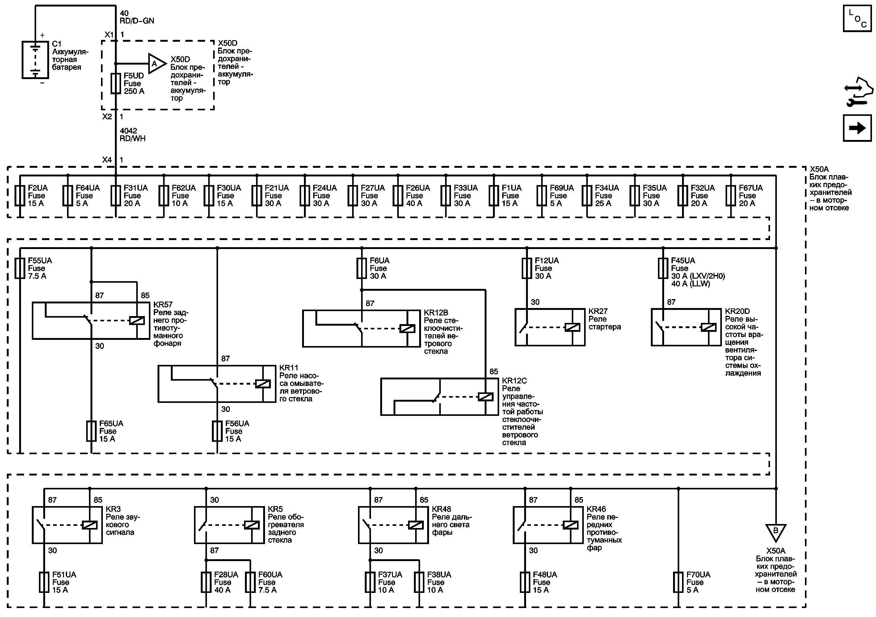
Шина B+ (1 из 3)



            |                         |            
2503838RU.png

Графический дисплей

Список электрических компонентов управления

Модуль управления Справочные сведения

Шина B+ (2 из 3)

Шина B+ (3 из 3)

Электрический центр - Обозначение - Иллюстрации

Шина B+ (2 из 3)

   


https://vnx.su/ 🛠 Руководства по ремонту и эксплуатации для автомобилей

Поиск по сайту

Остались вопросы или пожелания? Пишите на почту: support@vnx.su

Карта Сайта
   


https://vnx.su/ 🛠 Руководства по ремонту и эксплуатации для автомобилей

Поиск по сайту

Остались вопросы или пожелания? Пишите на почту: support@vnx.su

Карта Сайта