К верхней части документа
Orlando
   
Начальная страница GMDE Загрузить статическое содержание Загрузить динамическое содержание Справка?

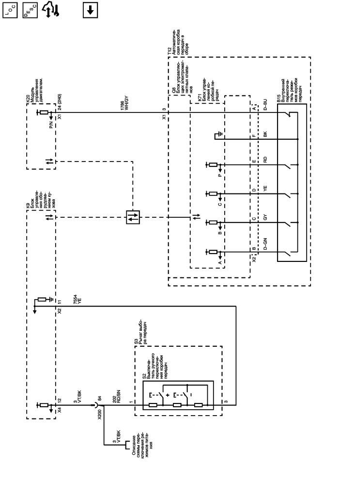
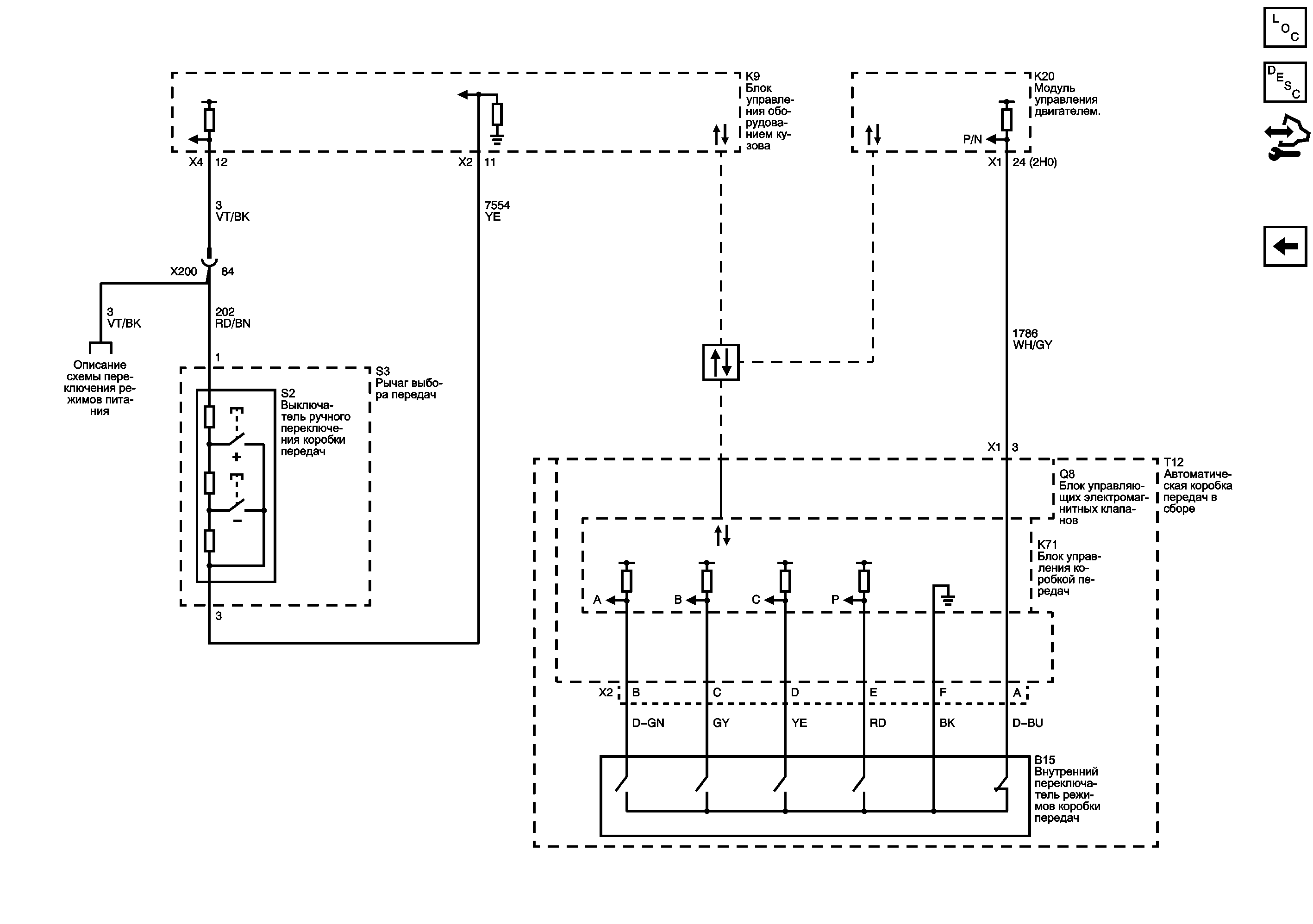
Внутренний переключатель режима и переключатель увеличения/уменьшения



            |                         |            
2504402RU.png

Графический дисплей

Список электрических компонентов управления

Электронные компоненты - Описание

Модуль управления Справочные сведения

Датчики температуры рабочей жидкости и оборотов, средства управления положением клапана, давлением и переключением

Главное реле зажигания

Схемы обмена данными

   


https://vnx.su/ 🛠 Руководства по ремонту и эксплуатации для автомобилей

Поиск по сайту

Остались вопросы или пожелания? Пишите на почту: support@vnx.su

Карта Сайта
   


https://vnx.su/ 🛠 Руководства по ремонту и эксплуатации для автомобилей

Поиск по сайту

Остались вопросы или пожелания? Пишите на почту: support@vnx.su

Карта Сайта