Orlando |
||||||||
|
|
|
|||||||

Список электрических компонентов управления
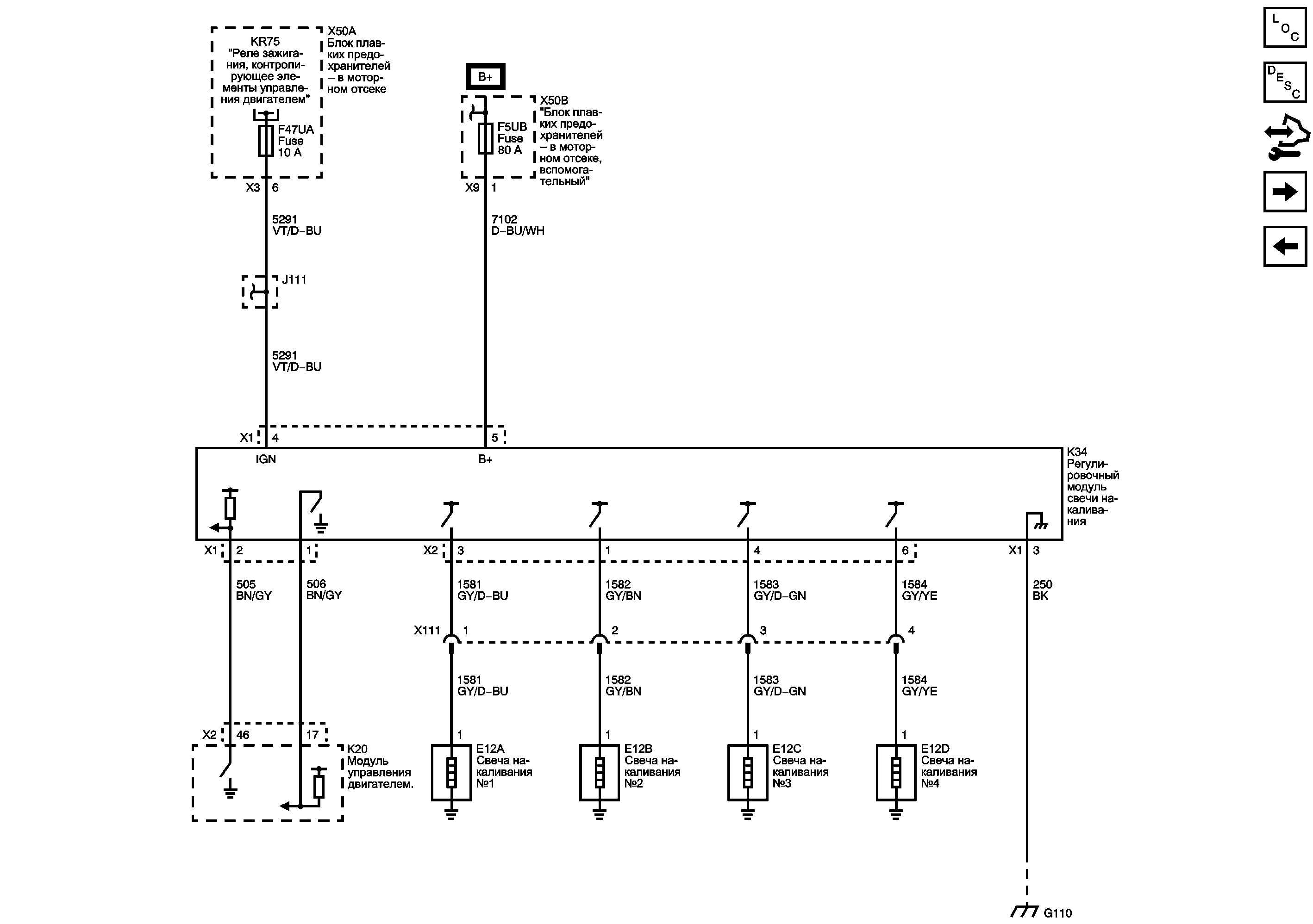
Описание системы свечи накаливания
Модуль управления Справочные сведения
Контролируемые/отслеживаемые обращения к подсистеме
Регуляторы настройки турбокомпрессора, канала выхлопных газов и впускного коллектора
Питание, масса, последовательные данные и лампа индикатора неисправности (MIL)
Предохранители F47UA, F59UA и F62UA
Предохранители F24UA, F48UA, F5UB и F6UB
| https://vnx.su/ 🛠 Руководства по ремонту и эксплуатации для автомобилей |
| https://vnx.su/ 🛠 Руководства по ремонту и эксплуатации для автомобилей |