Orlando |
||||||||
|
|
|
|||||||

Список электрических компонентов управления
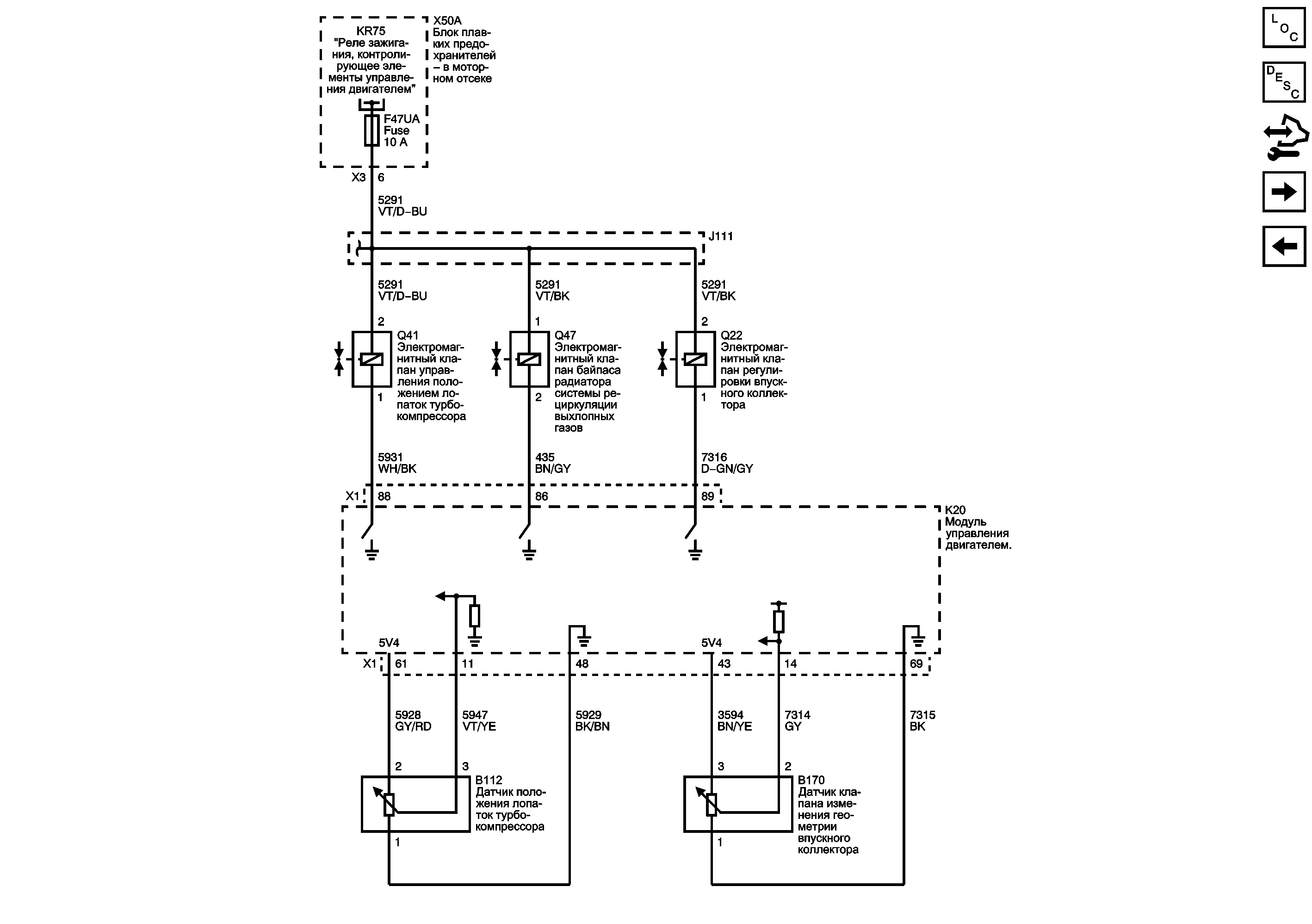
Описание системы турбонагнетателя
Модуль управления Справочные сведения
Управление свечами накаливания
Органы управления топливом - нагреватель топлива
Питание, масса, последовательные данные и лампа индикатора неисправности (MIL)
Предохранители F47UA, F59UA и F62UA
| https://vnx.su/ 🛠 Руководства по ремонту и эксплуатации для автомобилей |
| https://vnx.su/ 🛠 Руководства по ремонту и эксплуатации для автомобилей |