Orlando |
||||||||
|
|
|
|||||||

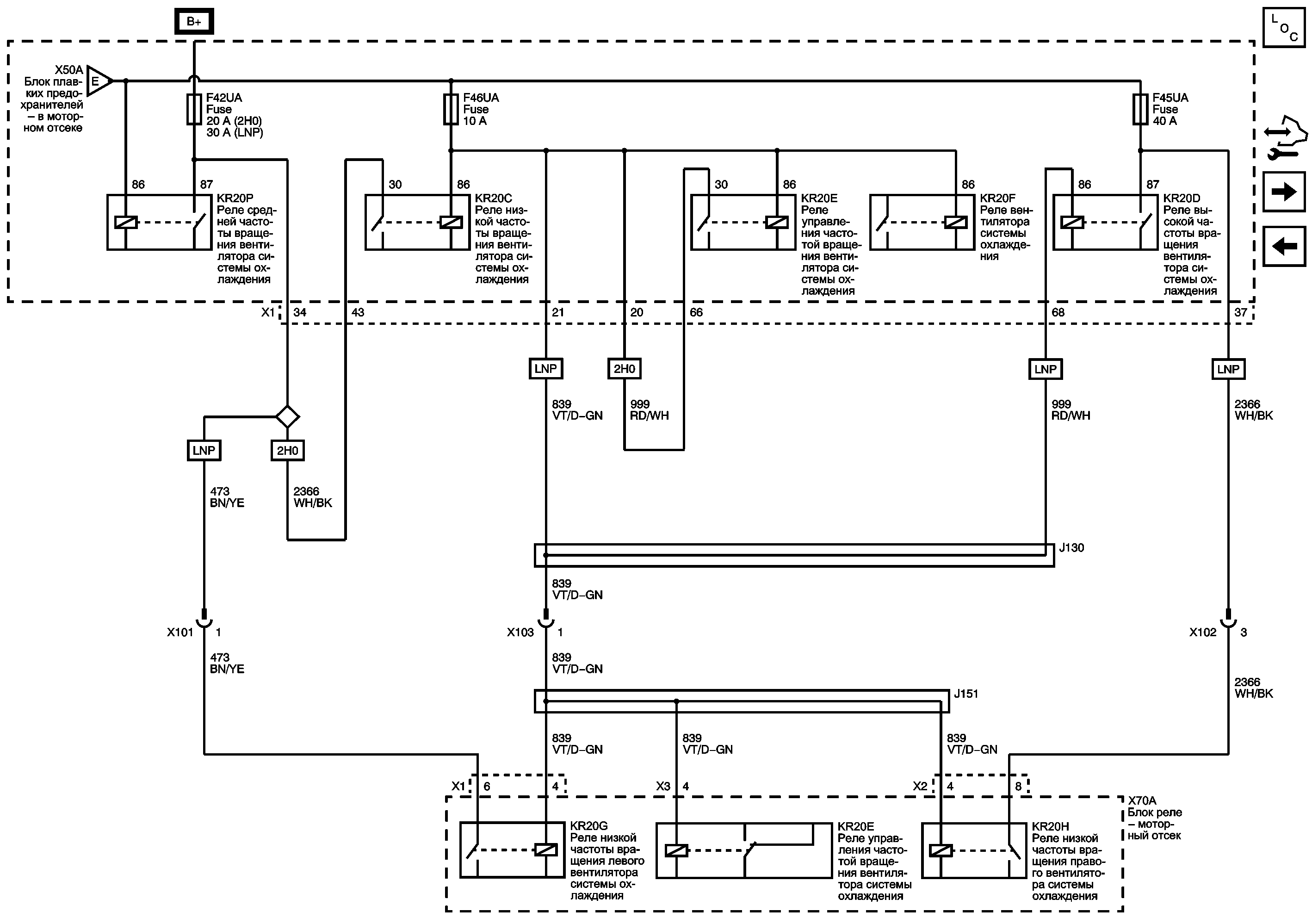
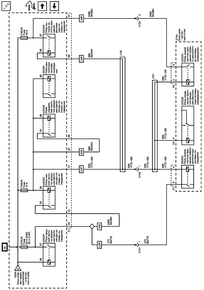
Список электрических компонентов управления
Модуль управления Справочные сведения
Предохранители F16UA, F17UA, F18UA, F52UA, F54UA и F57UA
Предохранители F8UA, F9UA, F10UA и F11UA
Электрический центр - Обозначение - Иллюстрации
| https://vnx.su/ 🛠 Руководства по ремонту и эксплуатации для автомобилей |
| https://vnx.su/ 🛠 Руководства по ремонту и эксплуатации для автомобилей |