Cruze
   
GMDE Start Page Load static TOC Load dynamic TOC Help?
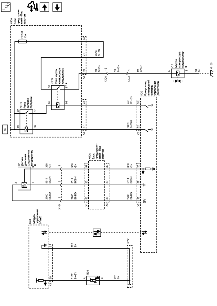
Средства управления компрессором (ГАЗОВЫЙ ДВИГАТЕЛЬ, 4 ЦИЛ., 1.6 Л, MFI, DOHC, 80 кВт (GMDAT))


            |                         |            
2224266RU.png


Display graphic

Display graphic

Компоненты
b1Датчик давления хладоагента кондиционераkr29Реле муфты компрессора кондиционера
b39Датчик температуры испарителя кондиционераkr75Реле силовой передачи
f62uaПредохранительq2Муфта компрессора кондиционера
k20Контроллер электронной системы управления двигателемx50aБлок предохранителей - Под капотом
k33Модуль управления hvac
Разъемы
j272Жгут проводов системы нагревания, вентиляции и кондиционирования (hvac)x50a (x3)Блок предохранителей - Под капотом x3
k20 (x2)Контроллер электронной системы управления двигателем x2x100Жгут проводов кузова и жгут проводов передней части кузова
k33 (x3)Модуль управления hvac x3x102Жгут проводов передней части кузова и жгут проводов системы охлаждения двигателя
x50a (x1)Блок предохранителей - Под капотом x1x104Жгут проводов передней части кузова и жгут проводов системы охлаждения двигателя
x50a (x2)Блок предохранителей - Под капотом x2
Точки соединения с массой
g105Моторный отсек - Передняя часть, слева
Сокращения
b+Вывод b+fsdcФункциональный обмен последовательными данными
Цветовые коды
bkЧерныйbnwhКоричневый\Белый
bkbnЧерный-КоричневыйbubnСиний-Коричневый
bkgyЧерный-СерыйgnЗеленый
bngnКоричневый-ЗеленыйwhgyБелый-Серый
bnrdКоричневый-Красный
B
A
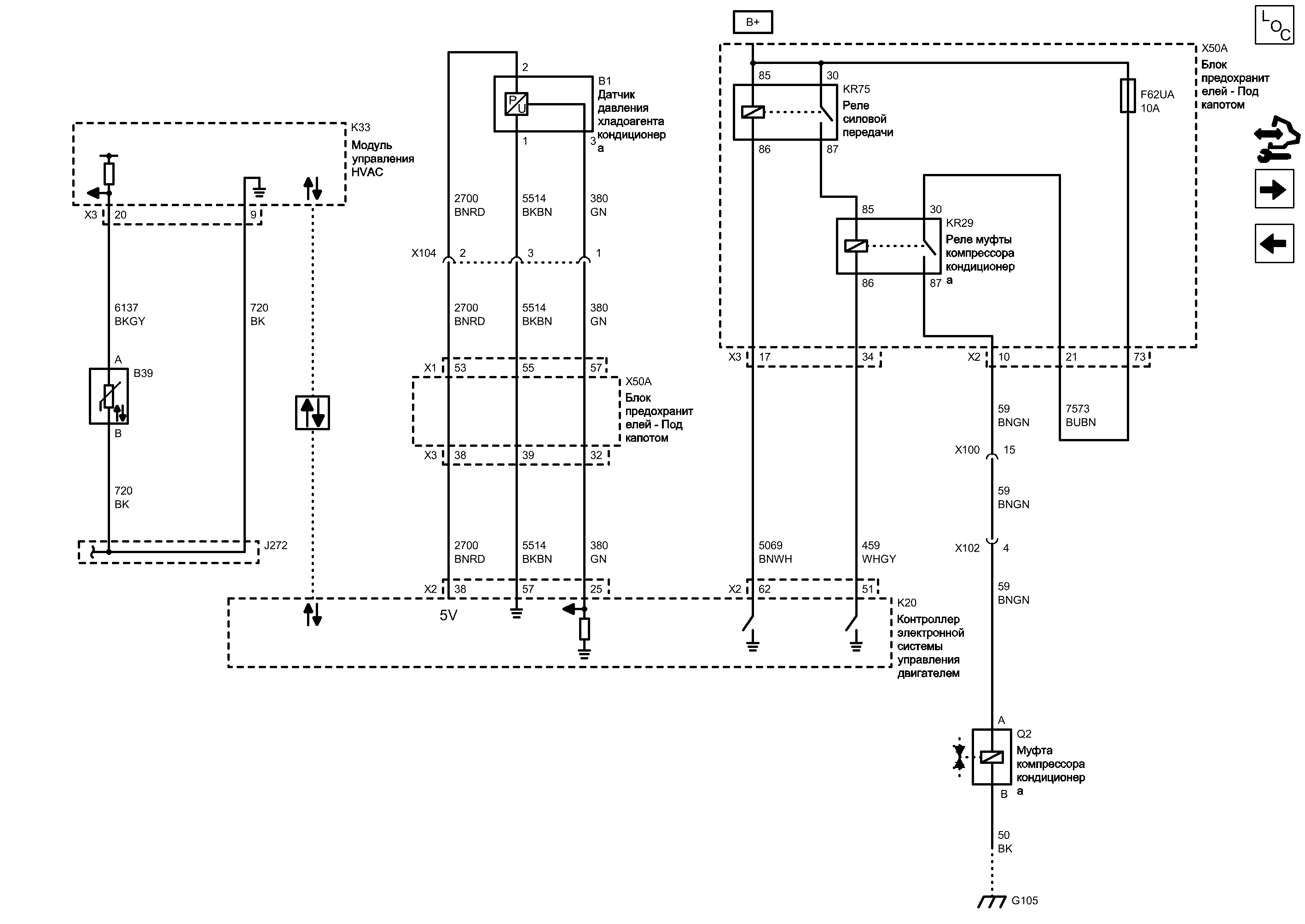
Управление муфтой компрессора кондиционера
BNGN Коричневый-Зеленый
51
X2 Контроллер электронной системы управления двигателем X2

Расположение деталей (узлов) Трехмерная схема жгутов ГАЗОВЫЙ ДВИГАТЕЛЬ, 4 ЦИЛ., 1.6 Л, MFI, DOHC, 80 кВт (GMDAT)
Внешний вид разъема и ремонт ГАЗОВЫЙ ДВИГАТЕЛЬ, 4 ЦИЛ., 1.6 Л, MFI, DOHC, 80 кВт (GMDAT)
Релейное управление муфтой компрессора кондиционера
WHGY Белый-Серый
34
X3 Блок предохранителей - Под капотом X3

Внешний вид разъема и ремонт
Доступен вид только с одним разъемом
10
21
Переменный рабочий объем - электропитание
BUBN Синий-Коричневый
73
X2 Блок предохранителей - Под капотом X2

Внешний вид разъема и ремонт
F62UA Предохранитель

Электрическая схема Дерево Предохранители F11UA, 59UA и F62UA
Электрическая схема Питание Шина B+ UEC (2 из 6)
Вывод B+
17
Управление катушкой главного реле двигателя
BNWH Коричневый\Белый
62
57
25
38
X2 Контроллер электронной системы управления двигателем X2

Расположение деталей (узлов) Трехмерная схема жгутов ГАЗОВЫЙ ДВИГАТЕЛЬ, 4 ЦИЛ., 1.6 Л, MFI, DOHC, 80 кВт (GMDAT)
Внешний вид разъема и ремонт ГАЗОВЫЙ ДВИГАТЕЛЬ, 4 ЦИЛ., 1.6 Л, MFI, DOHC, 80 кВт (GMDAT)
G105 Моторный отсек - Передняя часть, слева

Электрическая схема G103 и G105
Масса
BK Черный
86
85
87
30
30
85
86
87
X102 Жгут проводов передней части кузова и жгут проводов системы охлаждения двиг...

Расположение деталей (узлов) Трехмерная схема жгутов
Внешний вид разъема и ремонт Вилка
Внешний вид разъема и ремонт Гнездо
4
BNGN Коричневый-Зеленый
X100 Жгут проводов кузова и жгут проводов передней части кузова

Расположение деталей (узлов) Трехмерная схема жгутов
Внешний вид разъема и ремонт Вилка
Внешний вид разъема и ремонт Гнездо
15
BNGN Коричневый-Зеленый
KR75 Реле силовой передачи
X50A Блок предохранителей - Под капотом

Расположение деталей (узлов) Трехмерная схема жгутов
KR29 Реле муфты компрессора кондиционера
Q2 Муфта компрессора кондиционера

Расположение деталей (узлов) Трехмерная схема жгутов
Внешний вид разъема и ремонт ГАЗОВЫЙ ДВИГАТЕЛЬ, 4 ЦИЛ., 1.6 Л, MFI, DOHC, 80 кВт (GMDAT)
K20 Контроллер электронной системы управления двигателем

Расположение деталей (узлов) Трехмерная схема жгутов ГАЗОВЫЙ ДВИГАТЕЛЬ, 4 ЦИЛ., 1.6 Л, MFI, DOHC, 80 кВт (GMDAT)
Имеется только одно место для компонента
Функциональный обмен последовательными данными
9
Сигнал
X3 Модуль управления HVAC X3

Расположение деталей (узлов) Трехмерная схема жгутов ПЕРЕДНИЙ ВОЗДУШНЫЙ КОНДИЦИОНЕР С СИСТЕМОЙ HVAC, АВТОМ., ЭЛЕКТРОННЫЕ ОРГАНЫ УПРАВЛЕНИЯ
Внешний вид разъема
20
Слабый опорный сигнал
Последовательные данные
K33 Модуль управления HVAC

Расположение деталей (узлов) Трехмерная схема жгутов ПЕРЕДНИЙ ВОЗДУШНЫЙ КОНДИЦИОНЕР С СИСТЕМОЙ HVAC, АВТОМ., ЭЛЕКТРОННЫЕ ОРГАНЫ УПРАВЛЕНИЯ
Имеется только одно место для компонента
Последовательные данные
Опорный сигнал 5 вольт
Слабый опорный сигнал
Сигнал
Управление
Управление
Опорный сигнал 5 вольт от датчика давления кондиционера
BNRD Коричневый-Красный
38
Сигнал датчика давления хладагента кондиционера
GN Зеленый
Слабый опорный сигнал датчика давления хладоагента кондиционера
BKBN Черный-Коричневый
39
32
3
53
Опорный сигнал 5 вольт от датчика давления кондиционера
BNRD Коричневый-Красный
BNRD Коричневый-Красный
X104 Жгут проводов передней части кузова и жгут проводов системы охлаждения двиг...

Расположение деталей (узлов) Трехмерная схема жгутов
Внешний вид разъема и ремонт Вилка
Внешний вид разъема и ремонт Гнездо
2
X50A Блок предохранителей - Под капотом

Расположение деталей (узлов) Трехмерная схема жгутов
55
57
Слабый опорный сигнал датчика давления хладоагента кондиционера
BKBN Черный-Коричневый
Сигнал датчика давления хладагента кондиционера
GN Зеленый
BKBN Черный-Коричневый
GN Зеленый
1
1
3
B1 Датчик давления хладоагента кондиционера

Расположение деталей (узлов) Трехмерная схема жгутов
Внешний вид разъема и ремонт ГАЗОВЫЙ ДВИГАТЕЛЬ, 4 ЦИЛ., 1.6 Л, MFI, DOHC, 80 кВт (GMDAT)
2
X1 Блок предохранителей - Под капотом X1

Расположение деталей (узлов) Трехмерная схема жгутов
Внешний вид разъема и ремонт
X3 Блок предохранителей - Под капотом X3

Внешний вид разъема и ремонт
Доступен вид только с одним разъемом
J272 Жгут проводов системы нагревания, вентиляции и кондиционирования (HVAC)

Электрическая схема Средства управления компрессором ГАЗОВЫЙ ДВИГАТЕЛЬ, 4 ЦИЛ., 1.6 Л, MFI, DOHC, 80 кВт (GMDAT)
Электрическая схема Датчики температуры
Слабый опорный сигнал датчика
BK Черный
Сигнал датчика температуры сердечника EVAP
BKGY Черный-Серый
BK Черный
B
A
B39 Датчик температуры испарителя кондиционера
Лицевая панель системы нагревания, вентиляции и кондиционирования (HVAC)

Лицевая панель системы нагревания, вентиляции и кондиционирования (HVAC)
Справочные данные по контроллерам

Справочные данные по контроллерам
Средства управления компрессором

Средства управления компрессором
Перечень основных электрических компонентов

Перечень основных электрических компонентов
   


https://vnx.su/ 🛠 Руководства по ремонту и эксплуатации для автомобилей

Поиск по сайту

Остались вопросы или пожелания? Пишите на почту: support@vnx.su

Карта Сайта