Cruze
   
GMDE Start Page Load static TOC Load dynamic TOC Help?
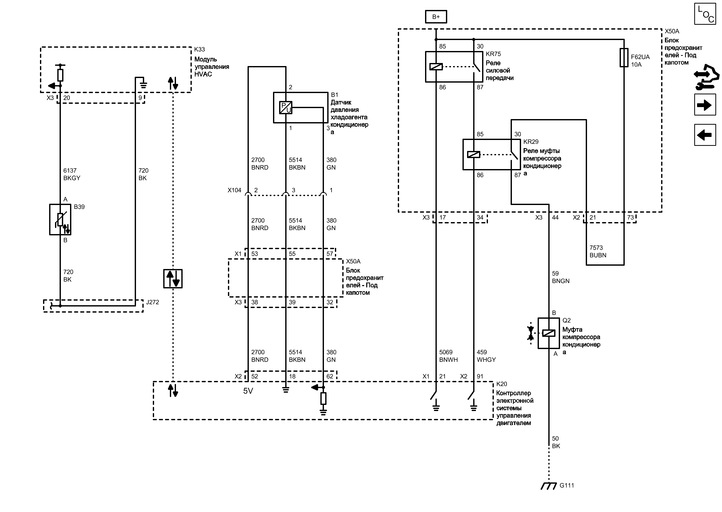
Средства управления компрессором (ДВИГАТЕЛЬ БЕНЗИНОВЫЙ, 4 ЦИЛ., 1.6 Л, MFI, DOHC, PT-JV, РЕГУЛИРУЕМЫЕ ФАЗЫ РАСПРЕДВАЛОВ AFT, ДЕАКТИВИЗАЦИЯ ПОРТА, ИЛИ ДВИГАТЕЛЬ БЕНЗИНОВЫЙ, 4 ЦИЛ., 1.6 Л, MFI, DOHC, PT-JV, РЕГУЛИРУЕМЫЕ ФАЗЫ РАСПРЕДВАЛОВ AFT, 82 КВТ, ИЛИ ДВИГАТЕЛЬ БЕНЗИНОВЫЙ, 4 ЦИЛ., 1.8 Л,)


            |                         |            
2203044RU.png


Display graphic

Display graphic

Компоненты
b1Датчик давления хладоагента кондиционераkr29Реле муфты компрессора кондиционера
b39Датчик температуры испарителя кондиционераkr75Реле силовой передачи
f62uaПредохранительq2Муфта компрессора кондиционера
k20Контроллер электронной системы управления двигателемx50aБлок предохранителей - Под капотом
k33Модуль управления hvac
Разъемы
j272Жгут проводов системы нагревания, вентиляции и кондиционирования (hvac)x50a (x1)Блок предохранителей - Под капотом x1
k20 (x1)Контроллер электронной системы управления двигателем x1x50a (x2)Блок предохранителей - Под капотом x2
k20 (x2)Контроллер электронной системы управления двигателем x2x50a (x3)Блок предохранителей - Под капотом x3
k33 (x3)Модуль управления hvac x3x104Жгут проводов передней части кузова и жгут проводов системы охлаждения двигателя
Точки соединения с массой
g111Двигатель
Сокращения
b+Вывод b+fsdcФункциональный обмен последовательными данными
Цветовые коды
bkЧерныйbnwhКоричневый\Белый
bkbnЧерный-КоричневыйbubnСиний-Коричневый
bkgyЧерный-СерыйgnЗеленый
bngnКоричневый-ЗеленыйwhgyБелый-Серый
bnrdКоричневый-Красный
A
B
Управление муфтой компрессора кондиционера
BNGN Коричневый-Зеленый
91
X1 Контроллер электронной системы управления двигателем X1

Расположение деталей (узлов) Трехмерная схема жгутов ДВИГАТЕЛЬ БЕНЗИНОВЫЙ, 4 ЦИЛ., 1.8 Л, MFI, 103 КВТ, DOHC ДВИГАТЕЛЬ БЕНЗИНОВЫЙ, 4 ЦИЛ., 1.6 Л, MFI, DOHC, PT-JV, РЕГУЛИРУЕМЫЕ ФАЗЫ РАСПРЕДВАЛОВ AFT, ДЕАКТИВИЗАЦИЯ ПОРТА ГАЗОВЫЙ ДВИГАТЕЛЬ, 4 ЦИЛ., 1.6 Л, MFI, DOHC, PT-JV, РАСПРЕДВАЛ С ИЗМЕНЯЕМЫМ ФАЗИРОВАНИЕМ, 82 кВт
Имеется только одно место для компонента
Релейное управление муфтой компрессора кондиционера
WHGY Белый-Серый
34
X3 Блок предохранителей - Под капотом X3

Внешний вид разъема и ремонт
Доступен вид только с одним разъемом
44
21
Переменный рабочий объем - электропитание
BUBN Синий-Коричневый
73
X3 Блок предохранителей - Под капотом X3

Внешний вид разъема и ремонт
Доступен вид только с одним разъемом
F62UA Предохранитель

Электрическая схема Дерево Предохранители F11UA, 59UA и F62UA
Электрическая схема Питание Шина B+ UEC (2 из 6)
Вывод B+
17
Управление катушкой главного реле двигателя
BNWH Коричневый\Белый
21
18
62
52
X2 Контроллер электронной системы управления двигателем X2

Расположение деталей (узлов) Трехмерная схема жгутов ДВИГАТЕЛЬ БЕНЗИНОВЫЙ, 4 ЦИЛ., 1.8 Л, MFI, 103 КВТ, DOHC ДВИГАТЕЛЬ БЕНЗИНОВЫЙ, 4 ЦИЛ., 1.6 Л, MFI, DOHC, PT-JV, РЕГУЛИРУЕМЫЕ ФАЗЫ РАСПРЕДВАЛОВ AFT, ДЕАКТИВИЗАЦИЯ ПОРТА ГАЗОВЫЙ ДВИГАТЕЛЬ, 4 ЦИЛ., 1.6 Л, MFI, DOHC, PT-JV, РАСПРЕДВАЛ С ИЗМЕНЯЕМЫМ ФАЗИРОВАНИЕМ, 82 кВт
Внешний вид разъема и ремонт ДВИГАТЕЛЬ БЕНЗИНОВЫЙ, 4 ЦИЛ., 1.6 Л, MFI, DOHC, PT-JV, РЕГУЛИРУЕМЫЕ ФАЗЫ РАСПРЕДВАЛОВ AFT, ДЕАКТИВИЗАЦИЯ ПОРТА, ИЛИ ДВИГАТЕЛЬ БЕНЗИНОВЫЙ, 4 ЦИЛ., 1.6 Л, MFI, DOHC, PT-JV, РЕГУЛИРУЕМЫЕ ФАЗЫ РАСПРЕДВАЛОВ AFT, 82 КВТ, ИЛИ ДВИГАТЕЛЬ БЕНЗИНОВЫЙ, 4 ЦИЛ., 1.8 Л,
Масса
BK Черный
X2 Блок предохранителей - Под капотом X2

Внешний вид разъема и ремонт
X2 Контроллер электронной системы управления двигателем X2

Расположение деталей (узлов) Трехмерная схема жгутов ДВИГАТЕЛЬ БЕНЗИНОВЫЙ, 4 ЦИЛ., 1.8 Л, MFI, 103 КВТ, DOHC ДВИГАТЕЛЬ БЕНЗИНОВЫЙ, 4 ЦИЛ., 1.6 Л, MFI, DOHC, PT-JV, РЕГУЛИРУЕМЫЕ ФАЗЫ РАСПРЕДВАЛОВ AFT, ДЕАКТИВИЗАЦИЯ ПОРТА ГАЗОВЫЙ ДВИГАТЕЛЬ, 4 ЦИЛ., 1.6 Л, MFI, DOHC, PT-JV, РАСПРЕДВАЛ С ИЗМЕНЯЕМЫМ ФАЗИРОВАНИЕМ, 82 кВт
Внешний вид разъема и ремонт ДВИГАТЕЛЬ БЕНЗИНОВЫЙ, 4 ЦИЛ., 1.6 Л, MFI, DOHC, PT-JV, РЕГУЛИРУЕМЫЕ ФАЗЫ РАСПРЕДВАЛОВ AFT, ДЕАКТИВИЗАЦИЯ ПОРТА, ИЛИ ДВИГАТЕЛЬ БЕНЗИНОВЫЙ, 4 ЦИЛ., 1.6 Л, MFI, DOHC, PT-JV, РЕГУЛИРУЕМЫЕ ФАЗЫ РАСПРЕДВАЛОВ AFT, 82 КВТ, ИЛИ ДВИГАТЕЛЬ БЕНЗИНОВЫЙ, 4 ЦИЛ., 1.8 Л,
86
85
87
30
30
85
86
87
KR75 Реле силовой передачи
X50A Блок предохранителей - Под капотом

Расположение деталей (узлов) Трехмерная схема жгутов
KR29 Реле муфты компрессора кондиционера
Q2 Муфта компрессора кондиционера

Расположение деталей (узлов) Трехмерная схема жгутов
Внешний вид разъема и ремонт ДВИГАТЕЛЬ БЕНЗИНОВЫЙ, 4 ЦИЛ., 1.6 Л, MFI, DOHC, PT-JV, РЕГУЛИРУЕМЫЕ ФАЗЫ РАСПРЕДВАЛОВ AFT, ДЕАКТИВИЗАЦИЯ ПОРТА, ИЛИ ДВИГАТЕЛЬ БЕНЗИНОВЫЙ, 4 ЦИЛ., 1.6 Л, MFI, DOHC, PT-JV, РЕГУЛИРУЕМЫЕ ФАЗЫ РАСПРЕДВАЛОВ AFT, 82 КВТ, ИЛИ ДВИГАТЕЛЬ БЕНЗИНОВЫЙ, 4 ЦИЛ., 1.8 Л,
K20 Контроллер электронной системы управления двигателем

Расположение деталей (узлов) Трехмерная схема жгутов ДВИГАТЕЛЬ БЕНЗИНОВЫЙ, 4 ЦИЛ., 1.8 Л, MFI, 103 КВТ, DOHC ДВИГАТЕЛЬ БЕНЗИНОВЫЙ, 4 ЦИЛ., 1.6 Л, MFI, DOHC, PT-JV, РЕГУЛИРУЕМЫЕ ФАЗЫ РАСПРЕДВАЛОВ AFT, ДЕАКТИВИЗАЦИЯ ПОРТА ГАЗОВЫЙ ДВИГАТЕЛЬ, 4 ЦИЛ., 1.6 Л, MFI, DOHC, PT-JV, РАСПРЕДВАЛ С ИЗМЕНЯЕМЫМ ФАЗИРОВАНИЕМ, 82 кВт
Имеется только одно место для компонента
Функциональный обмен последовательными данными
9
Сигнал
Слабый опорный сигнал
X3 Модуль управления HVAC X3

Расположение деталей (узлов) Трехмерная схема жгутов ПЕРЕДНИЙ ВОЗДУШНЫЙ КОНДИЦИОНЕР С СИСТЕМОЙ HVAC, АВТОМ., ЭЛЕКТРОННЫЕ ОРГАНЫ УПРАВЛЕНИЯ
Внешний вид разъема
20
Последовательные данные
K33 Модуль управления HVAC

Расположение деталей (узлов) Трехмерная схема жгутов ПЕРЕДНИЙ ВОЗДУШНЫЙ КОНДИЦИОНЕР С СИСТЕМОЙ HVAC, АВТОМ., ЭЛЕКТРОННЫЕ ОРГАНЫ УПРАВЛЕНИЯ
Имеется только одно место для компонента
Последовательные данные
G111 Двигатель

Внешний вид разъема и ремонт ДВИГАТЕЛЬ БЕНЗИНОВЫЙ, 4 ЦИЛ., 1.6 Л, MFI, DOHC, PT-JV, РЕГУЛИРУЕМЫЕ ФАЗЫ РАСПРЕДВАЛОВ AFT, ДЕАКТИВИЗАЦИЯ ПОРТА, ИЛИ ДВИГАТЕЛЬ БЕНЗИНОВЫЙ, 4 ЦИЛ., 1.6 Л, MFI, DOHC, PT-JV, РЕГУЛИРУЕМЫЕ ФАЗЫ РАСПРЕДВАЛОВ AFT, 82 КВТ, ИЛИ ДВИГАТЕЛЬ БЕНЗИНОВЫЙ, 4 ЦИЛ., 1.8 Л,
Электрическая схема G111 и G112 ДВИГАТЕЛЬ БЕНЗИНОВЫЙ, 4 ЦИЛ., 1.6 Л, MFI, DOHC, PT-JV, РЕГУЛИРУЕМЫЕ ФАЗЫ РАСПРЕДВАЛОВ AFT, ДЕАКТИВИЗАЦИЯ ПОРТА, ИЛИ ДВИГАТЕЛЬ БЕНЗИНОВЫЙ, 4 ЦИЛ., 1.6 Л, MFI, DOHC, PT-JV, РЕГУЛИРУЕМЫЕ ФАЗЫ РАСПРЕДВАЛОВ AFT, 82 КВТ, ИЛИ ДВИГАТЕЛЬ БЕНЗИНОВЫЙ, 4 ЦИЛ., 1.8 Л,
Опорный сигнал 5 вольт
Слабый опорный сигнал
Сигнал
Управление
Управление
32
39
38
Опорный сигнал 5 вольт от датчика давления кондиционера
BNRD Коричневый-Красный
Слабый опорный сигнал датчика давления хладоагента кондиционера
BKBN Черный-Коричневый
Сигнал датчика давления хладагента кондиционера
GN Зеленый
3
Опорный сигнал 5 вольт от датчика давления кондиционера
BNRD Коричневый-Красный
53
X104 Жгут проводов передней части кузова и жгут проводов системы охлаждения двиг...

Расположение деталей (узлов) Трехмерная схема жгутов
Внешний вид разъема и ремонт Вилка
Внешний вид разъема и ремонт Гнездо
2
BNRD Коричневый-Красный
Сигнал датчика давления хладагента кондиционера
GN Зеленый
Слабый опорный сигнал датчика давления хладоагента кондиционера
BKBN Черный-Коричневый
X50A Блок предохранителей - Под капотом

Расположение деталей (узлов) Трехмерная схема жгутов
55
57
1
BKBN Черный-Коричневый
GN Зеленый
B1 Датчик давления хладоагента кондиционера

Расположение деталей (узлов) Трехмерная схема жгутов
Внешний вид разъема и ремонт ДВИГАТЕЛЬ БЕНЗИНОВЫЙ, 4 ЦИЛ., 1.6 Л, MFI, DOHC, PT-JV, РЕГУЛИРУЕМЫЕ ФАЗЫ РАСПРЕДВАЛОВ AFT, ДЕАКТИВИЗАЦИЯ ПОРТА, ИЛИ ДВИГАТЕЛЬ БЕНЗИНОВЫЙ, 4 ЦИЛ., 1.6 Л, MFI, DOHC, PT-JV, РЕГУЛИРУЕМЫЕ ФАЗЫ РАСПРЕДВАЛОВ AFT, 82 КВТ, ИЛИ ДВИГАТЕЛЬ БЕНЗИНОВЫЙ, 4 ЦИЛ., 1.8 Л,
1
3
2
X3 Блок предохранителей - Под капотом X3

Внешний вид разъема и ремонт
Доступен вид только с одним разъемом
X1 Блок предохранителей - Под капотом X1

Расположение деталей (узлов) Трехмерная схема жгутов
Внешний вид разъема и ремонт
J272 Жгут проводов системы нагревания, вентиляции и кондиционирования (HVAC)

Электрическая схема Средства управления компрессором ДВИГАТЕЛЬ БЕНЗИНОВЫЙ, 4 ЦИЛ., 1.6 Л, MFI, DOHC, PT-JV, РЕГУЛИРУЕМЫЕ ФАЗЫ РАСПРЕДВАЛОВ AFT, ДЕАКТИВИЗАЦИЯ ПОРТА, ИЛИ ДВИГАТЕЛЬ БЕНЗИНОВЫЙ, 4 ЦИЛ., 1.6 Л, MFI, DOHC, PT-JV, РЕГУЛИРУЕМЫЕ ФАЗЫ РАСПРЕДВАЛОВ AFT, 82 КВТ, ИЛИ ДВИГАТЕЛЬ БЕНЗИНОВЫЙ, 4 ЦИЛ., 1.8 Л,
Электрическая схема Датчики температуры
Слабый опорный сигнал датчика
BK Черный
Сигнал датчика температуры сердечника EVAP
BKGY Черный-Серый
BK Черный
B39 Датчик температуры испарителя кондиционера
B
A
Средства управления компрессором

Средства управления компрессором
Справочные данные по контроллерам

Справочные данные по контроллерам
Средства управления компрессором

Средства управления компрессором
Перечень основных электрических компонентов

Перечень основных электрических компонентов
   


https://vnx.su/ 🛠 Руководства по ремонту и эксплуатации для автомобилей

Поиск по сайту

Остались вопросы или пожелания? Пишите на почту: support@vnx.su

Карта Сайта