Cruze
   
GMDE Start Page Load static TOC Load dynamic TOC Help?
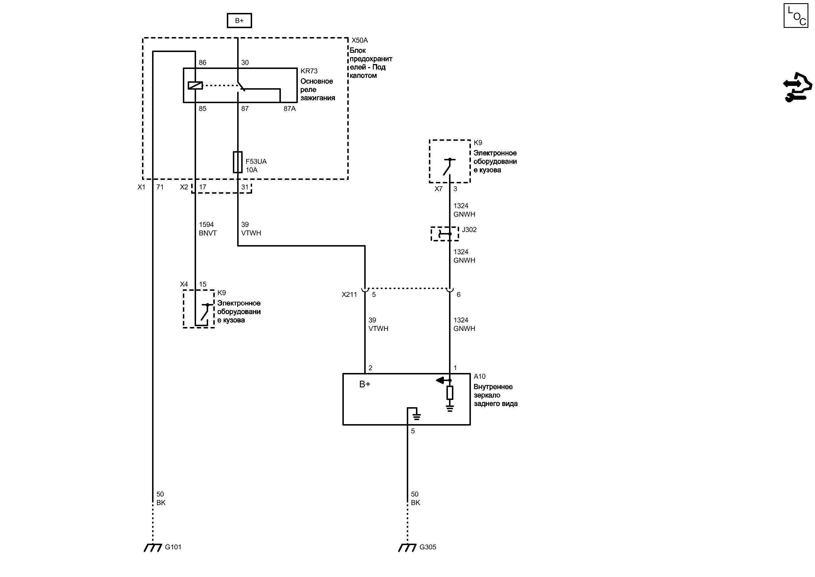
Внутреннее зеркало заднего вида


            |                         |            
2202829RU.png


Display graphic

Display graphic

Компоненты
a10Внутреннее зеркало заднего видаkr73Основное реле зажигания
f53uaПредохранительx50aБлок предохранителей - Под капотом
k9Электронное оборудование кузова
Разъемы
j302Жгут проводов кузоваx50a (x1)Блок предохранителей - Под капотом x1
k9 (x4)Электронное оборудование кузова x4x50a (x2)Блок предохранителей - Под капотом x2
k9 (x7)Электронное оборудование кузова x7x211Жгут проводов кузова и жгут проводов крыши
Точки соединения с массой
g101Моторный отсек - Передняя часть, слеваg305Передняя стойка, левая
Сокращения
b+Вывод b+
Цветовые коды
bkЧерныйgnwhЗеленый-Белый
bnvtКоричневый-ФиолетовыйvtwhФиолетовый-Белый
5
Масса
BK Черный
G305 Передняя стойка, левая

Расположение деталей (узлов) Трехмерная схема жгутов
Внешний вид разъема и ремонт
Электрическая схема G305
2
Напряжение зажигания
VTWH Фиолетовый-Белый
X211 Жгут проводов кузова и жгут проводов крыши

Расположение деталей (узлов) Трехмерная схема жгутов
Внешний вид разъема и ремонт Вилка
Внешний вид разъема и ремонт Гнездо
5
Вывод B+
Управление фонарем заднего хода
GNWH Зеленый-Белый
6
1
3
X7 Электронное оборудование кузова X7

Расположение деталей (узлов) Трехмерная схема жгутов
VTWH Фиолетовый-Белый
GNWH Зеленый-Белый
J302 Жгут проводов кузова

Электрическая схема Лампы заднего хода
GNWH Зеленый-Белый
86
85
17
X1 Блок предохранителей - Под капотом X1

Расположение деталей (узлов) Трехмерная схема жгутов
Внешний вид разъема и ремонт
X2 Блок предохранителей - Под капотом X2

Внешний вид разъема и ремонт
71
31
F53UA Предохранитель

Электрическая схема Дерево Предохранители F13UA, F16UA, F17UA, F18UA, F20UA, F52UA и F53UA
Электрическая схема Питание Шина B+ UEC (1 из 6)
87A
87
30
Релейное управление зажиганием 3
BNVT Коричневый-Фиолетовый
15
X4 Электронное оборудование кузова X4

Расположение деталей (узлов) Трехмерная схема жгутов
G101 Моторный отсек - Передняя часть, слева

Расположение деталей (узлов) Трехмерная схема жгутов БЕЗ КОЖАНОЙ ОТДЕЛКИ СИДЕНЬЯ (TBD1-GSV)(GMDAT)
Расположение деталей (узлов) Трехмерная схема жгутов ЕВРОПА
Внешний вид разъема и ремонт
Электрическая схема G101
Масса
BK Черный
K9 Электронное оборудование кузова

Расположение деталей (узлов) Трехмерная схема жгутов
X50A Блок предохранителей - Под капотом

Расположение деталей (узлов) Трехмерная схема жгутов
KR73 Основное реле зажигания
K9 Электронное оборудование кузова

Расположение деталей (узлов) Трехмерная схема жгутов
A10 Внутреннее зеркало заднего вида
Управление
Слабый опорный сигнал
B+ (положительное напряжение аккумуляторной батареи)
Сигнал
Управление
Справочные данные по контроллерам

Справочные данные по контроллерам
Перечень основных электрических компонентов

Перечень основных электрических компонентов
   


https://vnx.su/ 🛠 Руководства по ремонту и эксплуатации для автомобилей

Поиск по сайту

Остались вопросы или пожелания? Пишите на почту: support@vnx.su

Карта Сайта