Cruze
   
GMDE Start Page Load static TOC Load dynamic TOC Help?
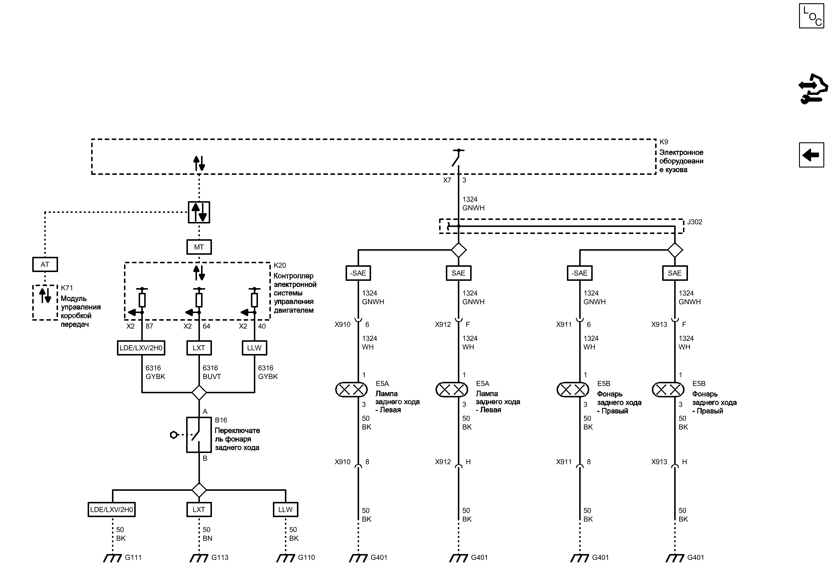
Лампы заднего хода


            |                         |            
2202821RU.png


Display graphic

Display graphic

Компоненты
b16Переключатель фонаря заднего ходаk9Электронное оборудование кузова
e5aЛампа заднего хода - Леваяk20Контроллер электронной системы управления двигателем
e5bФонарь заднего хода - Правыйk71Модуль управления коробкой передач
Разъемы
j302Жгут проводов кузоваx911Жгут проводов кузова и жгут проводов правого заднего фонаря/стоп-сигнала
k9 (x7)Электронное оборудование кузова x7x912Жгут проводов кузова и жгут проводов левого заднего фонаря/стоп-сигнала
k20 (x2)Контроллер электронной системы управления двигателем x2x913Жгут проводов кузова и жгут проводов правого заднего фонаря/стоп-сигнала
x910Жгут проводов кузова и жгут проводов левого заднего фонаря/стоп-сигнала
Точки соединения с массой
g110Двигательg113Двигатель
g111Двигательg401Задняя панель, левая
Сокращения
atАвтоматическая коробка передачlxtГАЗОВЫЙ ДВИГАТЕЛЬ, 4 ЦИЛ., 1.6 Л, MFI, DOHC, 80 кВт (GMDAT)
can-symШина canmtМеханическая коробка передач
lde/lxv/2h0ДВИГАТЕЛЬ БЕНЗИНОВЫЙ, 4 ЦИЛ., 1.6 Л, MFI, DOHC, PT-JV, РЕГУЛИРУЕМЫЕ ФАЗЫ РАСПРЕДВАЛОВ AFT, ДЕАКТИВИЗАЦИЯ ПОРТА, ИЛИ ДВИГАТЕЛЬ БЕНЗИНОВЫЙ, 4 ЦИЛ., 1.6 Л, MFI, DOHC, PT-JV, РЕГУЛИРУЕМЫЕ ФАЗЫ РАСПРЕДВАЛОВ AFT, 82 КВТ, ИЛИ ДВИГАТЕЛЬ БЕНЗИНОВЫЙ, 4 ЦИЛ., 1.8 Л,saeСТРАНЫ - СЕВЕРНАЯ АМЕРИКА
llwДИЗЕЛЬНЫЙ ДВИГАТЕЛЬ, 4 ЦИЛ., L4, 2.0 Л, CRI, SOHC, ТУРБО, 110 кВт-saeСТРАНЫ - КРОМЕ СЕВЕРНОЙ АМЕРИКИ
Цветовые коды
bkЧерныйgnwhЗеленый-Белый
bnКоричневыйgybkСерый-Черный
buvtСиний-ФиолетовыйwhБелый
X7 Электронное оборудование кузова X7

Расположение деталей (узлов) Трехмерная схема жгутов
3
СТРАНЫ - КРОМЕ СЕВЕРНОЙ АМЕРИКИ
GNWH Зеленый-Белый
G401 Задняя панель, левая

Расположение деталей (узлов) Трехмерная схема жгутов
Внешний вид разъема и ремонт
Электрическая схема G401
Масса
BK Черный
G401 Задняя панель, левая

Расположение деталей (узлов) Трехмерная схема жгутов
Внешний вид разъема и ремонт
Электрическая схема G401
Масса
BK Черный
3
1
3
1
СТРАНЫ - СЕВЕРНАЯ АМЕРИКА
GNWH Зеленый-Белый
X910 Жгут проводов кузова и жгут проводов левого заднего фонаря/стоп-сигнала

Расположение деталей (узлов) Трехмерная схема жгутов СТРАНЫ - КРОМЕ СЕВЕРНОЙ АМЕРИКИ
Внешний вид разъема и ремонт Вилка СТРАНЫ - КРОМЕ СЕВЕРНОЙ АМЕРИКИ
Внешний вид разъема и ремонт Гнездо СТРАНЫ - КРОМЕ СЕВЕРНОЙ АМЕРИКИ
6
X912 Жгут проводов кузова и жгут проводов левого заднего фонаря/стоп-сигнала

Расположение деталей (узлов) Трехмерная схема жгутов СТРАНЫ - СЕВЕРНАЯ АМЕРИКА
Внешний вид разъема и ремонт Вилка СТРАНЫ - СЕВЕРНАЯ АМЕРИКА
F
X910 Жгут проводов кузова и жгут проводов левого заднего фонаря/стоп-сигнала

Расположение деталей (узлов) Трехмерная схема жгутов СТРАНЫ - КРОМЕ СЕВЕРНОЙ АМЕРИКИ
Внешний вид разъема и ремонт Вилка СТРАНЫ - КРОМЕ СЕВЕРНОЙ АМЕРИКИ
Внешний вид разъема и ремонт Гнездо СТРАНЫ - КРОМЕ СЕВЕРНОЙ АМЕРИКИ
8
BK Черный
BK Черный
X912 Жгут проводов кузова и жгут проводов левого заднего фонаря/стоп-сигнала

Расположение деталей (узлов) Трехмерная схема жгутов СТРАНЫ - СЕВЕРНАЯ АМЕРИКА
Внешний вид разъема и ремонт Вилка СТРАНЫ - СЕВЕРНАЯ АМЕРИКА
H
G401 Задняя панель, левая

Расположение деталей (узлов) Трехмерная схема жгутов
Внешний вид разъема и ремонт
Электрическая схема G401
Масса
BK Черный
G401 Задняя панель, левая

Расположение деталей (узлов) Трехмерная схема жгутов
Внешний вид разъема и ремонт
Электрическая схема G401
Масса
BK Черный
1
1
BK Черный
X911 Жгут проводов кузова и жгут проводов правого заднего фонаря/стоп-сигнала

Расположение деталей (узлов) Трехмерная схема жгутов СТРАНЫ - КРОМЕ СЕВЕРНОЙ АМЕРИКИ
Внешний вид разъема и ремонт Вилка СТРАНЫ - КРОМЕ СЕВЕРНОЙ АМЕРИКИ
Внешний вид разъема и ремонт Гнездо СТРАНЫ - КРОМЕ СЕВЕРНОЙ АМЕРИКИ
8
3
BK Черный
X913 Жгут проводов кузова и жгут проводов правого заднего фонаря/стоп-сигнала

Внешний вид разъема и ремонт Вилка
Доступен вид только с одним разъемом
H
3
X911 Жгут проводов кузова и жгут проводов правого заднего фонаря/стоп-сигнала

Расположение деталей (узлов) Трехмерная схема жгутов СТРАНЫ - КРОМЕ СЕВЕРНОЙ АМЕРИКИ
Внешний вид разъема и ремонт Вилка СТРАНЫ - КРОМЕ СЕВЕРНОЙ АМЕРИКИ
Внешний вид разъема и ремонт Гнездо СТРАНЫ - КРОМЕ СЕВЕРНОЙ АМЕРИКИ
6
СТРАНЫ - КРОМЕ СЕВЕРНОЙ АМЕРИКИ
GNWH Зеленый-Белый
X913 Жгут проводов кузова и жгут проводов правого заднего фонаря/стоп-сигнала

Внешний вид разъема и ремонт Вилка
Доступен вид только с одним разъемом
F
СТРАНЫ - СЕВЕРНАЯ АМЕРИКА
GNWH Зеленый-Белый
Управление фонарем заднего хода
WH Белый
WH Белый
GNWH Зеленый-Белый
J302 Жгут проводов кузова

Электрическая схема Внутреннее зеркало заднего вида
WH Белый
WH Белый
Шина CAN
87
X2 Контроллер электронной системы управления двигателем X2

Расположение деталей (узлов) Трехмерная схема жгутов СТРАНА - КОРЕЯ ДИЗЕЛЬНЫЙ ДВИГАТЕЛЬ, 4 ЦИЛ., L4, 2.0 Л, CRI, SOHC, ТУРБО, 110 кВт
Расположение деталей (узлов) Трехмерная схема жгутов ГАЗОВЫЙ ДВИГАТЕЛЬ, 4 ЦИЛ., 1.6 Л, MFI, DOHC, 80 кВт (GMDAT)
Расположение деталей (узлов) Трехмерная схема жгутов ДВИГАТЕЛЬ БЕНЗИНОВЫЙ, 4 ЦИЛ., 1.8 Л, MFI, 103 КВТ, DOHC ДВИГАТЕЛЬ БЕНЗИНОВЫЙ, 4 ЦИЛ., 1.6 Л, MFI, DOHC, PT-JV, РЕГУЛИРУЕМЫЕ ФАЗЫ РАСПРЕДВАЛОВ AFT, ДЕАКТИВИЗАЦИЯ ПОРТА ГАЗОВЫЙ ДВИГАТЕЛЬ, 4 ЦИЛ., 1.6 Л, MFI, DOHC, PT-JV, РАСПРЕДВАЛ С ИЗМЕНЯЕМЫМ ФАЗИРОВАНИЕМ, 82 кВт
Внешний вид разъема и ремонт ГАЗОВЫЙ ДВИГАТЕЛЬ, 4 ЦИЛ., 1.6 Л, MFI, DOHC, 80 кВт (GMDAT)
Внешний вид разъема и ремонт ДИЗЕЛЬНЫЙ ДВИГАТЕЛЬ, 4 ЦИЛ., L4, 2.0 Л, CRI, SOHC, ТУРБО, 110 кВт
Внешний вид разъема и ремонт ДВИГАТЕЛЬ БЕНЗИНОВЫЙ, 4 ЦИЛ., 1.6 Л, MFI, DOHC, PT-JV, РЕГУЛИРУЕМЫЕ ФАЗЫ РАСПРЕДВАЛОВ AFT, ДЕАКТИВИЗАЦИЯ ПОРТА, ИЛИ ДВИГАТЕЛЬ БЕНЗИНОВЫЙ, 4 ЦИЛ., 1.6 Л, MFI, DOHC, PT-JV, РЕГУЛИРУЕМЫЕ ФАЗЫ РАСПРЕДВАЛОВ AFT, 82 КВТ, ИЛИ ДВИГАТЕЛЬ БЕНЗИНОВЫЙ, 4 ЦИЛ., 1.8 Л,
B
A
Масса
G113 Двигатель

Электрическая схема G113 и G114
64
X2 Контроллер электронной системы управления двигателем X2

Расположение деталей (узлов) Трехмерная схема жгутов СТРАНА - КОРЕЯ ДИЗЕЛЬНЫЙ ДВИГАТЕЛЬ, 4 ЦИЛ., L4, 2.0 Л, CRI, SOHC, ТУРБО, 110 кВт
Расположение деталей (узлов) Трехмерная схема жгутов ГАЗОВЫЙ ДВИГАТЕЛЬ, 4 ЦИЛ., 1.6 Л, MFI, DOHC, 80 кВт (GMDAT)
Расположение деталей (узлов) Трехмерная схема жгутов ДВИГАТЕЛЬ БЕНЗИНОВЫЙ, 4 ЦИЛ., 1.8 Л, MFI, 103 КВТ, DOHC ДВИГАТЕЛЬ БЕНЗИНОВЫЙ, 4 ЦИЛ., 1.6 Л, MFI, DOHC, PT-JV, РЕГУЛИРУЕМЫЕ ФАЗЫ РАСПРЕДВАЛОВ AFT, ДЕАКТИВИЗАЦИЯ ПОРТА ГАЗОВЫЙ ДВИГАТЕЛЬ, 4 ЦИЛ., 1.6 Л, MFI, DOHC, PT-JV, РАСПРЕДВАЛ С ИЗМЕНЯЕМЫМ ФАЗИРОВАНИЕМ, 82 кВт
Внешний вид разъема и ремонт ГАЗОВЫЙ ДВИГАТЕЛЬ, 4 ЦИЛ., 1.6 Л, MFI, DOHC, 80 кВт (GMDAT)
Внешний вид разъема и ремонт ДИЗЕЛЬНЫЙ ДВИГАТЕЛЬ, 4 ЦИЛ., L4, 2.0 Л, CRI, SOHC, ТУРБО, 110 кВт
Внешний вид разъема и ремонт ДВИГАТЕЛЬ БЕНЗИНОВЫЙ, 4 ЦИЛ., 1.6 Л, MFI, DOHC, PT-JV, РЕГУЛИРУЕМЫЕ ФАЗЫ РАСПРЕДВАЛОВ AFT, ДЕАКТИВИЗАЦИЯ ПОРТА, ИЛИ ДВИГАТЕЛЬ БЕНЗИНОВЫЙ, 4 ЦИЛ., 1.6 Л, MFI, DOHC, PT-JV, РЕГУЛИРУЕМЫЕ ФАЗЫ РАСПРЕДВАЛОВ AFT, 82 КВТ, ИЛИ ДВИГАТЕЛЬ БЕНЗИНОВЫЙ, 4 ЦИЛ., 1.8 Л,
40
X2 Контроллер электронной системы управления двигателем X2

Расположение деталей (узлов) Трехмерная схема жгутов СТРАНА - КОРЕЯ ДИЗЕЛЬНЫЙ ДВИГАТЕЛЬ, 4 ЦИЛ., L4, 2.0 Л, CRI, SOHC, ТУРБО, 110 кВт
Расположение деталей (узлов) Трехмерная схема жгутов ГАЗОВЫЙ ДВИГАТЕЛЬ, 4 ЦИЛ., 1.6 Л, MFI, DOHC, 80 кВт (GMDAT)
Расположение деталей (узлов) Трехмерная схема жгутов ДВИГАТЕЛЬ БЕНЗИНОВЫЙ, 4 ЦИЛ., 1.8 Л, MFI, 103 КВТ, DOHC ДВИГАТЕЛЬ БЕНЗИНОВЫЙ, 4 ЦИЛ., 1.6 Л, MFI, DOHC, PT-JV, РЕГУЛИРУЕМЫЕ ФАЗЫ РАСПРЕДВАЛОВ AFT, ДЕАКТИВИЗАЦИЯ ПОРТА ГАЗОВЫЙ ДВИГАТЕЛЬ, 4 ЦИЛ., 1.6 Л, MFI, DOHC, PT-JV, РАСПРЕДВАЛ С ИЗМЕНЯЕМЫМ ФАЗИРОВАНИЕМ, 82 кВт
Внешний вид разъема и ремонт ГАЗОВЫЙ ДВИГАТЕЛЬ, 4 ЦИЛ., 1.6 Л, MFI, DOHC, 80 кВт (GMDAT)
Внешний вид разъема и ремонт ДИЗЕЛЬНЫЙ ДВИГАТЕЛЬ, 4 ЦИЛ., L4, 2.0 Л, CRI, SOHC, ТУРБО, 110 кВт
Внешний вид разъема и ремонт ДВИГАТЕЛЬ БЕНЗИНОВЫЙ, 4 ЦИЛ., 1.6 Л, MFI, DOHC, PT-JV, РЕГУЛИРУЕМЫЕ ФАЗЫ РАСПРЕДВАЛОВ AFT, ДЕАКТИВИЗАЦИЯ ПОРТА, ИЛИ ДВИГАТЕЛЬ БЕНЗИНОВЫЙ, 4 ЦИЛ., 1.6 Л, MFI, DOHC, PT-JV, РЕГУЛИРУЕМЫЕ ФАЗЫ РАСПРЕДВАЛОВ AFT, 82 КВТ, ИЛИ ДВИГАТЕЛЬ БЕНЗИНОВЫЙ, 4 ЦИЛ., 1.8 Л,
Сигнал переключения задней передачи двигателя
ДИЗЕЛЬНЫЙ ДВИГАТЕЛЬ, 4 ЦИЛ., L4, 2.0 Л, CRI, SOHC, ТУРБО, 110 кВт
GYBK Серый-Черный
ГАЗОВЫЙ ДВИГАТЕЛЬ, 4 ЦИЛ., 1.6 Л, MFI, DOHC, 80 кВт (GMDAT)
BUVT Синий-Фиолетовый
ДИЗЕЛЬНЫЙ ДВИГАТЕЛЬ, 4 ЦИЛ., L4, 2.0 Л, CRI, SOHC, ТУРБО, 110 кВт
BK Черный
ГАЗОВЫЙ ДВИГАТЕЛЬ, 4 ЦИЛ., 1.6 Л, MFI, DOHC, 80 кВт (GMDAT)
BN Коричневый
G111 Двигатель

Внешний вид разъема и ремонт ДВИГАТЕЛЬ БЕНЗИНОВЫЙ, 4 ЦИЛ., 1.6 Л, MFI, DOHC, PT-JV, РЕГУЛИРУЕМЫЕ ФАЗЫ РАСПРЕДВАЛОВ AFT, ДЕАКТИВИЗАЦИЯ ПОРТА, ИЛИ ДВИГАТЕЛЬ БЕНЗИНОВЫЙ, 4 ЦИЛ., 1.6 Л, MFI, DOHC, PT-JV, РЕГУЛИРУЕМЫЕ ФАЗЫ РАСПРЕДВАЛОВ AFT, 82 КВТ, ИЛИ ДВИГАТЕЛЬ БЕНЗИНОВЫЙ, 4 ЦИЛ., 1.8 Л,
Электрическая схема G111 и G112 ДВИГАТЕЛЬ БЕНЗИНОВЫЙ, 4 ЦИЛ., 1.6 Л, MFI, DOHC, PT-JV, РЕГУЛИРУЕМЫЕ ФАЗЫ РАСПРЕДВАЛОВ AFT, ДЕАКТИВИЗАЦИЯ ПОРТА, ИЛИ ДВИГАТЕЛЬ БЕНЗИНОВЫЙ, 4 ЦИЛ., 1.6 Л, MFI, DOHC, PT-JV, РЕГУЛИРУЕМЫЕ ФАЗЫ РАСПРЕДВАЛОВ AFT, 82 КВТ, ИЛИ ДВИГАТЕЛЬ БЕНЗИНОВЫЙ, 4 ЦИЛ., 1.8 Л,
G110 Двигатель

Расположение деталей (узлов) Трехмерная схема жгутов СТРАНА - КОРЕЯ ДИЗЕЛЬНЫЙ ДВИГАТЕЛЬ, 4 ЦИЛ., L4, 2.0 Л, CRI, SOHC, ТУРБО, 110 кВт
Электрическая схема G110 ДИЗЕЛЬНЫЙ ДВИГАТЕЛЬ, 4 ЦИЛ., L4, 2.0 Л, CRI, SOHC, ТУРБО, 110 кВт
Механическая коробка передач
Автоматическая коробка передач
K71 Модуль управления коробкой передач

Расположение деталей (узлов) Трехмерная схема жгутов
B16 Переключатель фонаря заднего хода

Расположение деталей (узлов) Трехмерная схема жгутов ДИЗЕЛЬНЫЙ ДВИГАТЕЛЬ, 4 ЦИЛ., L4, 2.0 Л, CRI, SOHC, ТУРБО, 110 кВт
Внешний вид разъема и ремонт ГАЗОВЫЙ ДВИГАТЕЛЬ, 4 ЦИЛ., 1.6 Л, MFI, DOHC, 80 кВт (GMDAT)
Внешний вид разъема и ремонт ДИЗЕЛЬНЫЙ ДВИГАТЕЛЬ, 4 ЦИЛ., L4, 2.0 Л, CRI, SOHC, ТУРБО, 110 кВт
Внешний вид разъема и ремонт ДВИГАТЕЛЬ БЕНЗИНОВЫЙ, 4 ЦИЛ., 1.6 Л, MFI, DOHC, PT-JV, РЕГУЛИРУЕМЫЕ ФАЗЫ РАСПРЕДВАЛОВ AFT, ДЕАКТИВИЗАЦИЯ ПОРТА, ИЛИ ДВИГАТЕЛЬ БЕНЗИНОВЫЙ, 4 ЦИЛ., 1.6 Л, MFI, DOHC, PT-JV, РЕГУЛИРУЕМЫЕ ФАЗЫ РАСПРЕДВАЛОВ AFT, 82 КВТ, ИЛИ ДВИГАТЕЛЬ БЕНЗИНОВЫЙ, 4 ЦИЛ., 1.8 Л,
K20 Контроллер электронной системы управления двигателем

Расположение деталей (узлов) Трехмерная схема жгутов СТРАНА - КОРЕЯ ДИЗЕЛЬНЫЙ ДВИГАТЕЛЬ, 4 ЦИЛ., L4, 2.0 Л, CRI, SOHC, ТУРБО, 110 кВт
Расположение деталей (узлов) Трехмерная схема жгутов ГАЗОВЫЙ ДВИГАТЕЛЬ, 4 ЦИЛ., 1.6 Л, MFI, DOHC, 80 кВт (GMDAT)
Расположение деталей (узлов) Трехмерная схема жгутов ДВИГАТЕЛЬ БЕНЗИНОВЫЙ, 4 ЦИЛ., 1.8 Л, MFI, 103 КВТ, DOHC ДВИГАТЕЛЬ БЕНЗИНОВЫЙ, 4 ЦИЛ., 1.6 Л, MFI, DOHC, PT-JV, РЕГУЛИРУЕМЫЕ ФАЗЫ РАСПРЕДВАЛОВ AFT, ДЕАКТИВИЗАЦИЯ ПОРТА ГАЗОВЫЙ ДВИГАТЕЛЬ, 4 ЦИЛ., 1.6 Л, MFI, DOHC, PT-JV, РАСПРЕДВАЛ С ИЗМЕНЯЕМЫМ ФАЗИРОВАНИЕМ, 82 кВт
E5B Фонарь заднего хода - Правый

Расположение деталей (узлов) Трехмерная схема жгутов
Внешний вид разъема и ремонт
E5B Фонарь заднего хода - Правый

Расположение деталей (узлов) Трехмерная схема жгутов
Внешний вид разъема и ремонт
E5A Лампа заднего хода - Левая

Расположение деталей (узлов) Трехмерная схема жгутов
Внешний вид разъема и ремонт
E5A Лампа заднего хода - Левая

Расположение деталей (узлов) Трехмерная схема жгутов
Внешний вид разъема и ремонт
K9 Электронное оборудование кузова

Расположение деталей (узлов) Трехмерная схема жгутов
Последовательные данные
Управление
Последовательные данные
Сигнал
Сигнал
Сигнал
Последовательные данные
ДВИГАТЕЛЬ БЕНЗИНОВЫЙ, 4 ЦИЛ., 1.6 Л, MFI, DOHC, PT-JV, РЕГУЛИРУЕМЫЕ ФАЗЫ РАСПРЕД...
GYBK Серый-Черный
ДВИГАТЕЛЬ БЕНЗИНОВЫЙ, 4 ЦИЛ., 1.6 Л, MFI, DOHC, PT-JV, РЕГУЛИРУЕМЫЕ ФАЗЫ РАСПРЕД...
BK Черный
Стоп-сигналы

Стоп-сигналы
Справочные данные по контроллерам

Справочные данные по контроллерам
Перечень основных электрических компонентов

Перечень основных электрических компонентов
   


https://vnx.su/ 🛠 Руководства по ремонту и эксплуатации для автомобилей

Поиск по сайту

Остались вопросы или пожелания? Пишите на почту: support@vnx.su

Карта Сайта