Cruze
   
GMDE Start Page Load static TOC Load dynamic TOC Help?
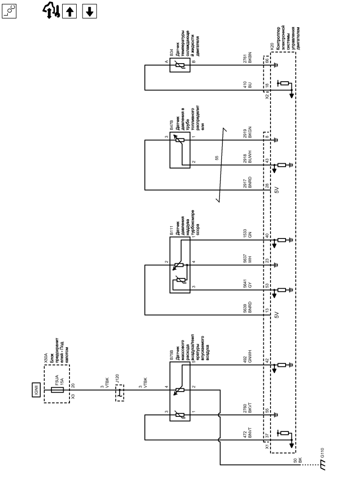
Датчики данных двигателя - массовый расход воздуха (maf), давление и температура


            |                         |            
2202963RU.png


Display graphic

Display graphic

Компоненты
b34Датчик температуры охлаждающей жидкости двигателяf5uaПредохранитель
b47bДатчик давления в трубе топливного распределителяk20Контроллер электронной системы управления двигателем
b75bДатчик массового расхода воздуха/температуры впускаемого воздухаx50aБлок предохранителей - Под капотом
b111Датчик давления наддува турбокомпрессора
Разъемы
j120Жгут проводов двигателяk20 (x2)Контроллер электронной системы управления двигателем x2
k20 (x1)Контроллер электронной системы управления двигателем x1x50a (x3)Блок предохранителей - Под капотом x3
Точки соединения с массой
g110Двигатель
Сокращения
igniiВыключатель зажигания - движение/запуск
Цветовые коды
bkЧерныйbuwhСиний-Белый
bkbnЧерный-КоричневыйgnЗеленый
bkgnЧерный-ЗеленыйgnwhЗеленый-Белый
bkvtЧерный-ФиолетовыйgyСерый
bnrdКоричневый-КрасныйvtbkФиолетовый-Черный
bnvtКоричневый-ФиолетовыйwhБелый
buСиний
Сигнал датчика температуры охлаждающей жидкости двигателя
BU Синий
18
B
A
Слабый опорный сигнал датчика температуры охлаждающей жидкости
BKBN Черный-Коричневый
66
3
4
2
1
Сигнал температуры от датчика давления турбонаддува
GY Серый
53
Опорный сигнал 5 вольт от датчика давления турбонаддува
BNRD Коричневый-Красный
13
Сигнал выбора наружного зеркала заднего вида
WH Белый
23
Сигнал датчика давления турбонаддува
GN Зеленый
40
2
1
3
Опорный сигнал (5) вольт от датчика давления в трубе топливного распределителя
BNRD Коричневый-Красный
28
Сигнал датчика давления в трубе топливного распределителя
BUWH Синий-Белый
43
Слабый опорный сигнал датчика давления в трубе топливного распределителя
BKGN Черный-Зеленый
8
X1 Контроллер электронной системы управления двигателем X1

Расположение деталей (узлов) Трехмерная схема жгутов СТРАНА - КОРЕЯ ДИЗЕЛЬНЫЙ ДВИГАТЕЛЬ, 4 ЦИЛ., L4, 2.0 Л, CRI, SOHC, ТУРБО, 110 кВт
Имеется только одно место для компонента
1
2
3
4
5
Слабый опорный сигнал датчика температуры впускаемого воздуха
BKVT Черный-Фиолетовый
55
Сигнал датчика температуры впускаемого воздуха
BNVT Коричневый-Фиолетовый
37
Масса
BK Черный
G110 Двигатель

Расположение деталей (узлов) Трехмерная схема жгутов СТРАНА - КОРЕЯ ДИЗЕЛЬНЫЙ ДВИГАТЕЛЬ, 4 ЦИЛ., L4, 2.0 Л, CRI, SOHC, ТУРБО, 110 кВт
Электрическая схема G110 ДИЗЕЛЬНЫЙ ДВИГАТЕЛЬ, 4 ЦИЛ., L4, 2.0 Л, CRI, SOHC, ТУРБО, 110 кВт
Сигнал датчика массового расхода воздуха
GNWH Зеленый-Белый
42
Напряжение зажигания
VTBK Фиолетовый-Черный
X3 Блок предохранителей - Под капотом X3

Внешний вид разъема и ремонт
Доступен вид только с одним разъемом
20
F5UA Предохранитель

Электрическая схема Дерево Предохранители F5UA, F54UA и F57UA
Электрическая схема Питание Шина B+ UEC (1 из 6)
Выключатель зажигания - движение/запуск
J120 Жгут проводов двигателя

Электрическая схема Запуск и зарядка ДИЗЕЛЬНЫЙ ДВИГАТЕЛЬ, 4 ЦИЛ., L4, 2.0 Л, CRI, SOHC, ТУРБО, 110 кВт
Электрическая схема Питание, масса и последовательные данные
Электрическая схема Питание, масса, последовательные данные и лампа неисправности (MIL) ДИЗЕЛЬНЫЙ ДВИГАТЕЛЬ, 4 ЦИЛ., L4, 2.0 Л, CRI, SOHC, ТУРБО, 110 кВт
Электрическая схема Переключатели и датчики
VTBK Фиолетовый-Черный
X2 Контроллер электронной системы управления двигателем X2

Расположение деталей (узлов) Трехмерная схема жгутов СТРАНА - КОРЕЯ ДИЗЕЛЬНЫЙ ДВИГАТЕЛЬ, 4 ЦИЛ., L4, 2.0 Л, CRI, SOHC, ТУРБО, 110 кВт
Внешний вид разъема и ремонт ДИЗЕЛЬНЫЙ ДВИГАТЕЛЬ, 4 ЦИЛ., L4, 2.0 Л, CRI, SOHC, ТУРБО, 110 кВт
Опорный сигнал 5 вольт
Слабый опорный сигнал
Сигнал
Слабый опорный сигнал
Сигнал
Опорный сигнал 5 вольт
Сигнал
Слабый опорный сигнал
Сигнал
Сигнал
Слабый опорный сигнал
X50A Блок предохранителей - Под капотом

Расположение деталей (узлов) Трехмерная схема жгутов
B75B Датчик массового расхода воздуха/температуры впускаемого воздуха

Расположение деталей (узлов) Трехмерная схема жгутов СТРАНА - КОРЕЯ ДИЗЕЛЬНЫЙ ДВИГАТЕЛЬ, 4 ЦИЛ., L4, 2.0 Л, CRI, SOHC, ТУРБО, 110 кВт
Внешний вид разъема и ремонт ДИЗЕЛЬНЫЙ ДВИГАТЕЛЬ, 4 ЦИЛ., L4, 2.0 Л, CRI, SOHC, ТУРБО, 110 кВт
B47B Датчик давления в трубе топливного распределителя

Расположение деталей (узлов) Трехмерная схема жгутов ДИЗЕЛЬНЫЙ ДВИГАТЕЛЬ, 4 ЦИЛ., L4, 2.0 Л, CRI, SOHC, ТУРБО, 110 кВт
Внешний вид разъема и ремонт ДИЗЕЛЬНЫЙ ДВИГАТЕЛЬ, 4 ЦИЛ., L4, 2.0 Л, CRI, SOHC, ТУРБО, 110 кВт
B111 Датчик давления наддува турбокомпрессора

Расположение деталей (узлов) Трехмерная схема жгутов ДИЗЕЛЬНЫЙ ДВИГАТЕЛЬ, 4 ЦИЛ., L4, 2.0 Л, CRI, SOHC, ТУРБО, 110 кВт
Внешний вид разъема и ремонт ДИЗЕЛЬНЫЙ ДВИГАТЕЛЬ, 4 ЦИЛ., L4, 2.0 Л, CRI, SOHC, ТУРБО, 110 кВт
B34 Датчик температуры охлаждающей жидкости двигателя

Расположение деталей (узлов) Трехмерная схема жгутов ДИЗЕЛЬНЫЙ ДВИГАТЕЛЬ, 4 ЦИЛ., L4, 2.0 Л, CRI, SOHC, ТУРБО, 110 кВт
Внешний вид разъема и ремонт ДИЗЕЛЬНЫЙ ДВИГАТЕЛЬ, 4 ЦИЛ., L4, 2.0 Л, CRI, SOHC, ТУРБО, 110 кВт
K20 Контроллер электронной системы управления двигателем

Расположение деталей (узлов) Трехмерная схема жгутов СТРАНА - КОРЕЯ ДИЗЕЛЬНЫЙ ДВИГАТЕЛЬ, 4 ЦИЛ., L4, 2.0 Л, CRI, SOHC, ТУРБО, 110 кВт
Имеется только одно место для компонента
Сигнал
Питание, масса, последовательные данные и лампа неисправности (MIL)

Питание, масса, последовательные данные и лампа неисправности (MIL)
Справочные данные по контроллерам

Справочные данные по контроллерам
Датчики данных двигателя - средства управления дроссельной заслонкой

Датчики данных двигателя - средства управления дроссельной заслонкой
Перечень основных электрических компонентов

Перечень основных электрических компонентов
   


https://vnx.su/ 🛠 Руководства по ремонту и эксплуатации для автомобилей

Поиск по сайту

Остались вопросы или пожелания? Пишите на почту: support@vnx.su

Карта Сайта