Cruze
   
GMDE Start Page Load static TOC Load dynamic TOC Help?
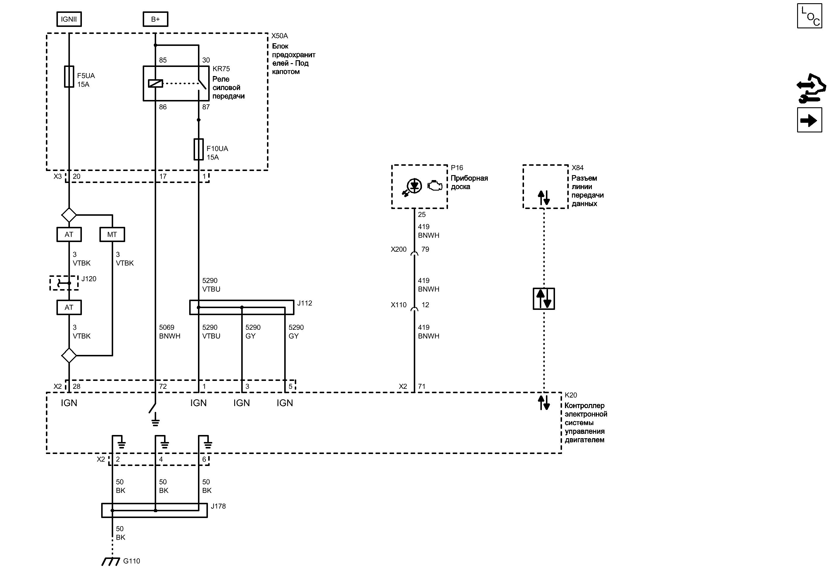
Питание, масса, последовательные данные и лампа неисправности (mil)


            |                         |            
2202958RU.png


Display graphic

Display graphic

Компоненты
f5uaПредохранительp16Приборная доска
f10uaПредохранительx50aБлок предохранителей - Под капотом
k20Контроллер электронной системы управления двигателемx84Разъем линии передачи данных
kr75Реле силовой передачи
Разъемы
j112Жгут проводов двигателяx50a (x3)Блок предохранителей - Под капотом x3
j120Жгут проводов двигателяx110Жгут проводов кузова и жгут проводов двигателя
j178Жгут проводов двигателяx200Жгут проводов кузова и жгут проводов панели приборов
k20 (x2)Контроллер электронной системы управления двигателем x2
Точки соединения с массой
g110Двигатель
Сокращения
atАвтоматическая коробка передачigniiВыключатель зажигания - движение/запуск
b+Вывод b+mtМеханическая коробка передач
hscanВысокоскоростная шина can
Цветовые коды
bkЧерныйvtbkФиолетовый-Черный
bnwhКоричневый\БелыйvtbuФиолетовый-Синий
gyСерый
X2 Контроллер электронной системы управления двигателем X2

Расположение деталей (узлов) Трехмерная схема жгутов СТРАНА - КОРЕЯ ДИЗЕЛЬНЫЙ ДВИГАТЕЛЬ, 4 ЦИЛ., L4, 2.0 Л, CRI, SOHC, ТУРБО, 110 кВт
Внешний вид разъема и ремонт ДИЗЕЛЬНЫЙ ДВИГАТЕЛЬ, 4 ЦИЛ., L4, 2.0 Л, CRI, SOHC, ТУРБО, 110 кВт
2
17
X3 Блок предохранителей - Под капотом X3

Внешний вид разъема и ремонт
Доступен вид только с одним разъемом
1
F10UA Предохранитель

Электрическая схема Дерево Предохранители F8UA и F10UA
Электрическая схема Питание Шина B+ UEC (2 из 6)
Управление катушкой главного реле двигателя
BNWH Коричневый\Белый
X2 Контроллер электронной системы управления двигателем X2

Расположение деталей (узлов) Трехмерная схема жгутов СТРАНА - КОРЕЯ ДИЗЕЛЬНЫЙ ДВИГАТЕЛЬ, 4 ЦИЛ., L4, 2.0 Л, CRI, SOHC, ТУРБО, 110 кВт
Внешний вид разъема и ремонт ДИЗЕЛЬНЫЙ ДВИГАТЕЛЬ, 4 ЦИЛ., L4, 2.0 Л, CRI, SOHC, ТУРБО, 110 кВт
72
Силовая передача - главное реле, защищенное плавким предохранителем (1)
VTBU Фиолетовый-Синий
3
F5UA Предохранитель

Электрическая схема Дерево Предохранители F5UA, F54UA и F57UA
Электрическая схема Питание Шина B+ UEC (1 из 6)
Напряжение зажигания
28
20
Вывод B+
Выключатель зажигания - движение/запуск
Высокоскоростная шина CAN
Масса
BK Черный
4
BK Черный
BK Черный
6
J178 Жгут проводов двигателя
BK Черный
G110 Двигатель

Расположение деталей (узлов) Трехмерная схема жгутов СТРАНА - КОРЕЯ ДИЗЕЛЬНЫЙ ДВИГАТЕЛЬ, 4 ЦИЛ., L4, 2.0 Л, CRI, SOHC, ТУРБО, 110 кВт
Электрическая схема G110 ДИЗЕЛЬНЫЙ ДВИГАТЕЛЬ, 4 ЦИЛ., L4, 2.0 Л, CRI, SOHC, ТУРБО, 110 кВт
J120 Жгут проводов двигателя

Электрическая схема Датчики данных двигателя - массовый расход воздуха (MAF), давление и температура ДИЗЕЛЬНЫЙ ДВИГАТЕЛЬ, 4 ЦИЛ., L4, 2.0 Л, CRI, SOHC, ТУРБО, 110 кВт
Электрическая схема Запуск и зарядка ДИЗЕЛЬНЫЙ ДВИГАТЕЛЬ, 4 ЦИЛ., L4, 2.0 Л, CRI, SOHC, ТУРБО, 110 кВт
Электрическая схема Питание, масса и последовательные данные
Электрическая схема Переключатели и датчики
J112 Жгут проводов двигателя

Электрическая схема Переключатели и датчики
5
GY Серый
GY Серый
VTBU Фиолетовый-Синий
1
Автоматическая коробка передач
VTBK Фиолетовый-Черный
Механическая коробка передач
VTBK Фиолетовый-Черный
Автоматическая коробка передач
VTBK Фиолетовый-Черный
30
85
86
87
Последовательные данные
Управление
Зажигание
Зажигание
Зажигание
Зажигание
Последовательные данные
KR75 Реле силовой передачи
X84 Разъем линии передачи данных

Расположение деталей (узлов) Трехмерная схема жгутов
Расположение деталей (узлов) Трехмерная схема жгутов Левостороннее управление
Внешний вид разъема и ремонт
X50A Блок предохранителей - Под капотом

Расположение деталей (узлов) Трехмерная схема жгутов
K20 Контроллер электронной системы управления двигателем

Расположение деталей (узлов) Трехмерная схема жгутов СТРАНА - КОРЕЯ ДИЗЕЛЬНЫЙ ДВИГАТЕЛЬ, 4 ЦИЛ., L4, 2.0 Л, CRI, SOHC, ТУРБО, 110 кВт
Имеется только одно место для компонента
Слабый опорный сигнал
Слабый опорный сигнал
Слабый опорный сигнал
P16 Приборная доска
X110 Жгут проводов кузова и жгут проводов двигателя

Внешний вид разъема и ремонт Вилка ДИЗЕЛЬНЫЙ ДВИГАТЕЛЬ, 4 ЦИЛ., L4, 2.0 Л, CRI, SOHC, ТУРБО, 110 кВт
Внешний вид разъема и ремонт Гнездо
12
Управление индикатором проверки двигателя
BNWH Коричневый\Белый
BNWH Коричневый\Белый
X200 Жгут проводов кузова и жгут проводов панели приборов

Расположение деталей (узлов) Трехмерная схема жгутов
Внешний вид разъема и ремонт Вилка
Внешний вид разъема и ремонт Гнездо
79
BNWH Коричневый\Белый
25
X2 Контроллер электронной системы управления двигателем X2

Расположение деталей (узлов) Трехмерная схема жгутов СТРАНА - КОРЕЯ ДИЗЕЛЬНЫЙ ДВИГАТЕЛЬ, 4 ЦИЛ., L4, 2.0 Л, CRI, SOHC, ТУРБО, 110 кВт
Внешний вид разъема и ремонт ДИЗЕЛЬНЫЙ ДВИГАТЕЛЬ, 4 ЦИЛ., L4, 2.0 Л, CRI, SOHC, ТУРБО, 110 кВт
71
Справочные данные по контроллерам

Справочные данные по контроллерам
Датчики данных двигателя - массовый расход воздуха (MAF), давление и температура...

Датчики данных двигателя - массовый расход воздуха (MAF), давление и температура
Перечень основных электрических компонентов

Перечень основных электрических компонентов
   


https://vnx.su/ 🛠 Руководства по ремонту и эксплуатации для автомобилей

Поиск по сайту

Остались вопросы или пожелания? Пишите на почту: support@vnx.su

Карта Сайта