К началу документа
Aveo
На предыдущую страницу На следующую страницу
Главная страница GMDE Загрузить нединамическое оглавление Загрузить динамическое оглавление Помощь


T8B11C19
Показать иллюстрациюПеревод текста в иллюстрациях


клапанный механизм

Необходимое оборудование

Универсальное приспособление для сжатия пружин клапанов EN-49074
Переходник приспособления для сжатия пружин клапанов EN-49155
Всасывающее устройство KM-845

Процедура снятия

  1. Снимите распределительный вал. Смотри "Ремонт агрегата - распределительный вал" в данном разделе.


  2. T8B11C25
    Показать иллюстрациюПеревод текста в иллюстрациях


    Внимание! Не поцарапайте толкатель клапана. Также не разрешается использование перчаток или интсрументов, за исключением специальных инструментов для техобслуживания.

  3. Снимите толкатель клапана, используя всасывающее устройство(km-845).


  4. T8B52C56
    Показать иллюстрациюПеревод текста в иллюстрациях


  5. Установите универсальное устройство для сжатия пружин клапанов(en-49074) и переходник (en-49155).
  6. Снимите шпонку клапана.


  7. T8B11C23
    Показать иллюстрациюПеревод текста в иллюстрациях


  8. Снимите клапаны, пружины, пружинодержатели и уплотнения.


C7A11C82
Показать иллюстрациюПеревод текста в иллюстрациях


Проверка клапанов

  1. Проверить, нет ли повреждений клапана от головки до упора следующим образом.
  2. Заменить клапан, если появился какой-либо из этих признаков.
  3. Проверьте пружины клапана. Если конец пружины клапана не параллельны, замените пружину клапана.
  4. Проверьте седло механизма поворота клапана на износ или сколы. Замените, если необходима.


  5. K5B11BM6
    Показать иллюстрациюПеревод текста в иллюстрациях


    Примечание: Направляющая клапана неподвижна. Замените головку цилиндров, если она не соответствует спецификации.

  6. Замерьте диаметр штока клапана и внутренний диаметр направляющей клапана. Если он не соответствует спецификации, замените его. См. "Технические характеристики двигателя" в этом разделе.


  7. K5B11BN6
    Показать иллюстрациюПеревод текста в иллюстрациях


  8. Замерьте длину пружины клапана в свободном состоянии. Если он не соответствует спецификации, замените его. См. "Технические характеристики двигателя" в этом разделе.


  9. K5B11BN8
    Показать иллюстрациюПеревод текста в иллюстрациях


  10. Измерьте прямые углы пружины клапана. Если он не соответствует спецификации, замените его. См. "Технические характеристики двигателя" в этом разделе.


T8B11C23
Показать иллюстрациюПеревод текста в иллюстрациях


Процедура установки

  1. Установите пружину клапана, пружинодержатель клапана и уплотнение.


  2. T8B52C56
    Показать иллюстрациюПеревод текста в иллюстрациях


  3. Установите универсальное устройство для сжатия пружин клапанов(en-49074) и переходник (en-49155).
  4. Установите шпонку клапана.


  5. T8B11C25
    Показать иллюстрациюПеревод текста в иллюстрациях


    Внимание! Не поцарапайте толкатель клапана. Также не разрешается использование перчаток или интсрументов, за исключением специальных инструментов для техобслуживания.

  6. Установите толкатель клапана.


  7. T8B11C19
    Показать иллюстрациюПеревод текста в иллюстрациях


  8. Установите распределительный вал. Смотри "Ремонт агрегата - распределительный вал" в данном разделе.


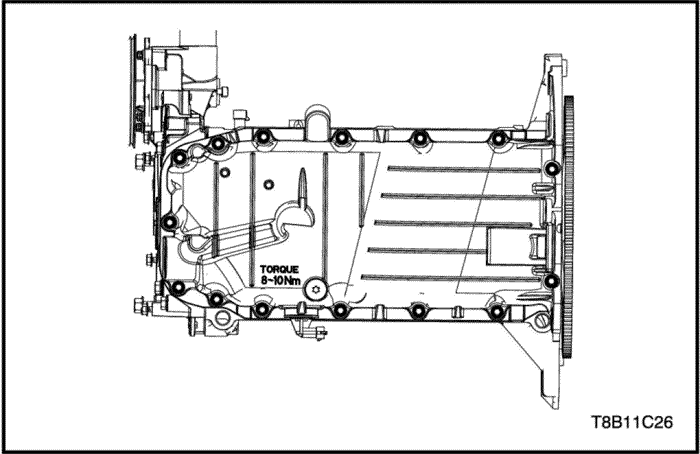
T8B11C26
Показать иллюстрациюПеревод текста в иллюстрациях


Поршень / кольцо / шатун

Необходимое оборудование

Приспособление для установки поршня EN-49153 (только 1,6 л)

Процедура снятия

    Внимание! Проявляйте особую аккуратность, не допуская появления царапин или повреждений на внутренней стороне цилиндра, поршне и подшипниках головки шатуна.

  1. Снимите масляный радиатор двигателя. Смотри "Масляный радиатор" в данном разделе.
  2. Снимите компрессор кондиционирования воздуха. Смотри раздел 7B, "Система отопления, вентиляции и кондиционирования".
  3. Снимите генератор. Смотри раздел 1Е2, Электрооборудование двигателя.
  4. Снимите стартер. Смотри раздел 1Е2, Электрооборудование двигателя.
  5. Снимите масляный поддон. Следуйте пункту "Масляный поддон" в этом разделе.


  6. T8B11C27
    Показать иллюстрациюПеревод текста в иллюстрациях


  7. Снять масляный насос в сборе. Смотри "Масляный насос" в данном разделе.


  8. T8B11C28
    Показать иллюстрациюПеревод текста в иллюстрациях


  9. Снимите гибкую пластину или маховик. Смотри "Гибкая пластина / маховик"в данном разделе.


  10. T8B11C29
    Показать иллюстрациюПеревод текста в иллюстрациях


    Важно: Проверьте и подтвердите последовательность сборки поршня и шатунного подшипника, чтобы не создать помех.

  11. Снимите головку шатуна и винты.
  12. Демонтировать поршень в сборе.


  13. T8B11C30
    Показать иллюстрациюПеревод текста в иллюстрациях


  14. Отделите поршневой палец от поршня.
  15. Отделите кольцо поршня от поршня, используя инструмент для растяжения.


K5B11BP6
Показать иллюстрациюПеревод текста в иллюстрациях


Осмотр

  1. Чистой тряпкой очистите цилиндр изнутри.
  2. Проверьте цилиндр изнутри на наличие повреждений.
  3. Замерьте внутренний диаметр цилиндра. Если он не соответствует спецификации, замените его. См. "Технические характеристики двигателя" в этом разделе.


  4. K5B11BP8
    Показать иллюстрациюПеревод текста в иллюстрациях


  5. Чистой тряпкой очистите поршень.
  6. Замерьте наружный диаметр поршня на уровне 15 мм от низа. Если он не соответствует спецификации, замените его. См. "Технические характеристики двигателя" в этом разделе.


  7. K5B11BP9
    Показать иллюстрациюПеревод текста в иллюстрациях


  8. Замерьте внутренний диаметр цилиндра на уровне 50 мм от поверхности головки цилиндров и зазор поршня на уровне 15 мм от конца юбки поршня. Если он не соответствует спецификации, замените его. См. "Технические характеристики двигателя" в этом разделе.


  9. K5B11BQ0
    Показать иллюстрациюПеревод текста в иллюстрациях


  10. Замерьте зазор канавки поршневого кольца. Если зазор канавки поршневого кольца не соответствует норме, заменить поршень и кольца. См. "Технические характеристики двигателя" в этом разделе.


  11. K5B11BQ1
    Показать иллюстрациюПеревод текста в иллюстрациях


  12. Замерьте зазор поршневого кольца. Если зазор поршневого кольца не соответствует норме, заменить поршневое кольцо. См. "Технические характеристики двигателя" в этом разделе.


  13. K5B11BQ2
    Показать иллюстрациюПеревод текста в иллюстрациях


  14. Замерьте поршневой палец. Если он не соответствует спецификации, замените его. См. "Технические характеристики двигателя" в этом разделе.


  15. T8B52C28
    Показать иллюстрациюПеревод текста в иллюстрациях


  16. Отрежьте пластиковый шаблон (а) такой же длины, как ширина подшипника и поместите на коренной подшипник. Он должен располагаться параллельно с коленчатым валом.
  17. Установите шатунный подшипник и крышки. Затяните их.
  18. Затянуть
    Затяните винты головок шатуна с моментом затяжки 35+45°+15° N•м (25,8+45°+15° фунтов на фут)



    T8B52C29
    Показать иллюстрациюПеревод текста в иллюстрациях


  19. Повторно снимите шатунные подшипники и крышки.
  20. Замерьте масляный зазор вкладыша шатунного подшипника в соответствии с масштабом пластикового шаблона. Если он не соответствует спецификации, замените его. См. "Технические характеристики двигателя" в этом разделе.


T8B11C30
Показать иллюстрациюПеревод текста в иллюстрациях


Процедура установки

    Внимание! Проявляйте особую аккуратность, не допуская появления царапин или повреждений на внутренней стороне цилиндра, поршне и подшипниках головки шатуна.

  1. Установите поршневой палец на поршень.
  2. Установите кольцо поршня на поршень, используя инструмент для растяжения.


  3. C7A52B85
    Показать иллюстрациюПеревод текста в иллюстрациях


    Важно: Проверьте и подтвердите последовательность сборки поршня и шатунного подшипника, чтобы не создать помех.

  4. Установите поршень в сборе, используя приспособление для установки поршня_только 1,6 л(en-49153).
  5. Установите головку шатуна и винты с подшипниками.
  6. Затянуть
    Затяните винты головок шатуна с моментом затяжки 35+45°+15° N•м (25,8+45°+15° фунтов на фут)



    T8B11C28
    Показать иллюстрациюПеревод текста в иллюстрациях


  7. Установите гибкую пластину или маховик. Смотри "Гибкая пластина" или Маховик" в данном разделе.


  8. T8B11C27
    Показать иллюстрациюПеревод текста в иллюстрациях


  9. Установите масляный насос в сборе. Смотри "Масляный насос" в данном разделе.


  10. T8B11C26
    Показать иллюстрациюПеревод текста в иллюстрациях


  11. Установите масляный радиатор двигателя. Смотри "Масляный радиатор" в данном разделе.
  12. Установить компрессор кондиционирования воздуха. Смотри раздел 7B, "Система отопления, вентиляции и кондиционирования".
  13. Установить генератор. Смотри раздел 1Е2, Электрооборудование двигателя.
  14. Установить стартер. Смотри раздел 1Е2, Электрооборудование двигателя.
  15. Установите масляный поддон. Следуйте пункту "Масляный поддон" в этом разделе.


T8B11C31
Показать иллюстрациюПеревод текста в иллюстрациях


Коленчатый вал

Необходимое оборудование

Приспособление для монтажа заднего масляного уплотнения коленчатого вала EN-49204

Процедура снятия

    Внимание! Проявляйте особую аккуратность, не допуская появления царапин, вмятин или повреждений на внутренней стороне цилиндра и подшипников. В противном случае двигатель может быть поврежден.

    Важно: Проверьте и подтвердите последовательность подшипников головок коленчатого вала, чтобы ее не перепутать.

  1. Удалите винты головки коленчатого вала.
  2. Снимите головки коленчатого вала с подшипниками шейки.
  3. Снимите коленчатый вал.
  4. Снимите заднее масляное уплотнение коленчатого вала с оболочкой.
  5. Отделите заднее масляное уплотнение коленчатого вала от корпуса.


T8B11C32
Показать иллюстрациюПеревод текста в иллюстрациях


Осмотр

  1. Измерьте планшетность блока. Если он не соответствует спецификации, замените его. См. "Технические характеристики двигателя" в этом разделе.


  2. K5B11BQ8
    Показать иллюстрациюПеревод текста в иллюстрациях


  3. Измерьте кривизну коленчатого вала (эксцентрик). Если он не соответствует спецификации, замените его. См. "Технические характеристики двигателя" в этом разделе.


  4. C7A52B84
    Показать иллюстрациюПеревод текста в иллюстрациях


  5. Замерьте осевой люфт коленчатого вала. Если он не соответствует спецификации, замените его. См. "Технические характеристики двигателя" в этом разделе.


  6. T8B52C32
    Показать иллюстрациюПеревод текста в иллюстрациях


  7. Отрежьте пластиковый шаблон (а) такой же длины, как ширина подшипника и поместите на коренной подшипник. Он должен располагаться параллельно с коленчатым валом.
  8. Установите подшипник шейки коленчатого вала и крышку.


  9. T8B52C32
    Показать иллюстрациюПеревод текста в иллюстрациях


  10. Повторно снимите шатунный подшипник и крышку.
  11. Замерьте масляный зазор вкладыша шатунного подшипника в соответствии с масштабом пластикового шаблона. Если он не соответствует спецификации, замените его на новый. См. "Технические характеристики двигателя" в этом разделе.


T8B11C31
Показать иллюстрациюПеревод текста в иллюстрациях


Процедура установки

    Внимание! Проявляйте особую аккуратность, не допуская появления царапин, вмятин или повреждений на внутренней стороне цилиндра и подшипников. В противном случае двигатель может быть поврежден.

    Важно: Проверьте и подтвердите последовательность подшипников головок коленчатого вала, чтобы ее не перепутать.

  1. Нанесите покрытие / смазку на коленчатый вал и подшипники.
  2. Последовательно установите коленчатый вал с подшипниками.
  3. Установите головки коленчатого вала с подшипниками шейки.
  4. Затянуть
    Затяните винты головок коленчатого вала с моментом затяжки 50+50° N•м (36,8+50° фунтов на фут).



    T8B11C94
    Показать иллюстрациюПеревод текста в иллюстрациях


  5. Прикрепите заднее масляное уплотнение коленчатого вала к корпусу.
  6. Установите заднее масляное уплотнение коленчатого вала с корпусом, используя приспособление для установки заднего масляного уплотнения коленчатого вала(en-49204).


На предыдущую страницу На следующую страницу
https://vnx.su/ 🛠 Руководства по ремонту и эксплуатации для автомобилей

Поиск по сайту

Остались вопросы или пожелания? Пишите на почту: support@vnx.su

Карта Сайта