К началу документа
Aveo
На предыдущую страницу На следующую страницу
Главная страница GMDE Загрузить нединамическое оглавление Загрузить динамическое оглавление Помощь

ОБЩЕЕ ОПИСАНИЕ И РАБОТА СИСТЕМЫ

Впускной и выпускной коллекторы


T8B11C33
Показать иллюстрациюПеревод текста в иллюстрациях


Впускной коллектор представляет собой канал для воздушного потока в камеру сгорания цилиндра через корпус дроссельной заслонки и оказывает влияние на крутящий момент двигателя, мощность, уровень шума, управляемость автомобиля, выброс вредных веществ, экономию топлива и рабочие характеристики. В целях уменьшения веса он выполнен из полиамида.
Выпускной коллектор с каталитическим нейтрализатором головки цилиндров помещен на головку цилиндров и отправляет к передней выпускной трубе отработавшие газы из камеры сгорания. Он сконструирован так, чтобы выдерживать высокое давление и высокую температуру, и изготавливается из материала нержавеющая сталь.
  1. Впускной коллектор
  2. Клапан pcv
  3. Корпус дроссельной заслонки
  4. Электромагнитный клапан СУПБ
  5. топливная рампа
  6. Выпускной коллектор
  7. Каталитический нейтрализатор

клапанный механизм


T8B11C34
Показать иллюстрациюПеревод текста в иллюстрациях


Данная система клапанного механизма основана на прямом действии. Благодаря вращению кривошипного механизма может быть приведен в действие распределительный вал впускных / выпускных клапанов , данная операция имеет место при каждом открытии / закрытии 2 впускных клапанов / 2 выпускных клапанов. Данная полностью выполненная операция вызывает сгорание в зоне цилиндра. VCP (переменное положение кулачкового вала) используется для регулирования фаз газораспределения.
Благодаря системным характеристикам (прямое действие) толкатель может вступать в непосредственный контакт с профилем кулачка распредвала, каждый отличающийся зазор между толкателем и впускным и выпускным клапанами должен быть сохранен. А данная система клапанного механизма состоит из пружины клапана, уплотнения штока клапана, пружинодержателя клапана и шпонки клапана.
  1. Распределительный вал
  2. Электромагнитный клапан vcp (переменного положения кулачкового вала)
  3. Звездочка распределительного вала
  4. Клапан
  5. Толкатель

Головка цилиндров


T8B11C35
Показать иллюстрациюПеревод текста в иллюстрациях


Данная головка цилиндров используется на типе DOHC (два распределительных вала с верхним расположением), который имеет два распределительных вала, вращаемых силой сгорания и посредством вращения распределительного вала осуществляет сжигание в камере сгорания с 4 работающими (открытыми и закрытыми) клапанами. Нижняя часть головки цилиндров может получить форму крышки (которая называется камерой сгорания) с блоком цилиндров и поршнем. Вследствие этого материал головки цилиндров, из которого состоит камера сгорания, нанесен на алюминиевый сплав, который имеет хорошие характеристики в отношении эффекта охлаждения и устойчивости при защите его от высокой температуры и давления сгорания.
В качестве внутренней части головка цилиндров располагает водяной рубашкой, которая прокладывает путь потоку охлаждающей жидкости и осуществляет охлаждение головки цилиндров. Вследствие того, что головка цилиндров из алюминиевого сплава обладает хорошим эффектом охлаждения, она улучшает коэффициент компрессии и технические характеристики двигателя. Однако для продления срока службы и ее защиты от коррозии, износа и теплового расширения в дополнение к этому монтируется седло клапана из стали.

Коленчатый вал и поршень


T8B11C36
Показать иллюстрациюПеревод текста в иллюстрациях


Коленчатый вал состоит из литейного чугуна, который имеет соответствующую прочность. 5 коренных шеек поддерживаются блоком цилиндров, крышкой подшипника и коренными подшипниками с соответствующим масляным зазором. 3-й коренной подшипник в качестве упорного подшипника формирует осевой зазор коленчатого вала. Монтаж шатуна выполнен на 4 штифтовых шейках, каждая с металлическими подшипниками для смены движения с возвратно-поступательного на вращающееся. С передней стороны имеются демпфирующий шкив для ременного привода и звездочка синхронизации для цепи распределительного механизма. С задней стороны имеется маховик или гибкая пластина для передачи крутящего момента двигателя на коробку передач.
Поршни отливаются из алюминия и имеют гребенчатую конструкцию. У них 2 компрессионных кольца и 1 маслосъемное кольцо, включая направляющие с обеих сторон. Между отверстием под поршневой палец и отверстием для пальца шатуна находится поршневой палец полностью плавающего типа, который закрепляется при помощи фиксаторов на обоих концах.
Шатун и головка шатуна разделены и смонтированы на коленчатый вал с подшипниками.

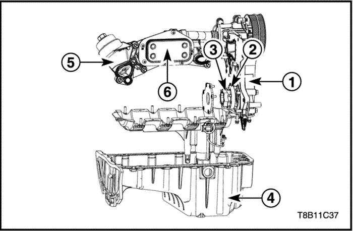
Система смазки


T8B11C37
Показать иллюстрациюПеревод текста в иллюстрациях


Масляный насос закачивает моторное масло из масляного поддона и под давлением подает его к разным частям двигателя.
Масляный фильтр грубой очистки установлен перед впуском в масляный насос, чтобы удалять загрязнения, которые могут засорить или повредить масляный насос или другие компоненты двигателя. При вращении коленчатого вала вращается ведомая шестерня масляного насоса. Это позволяет поддерживать пространство между внутренним ротором и наружным ротором постоянно открытым и достаточно узким для того, чтобы подавать масло из масляного поддона в главный продольный канал блока.
При высоких частотах вращения двигателя масляный насос подает гораздо большее количество масла, чем необходимо для давления смазки двигателя. И тогда предохранительный клапан предотвращает прохождение определенного количества масла в каналы смазки двигателя.
При нормальной подаче масла предохранительный клапан закрыт благодаря силе сжатия цилиндрической пружины, в результате чего все масло доставляется к деталям двигателя. С другой стороны, если расход масла увеличивается, давление масла становится достаточно высоким для преодоления силы сжатия пружины и ее открытия. Последствием является то, что масло возвращается к впуску масляного насоса.
В целях охлаждения моторного масла теплообменник размещен со стороны блока цилиндров двигателя.
  1. Масляный насос (передняя крышка двигателя)
  2. Наружный ротор масляного насоса
  3. Внутренний ротор масляного насоса
  4. Масляный поддон
  5. Масляный радиатор (теплообменник)

Система газораспределения


T8B11C38
Показать иллюстрациюПеревод текста в иллюстрациях


Шкив коленчатого вала в сборе с коленчатым валом посредством цепи распределительного механизма приводит в действие шкивы приводного ремня газораспределительного механизма. Также натяжное устройство содействует натяжению ремня, а направляющий ролик поддерживает приводной ремень газораспределительного механизма благодаря увеличению угла оборота.
  1. Приводной ремень газораспределительного механизма
  2. Натяжитель
  3. Шестерня коленчатого вала
  4. Направляющий ролик
  5. Звездочка распредвала впускных клапанов
  6. Звездочка распредвала выпускных клапанов

Блок цилиндров


T8B11C39
Показать иллюстрациюПеревод текста в иллюстрациях


Блок цилиндров в качестве самой большой детали из компонентов двигателя отливается из чугуна. Многие сопряженные детали монтируются снаружи на блоке цилиндров.
Во внутренней части блока цилиндров двигателя находятся каналы охлаждающей жидкости для охлаждения и смазки.
На внутренней стороне блока цилиндров двигателя отверстие в поверхности помогает поршню вращаться, а также маслоохладительная форсунка, которая смонтирована на картер, способствует охлаждению поршня.
Поверхность отверстия кривошипа способствует вращению коленчатого вала. Также и блок цилиндров располагает крышкой коренного подшипника для поддержки коленчатого вала с нижней стороны.


На предыдущую страницу На следующую страницу
https://vnx.su/ 🛠 Руководства по ремонту и эксплуатации для автомобилей

Поиск по сайту

Остались вопросы или пожелания? Пишите на почту: support@vnx.su

Карта Сайта