To the top of the document
Orlando
   
GMDE Start Page Load static TOC Load dynamic TOC Help?

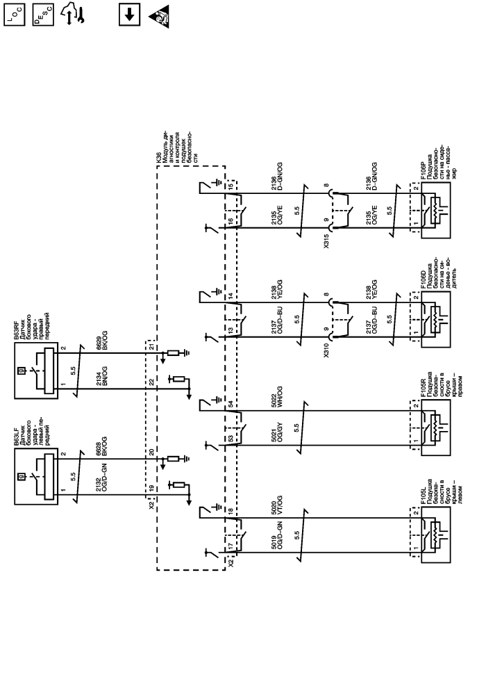
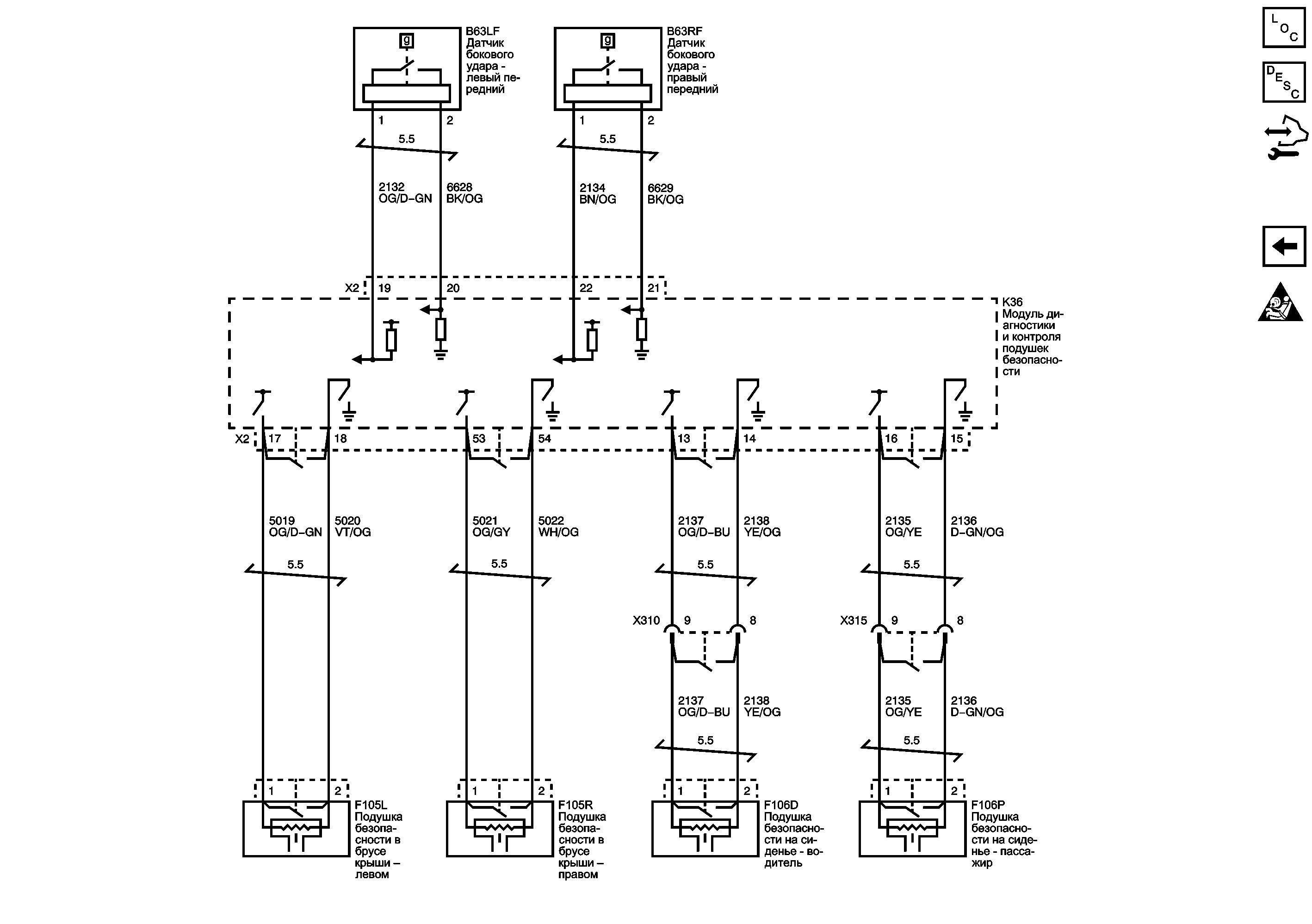
Датчики бокового удара, подушки безопасности сиденья и подушки безопасности в крыше


          
            |                         |            
2565229RU.png

Display graphic

Передние надувные подушки безопасности, датчик лобового столкновения, предварительные натяжители ремней безопасности сидений

   


© copyright chevrolet. All rights reserved