Orlando |
||||||||
|
|
|
|||||||

Вспомогательный нагреватель (C32) и температурный датчик испарителя
Органы управления подачей воздуха и температурой
Шина 5 В и шина низкого опорного сигнала (2 из 2)
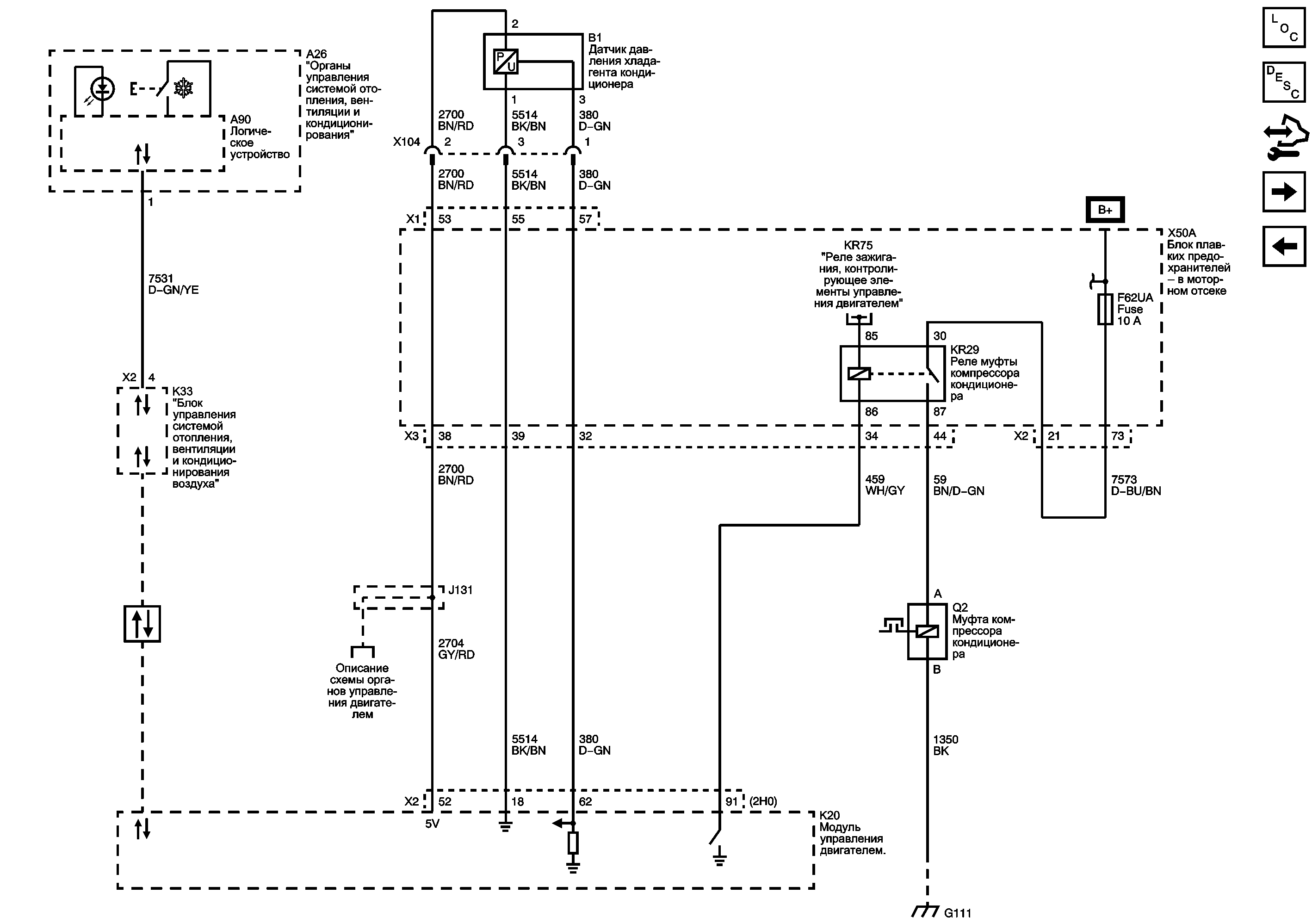
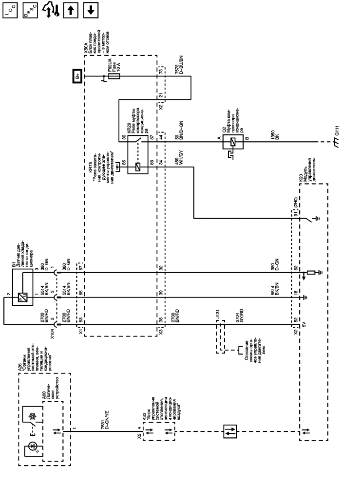
Предохранители F47UA, F59UA и F62UA
| © copyright chevrolet. All rights reserved |