To the top of the document
Orlando
   
GMDE Start Page Load static TOC Load dynamic TOC Help?

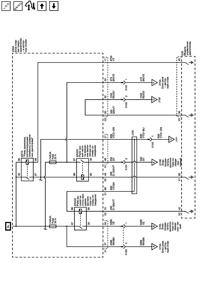
Двойной вентилятор (lnp 1 из 2)


          
            |                         |            
2564534RU.png

Display graphic

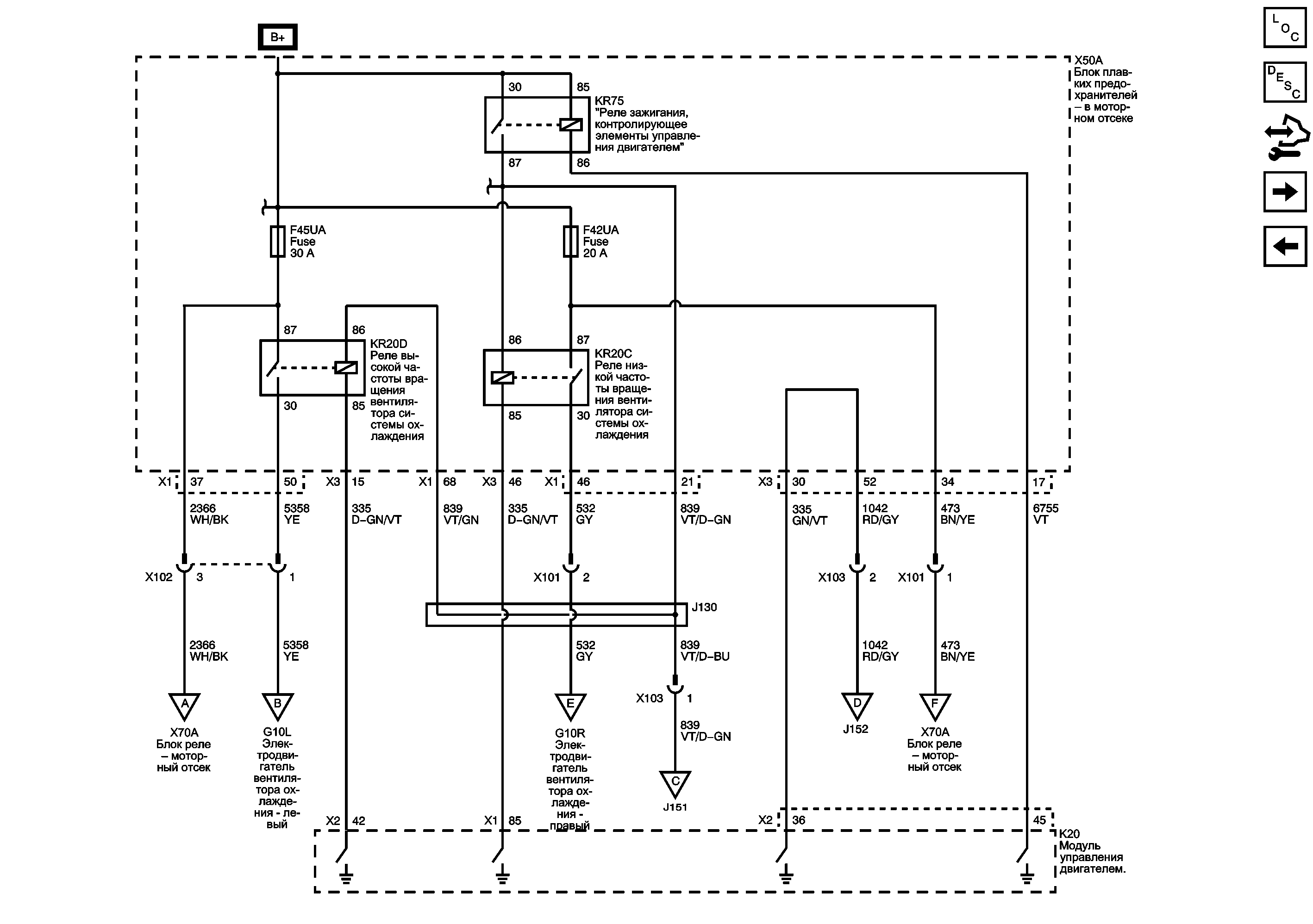
Двойной вентилятор (LNP 2 из 2)

Single Fan (2H0)

Предохранители F42UA и F46UA

Двойной вентилятор (LNP 2 из 2)

G110 (2H0) и G112

   


© copyright chevrolet. All rights reserved