To the top of the document
Orlando
   
GMDE Start Page Load static TOC Load dynamic TOC Help?

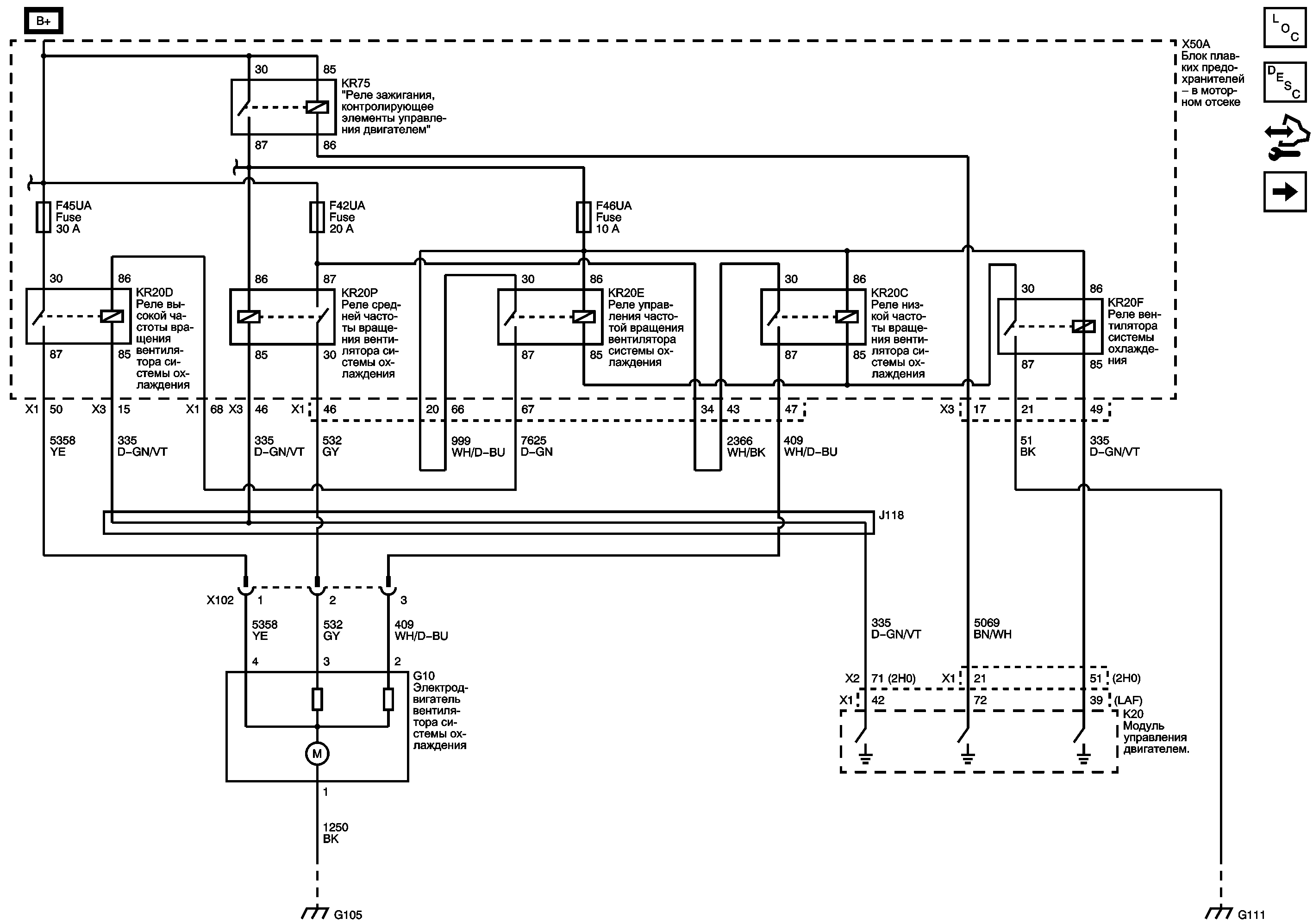
Одиночный вентилятор (2h0)


          
            |                         |            
2564533RU.png

Display graphic

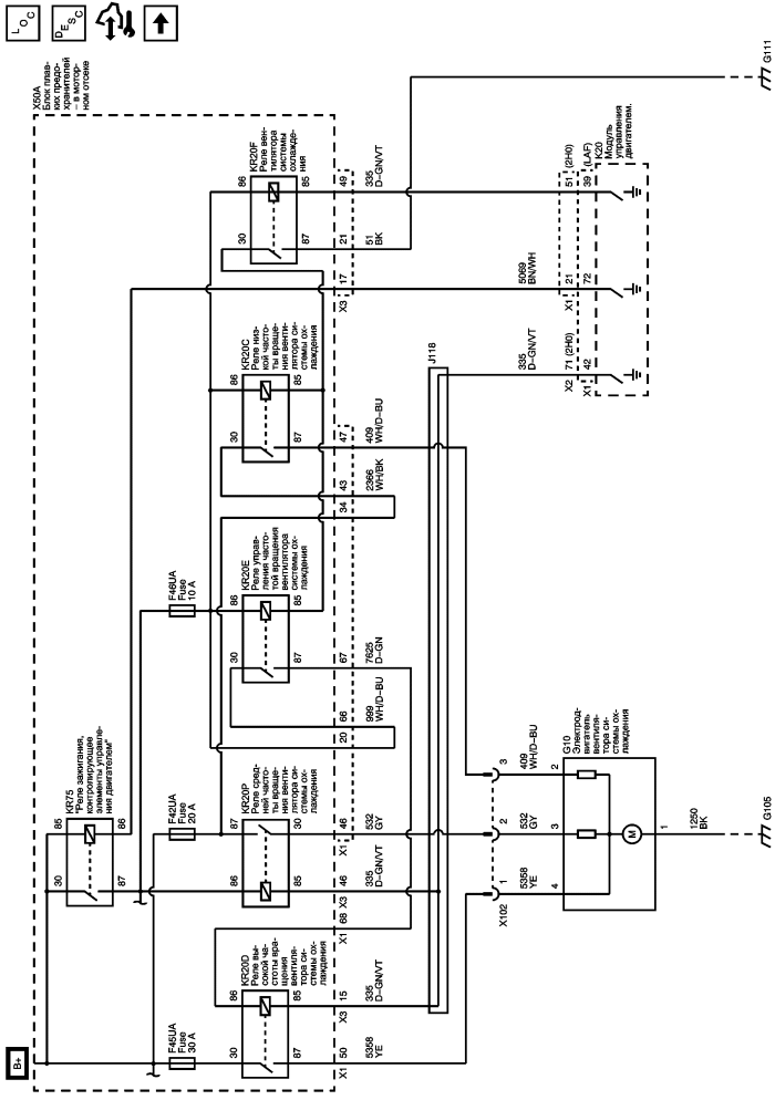
Двойной вентилятор (LNP 1 из 2)

Предохранители F42UA и F46UA

G103, G104 и G105

G110 (2H0) и G112

   


© copyright chevrolet. All rights reserved