To the top of the document
Orlando
   
GMDE Start Page Load static TOC Load dynamic TOC Help?

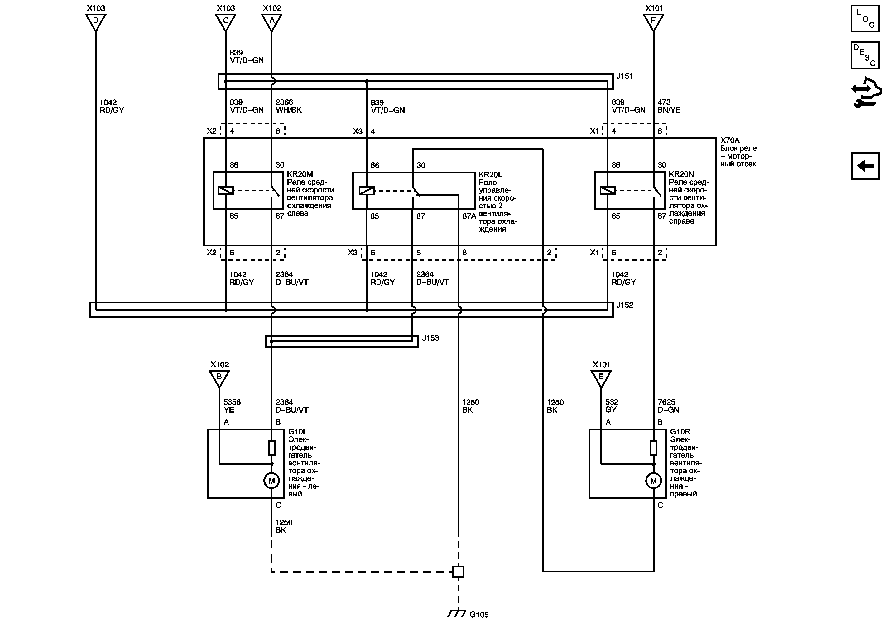
Двойной вентилятор (lnp 2 из 2)


          
            |                         |            
2564535RU.png

Display graphic

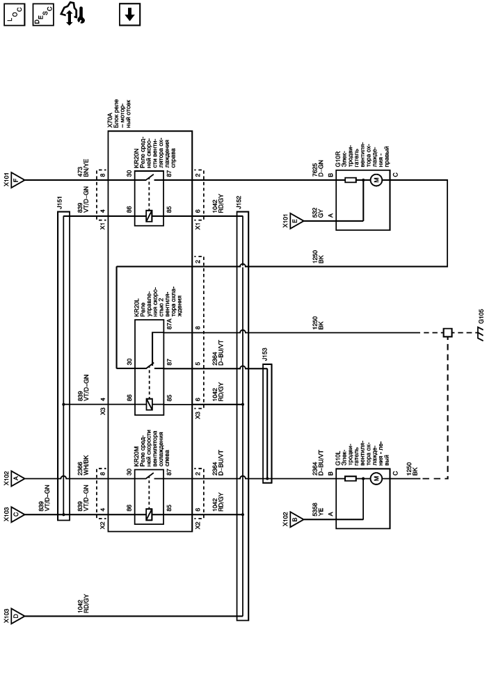
Двойной вентилятор (LNP 1 из 2)

Двойной вентилятор (LNP 1 из 2)

G103, G104 и G105

   


© copyright chevrolet. All rights reserved