Orlando |
||||||||
|
|
|
|||||||

Контролируемые/отслеживаемые обращения к подсистеме
Регуляторы настройки турбокомпрессора, канала выхлопных газов и впускного коллектора
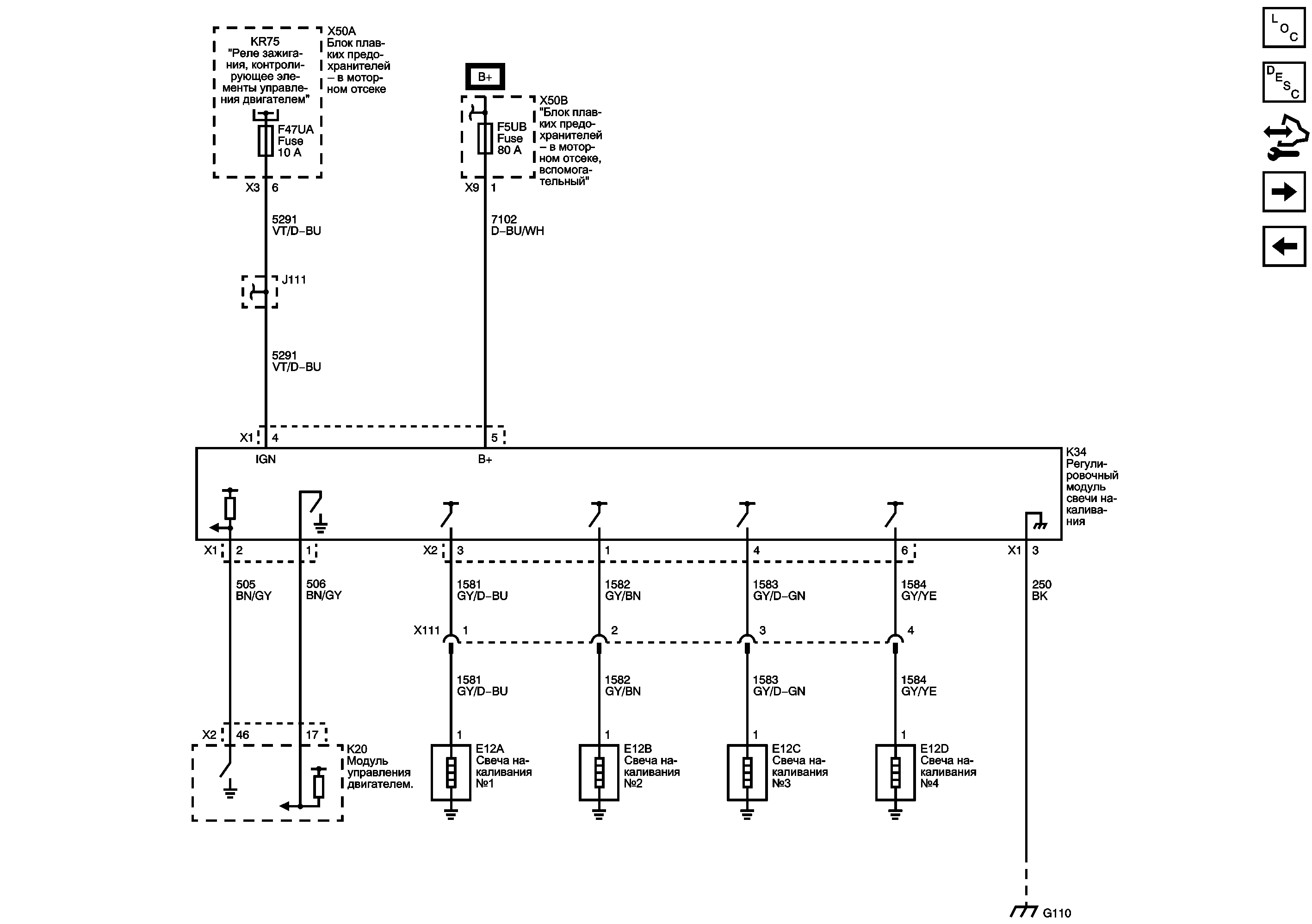
Предохранители F47UA, F59UA и F62UA
Предохранители F24UA, F48UA, F5UB и F6UB
| © copyright chevrolet. All rights reserved |