To the top of the document
Orlando
   
GMDE Start Page Load static TOC Load dynamic TOC Help?

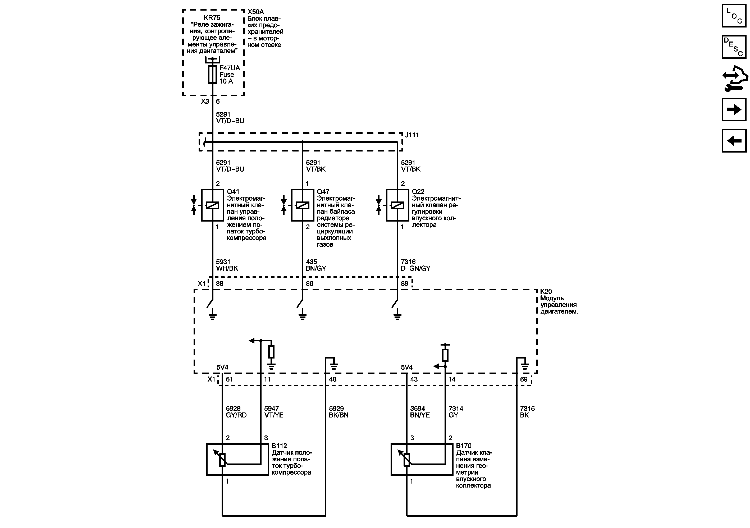
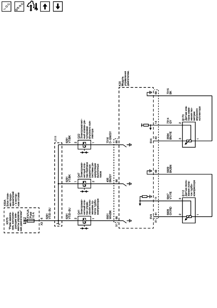
Регуляторы настройки турбокомпрессора, канала выхлопных газов и впускного коллектора


          
            |                         |            
2564528RU.png

Display graphic

Glow Plug Controls

Fuel Controls - Fuel Heater

Ссылки на подсистемы

Предохранители F47UA, F59UA и F62UA

   


© copyright chevrolet. All rights reserved