To the top of the document
Orlando
   
GMDE Start Page Load static TOC Load dynamic TOC Help?

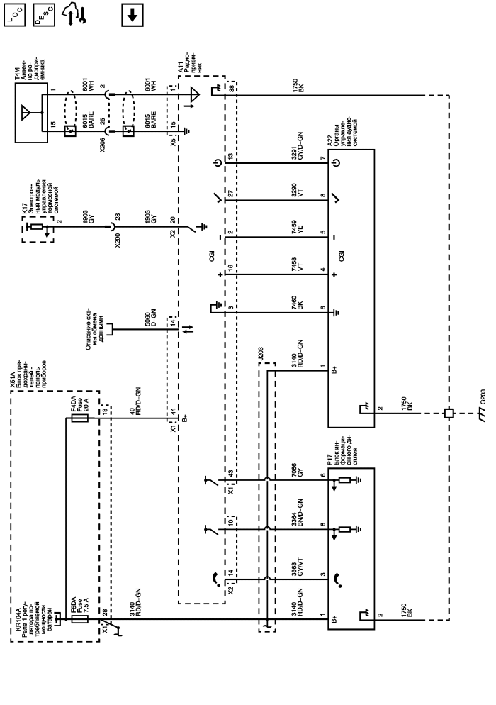
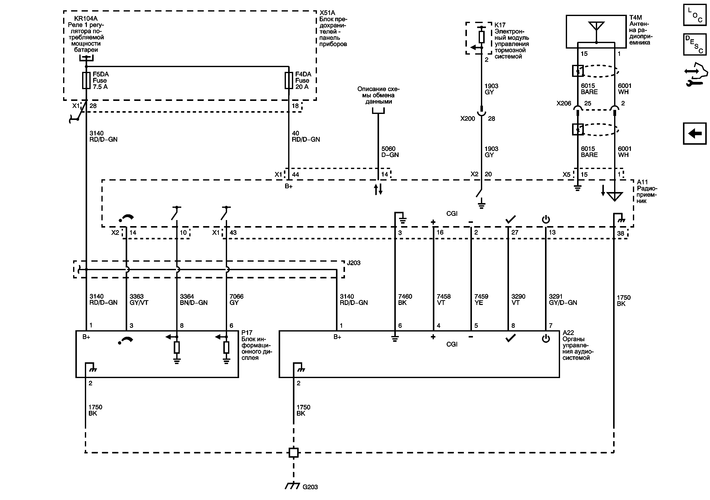
Питание, масса, последовательная передача данных, антенна и дисплей (udk)


          
            |                         |            
2564093RU.png

Display graphic

Speakers

Power, Ground, Serial Data, Antenna, and Display (UAG)

Логистический режим - реле

Предохранители F1DA, F4DA, F5DA, F6DA и F7DA

G203 и G301

   


© copyright chevrolet. All rights reserved