To the top of the document
Orlando
   
GMDE Start Page Load static TOC Load dynamic TOC Help?

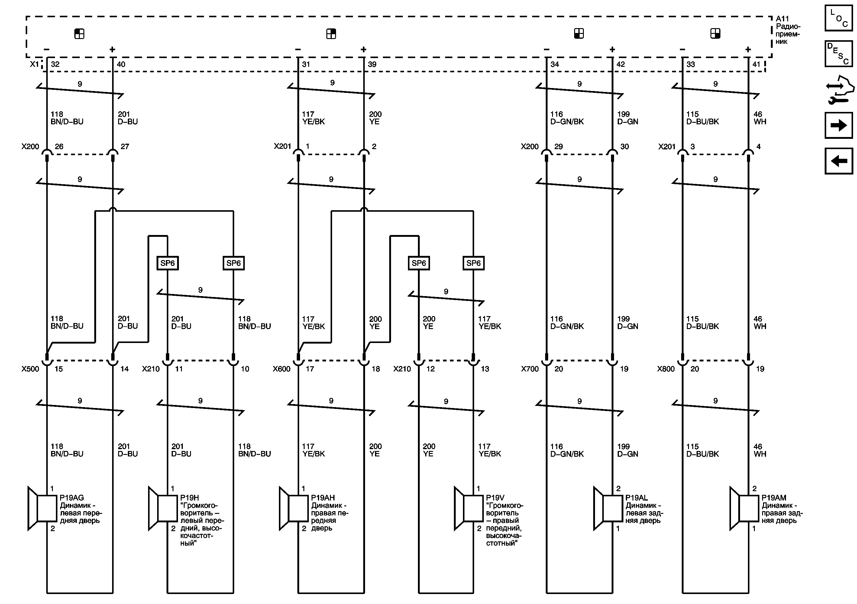
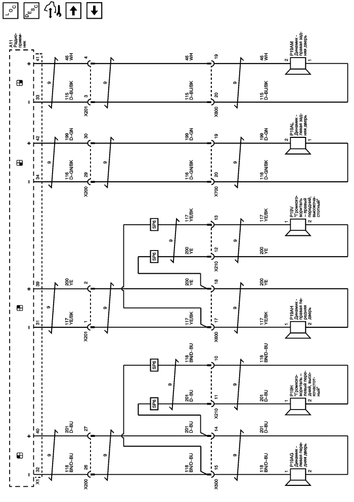
Динамики


          
            |                         |            
2564097RU.png

Display graphic

Интерфейс мультимедийного плеера (КТА)

Power, Ground, Serial Data, Antenna, and Display (UDK)

   


© copyright chevrolet. All rights reserved