To the top of the document
Orlando
   
GMDE Start Page Load static TOC Load dynamic TOC Help?

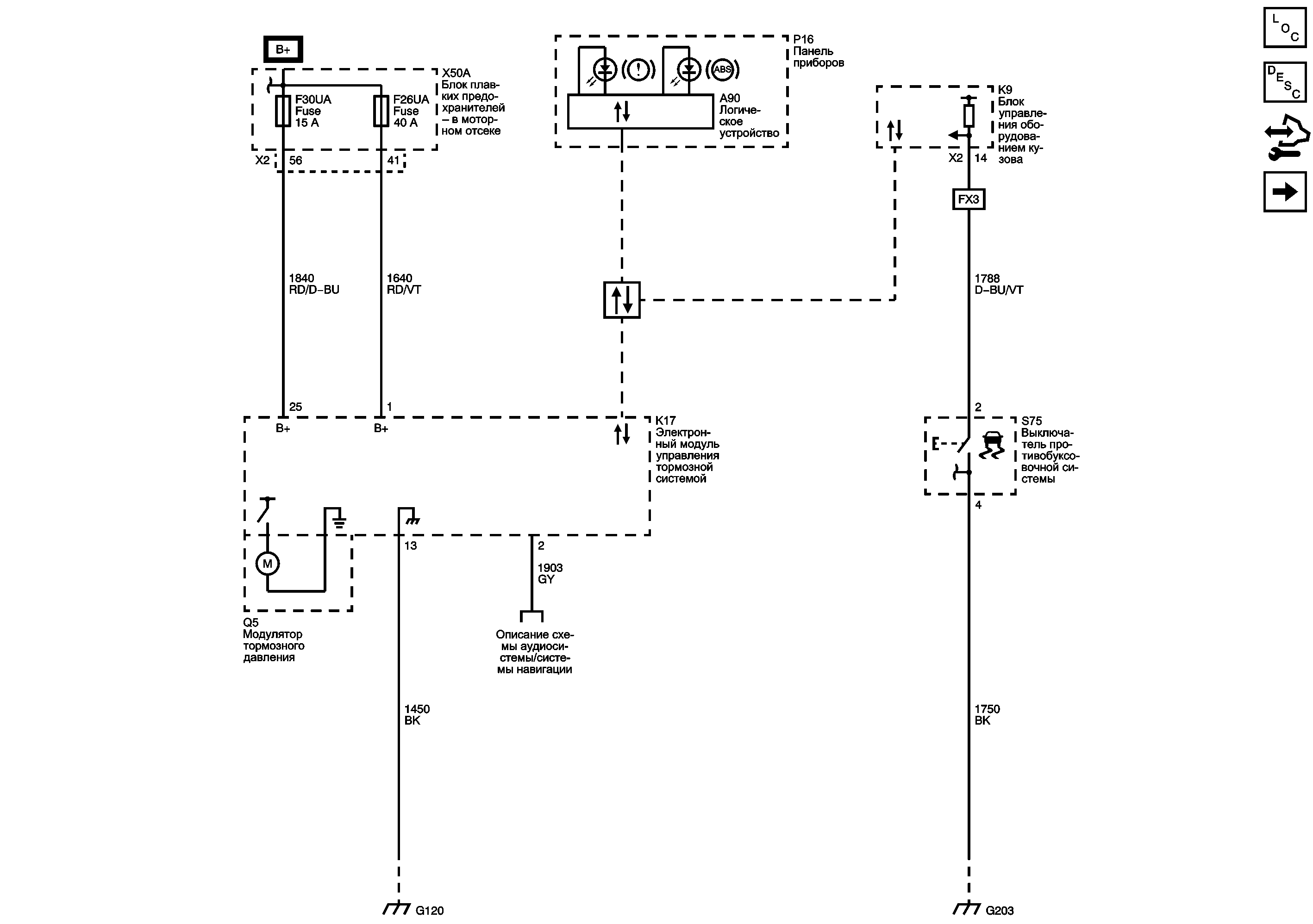
Питание, масса, линия последовательной передачи данных и управление тяговым усилием


          
            |                         |            
2563996RU.png

Display graphic

Датчики скорости вращения колес

Предохранители F1UA, F25UA, F26UA, F30UA, F33UA, F55UA, F64UA и F67UA

Power, Ground, Serial Data, Antenna, and Display (UDK)

G120, G121, G122 и G201

G203 и G301

   


© copyright chevrolet. All rights reserved