To the top of the document
Orlando
   
GMDE Start Page Load static TOC Load dynamic TOC Help?

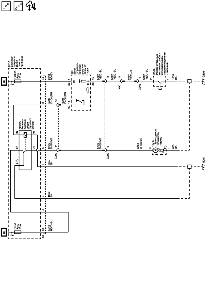
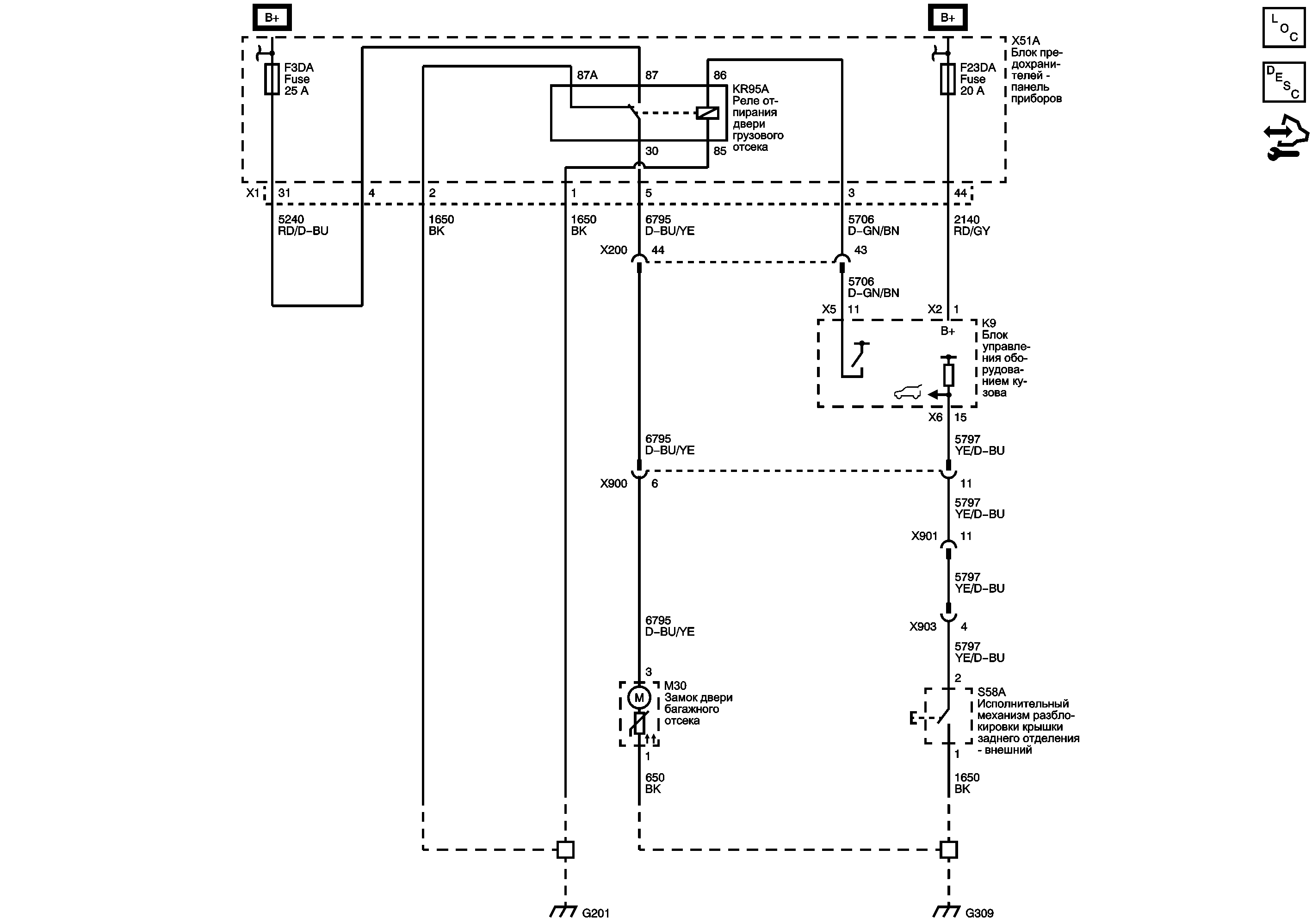
Открывание замка задней откидной двери


          
            |                         |            
2563951RU.png

Display graphic

Предохранители F3DA, F8DA, F9DA, F10DA, F11DA, F16DA, F3UD и F6UD

Предохранители F14DA, F15DA, F17DA, F21DA, F23DA, F24DA и F25DA

G120, G121, G122 и G201

G309

   


© copyright chevrolet. All rights reserved