To the top of the document
Orlando
   
GMDE Start Page Load static TOC Load dynamic TOC Help?

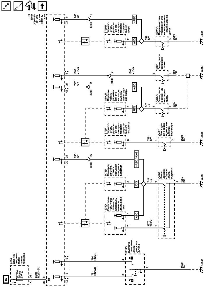
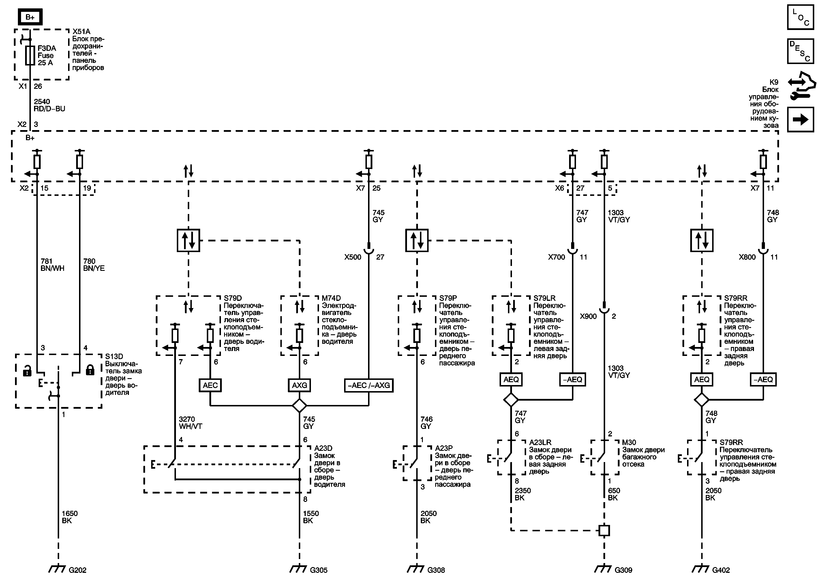
Выключатели


          
            |                         |            
2563901RU.png

Display graphic

Actuators

Предохранители F3DA, F8DA, F9DA, F10DA, F11DA, F16DA, F3UD и F6UD

G202

G204 и G305

G307 и G308

G309

G402

   


© copyright chevrolet. All rights reserved