To the top of the document
Orlando
   
GMDE Start Page Load static TOC Load dynamic TOC Help?

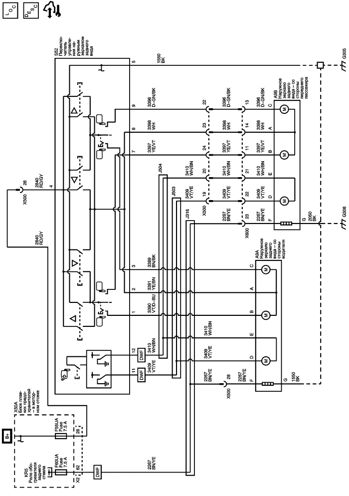
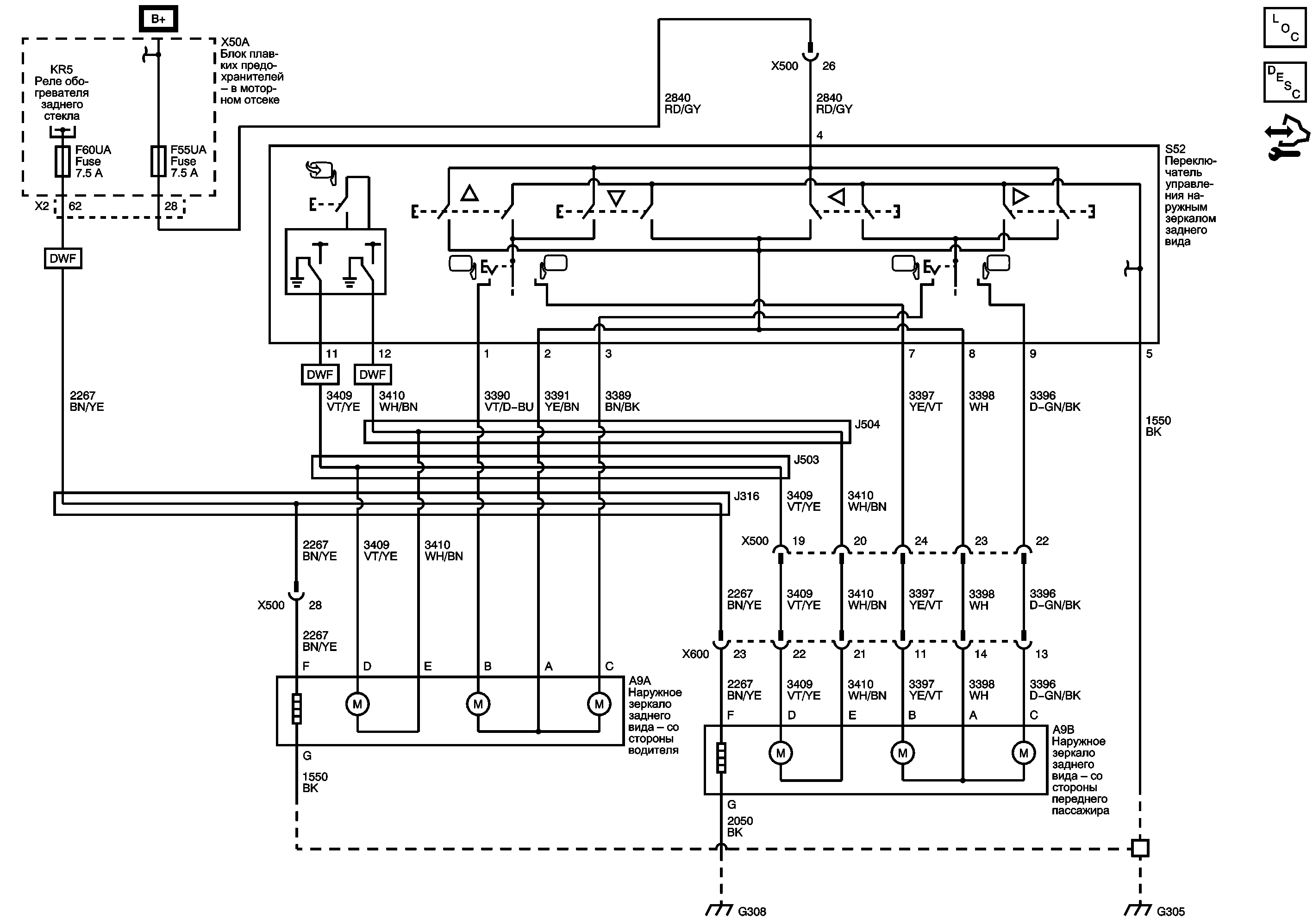
Наружное зеркало заднего вида


          
            |                         |            
2563900RU.png

Display graphic

Rear Window Defogger

Предохранители F28UA, F30UA, F37UA, F51UA, F56UA и F60UA

Предохранители F1UA, F25UA, F26UA, F30UA, F33UA, F55UA, F64UA и F67UA

G307 и G308

G204 и G305

   


© copyright chevrolet. All rights reserved