To the top of the document
Orlando
   
GMDE Start Page Load static TOC Load dynamic TOC Help?

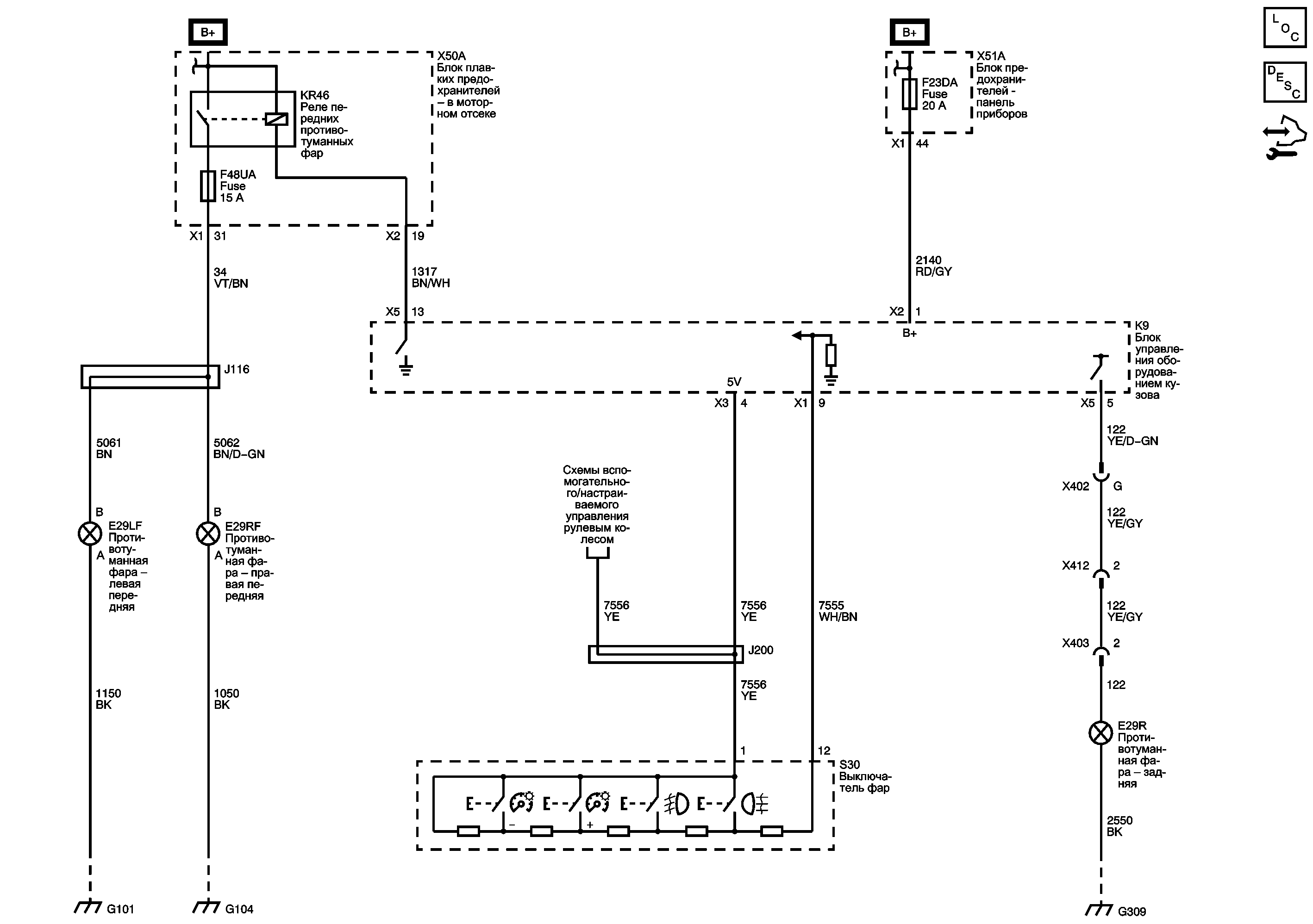
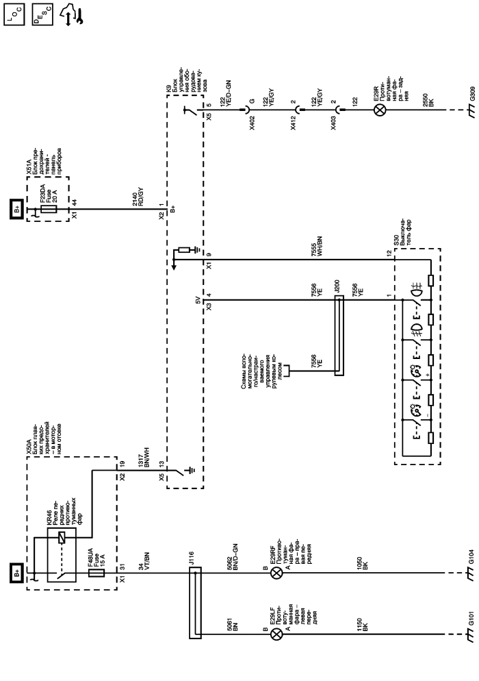
Противотуманные фары


          
            |                         |            
2563824RU.png

Display graphic

Предохранители F24UA, F48UA, F5UB и F6UB

Предохранители F14DA, F15DA, F17DA, F21DA, F23DA, F24DA и F25DA

Redundant Steering Wheel Controls

G100, G101, and G102

G103, G104 и G105

G309

   


© copyright chevrolet. All rights reserved