To the top of the document
Orlando
   
GMDE Start Page Load static TOC Load dynamic TOC Help?

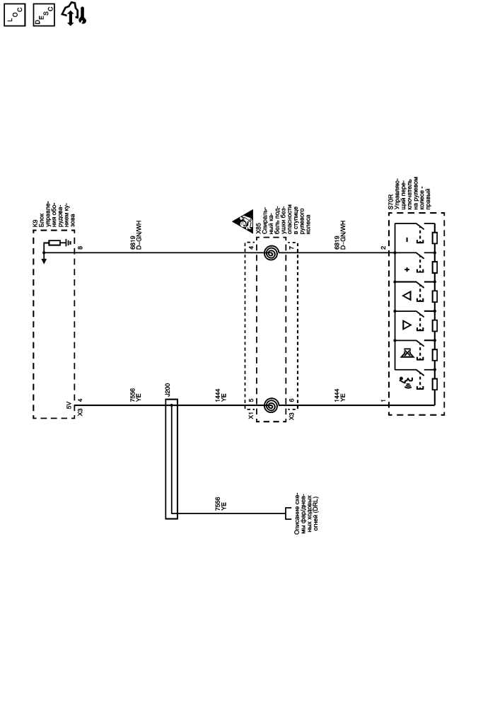
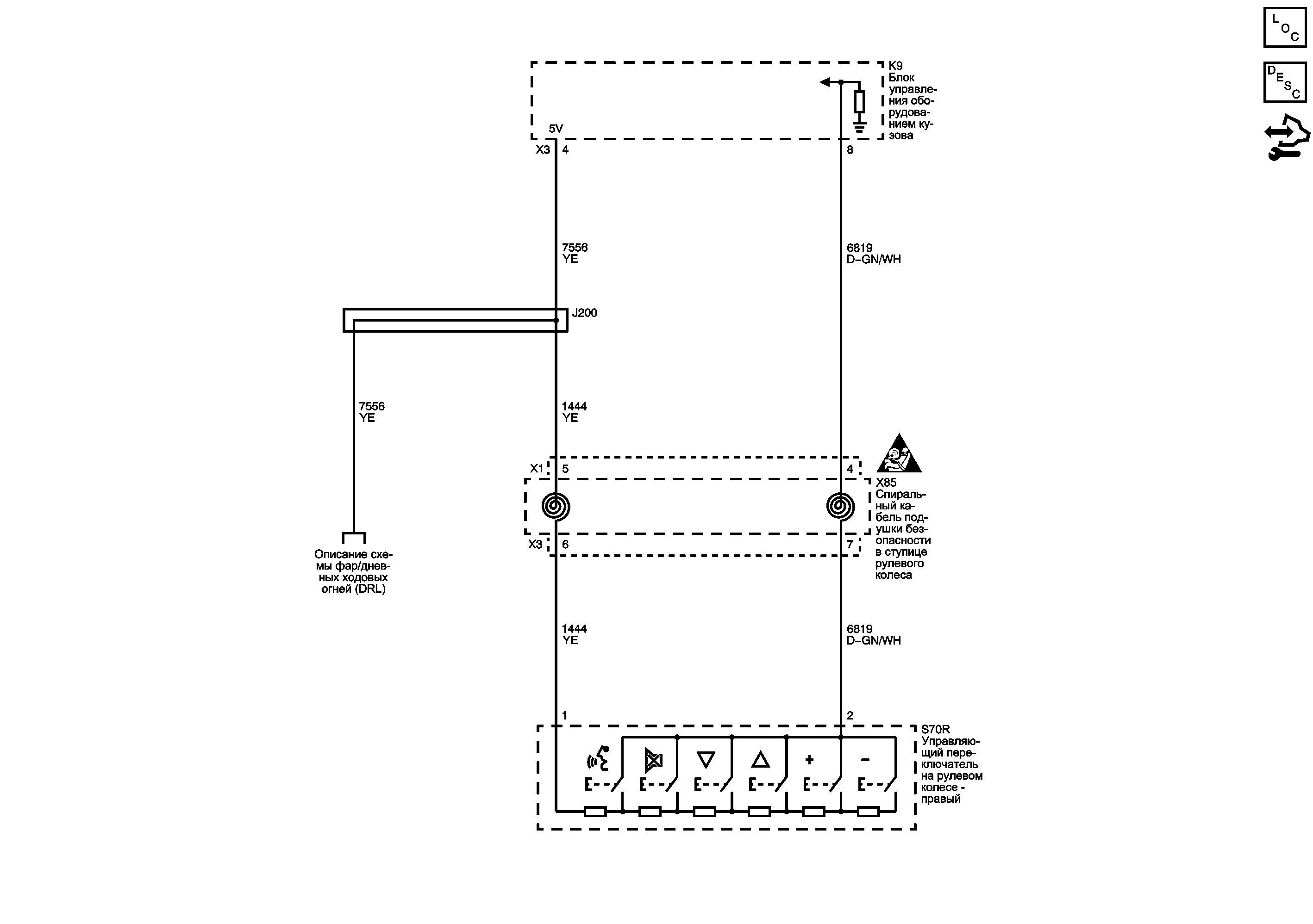
Дублирующие органы управления на рулевом колесе


          
            |                         |            
2564209RU.png

Display graphic

Headlamps

   


© copyright chevrolet. All rights reserved