To the top of the document
Orlando
   
GMDE Start Page Load static TOC Load dynamic TOC Help?

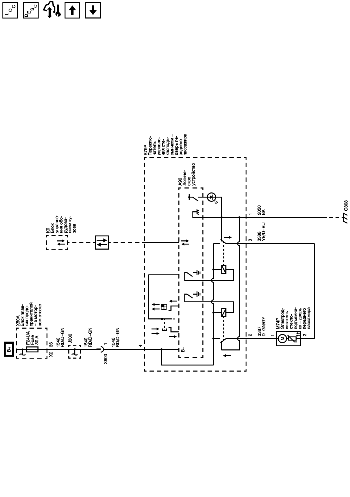
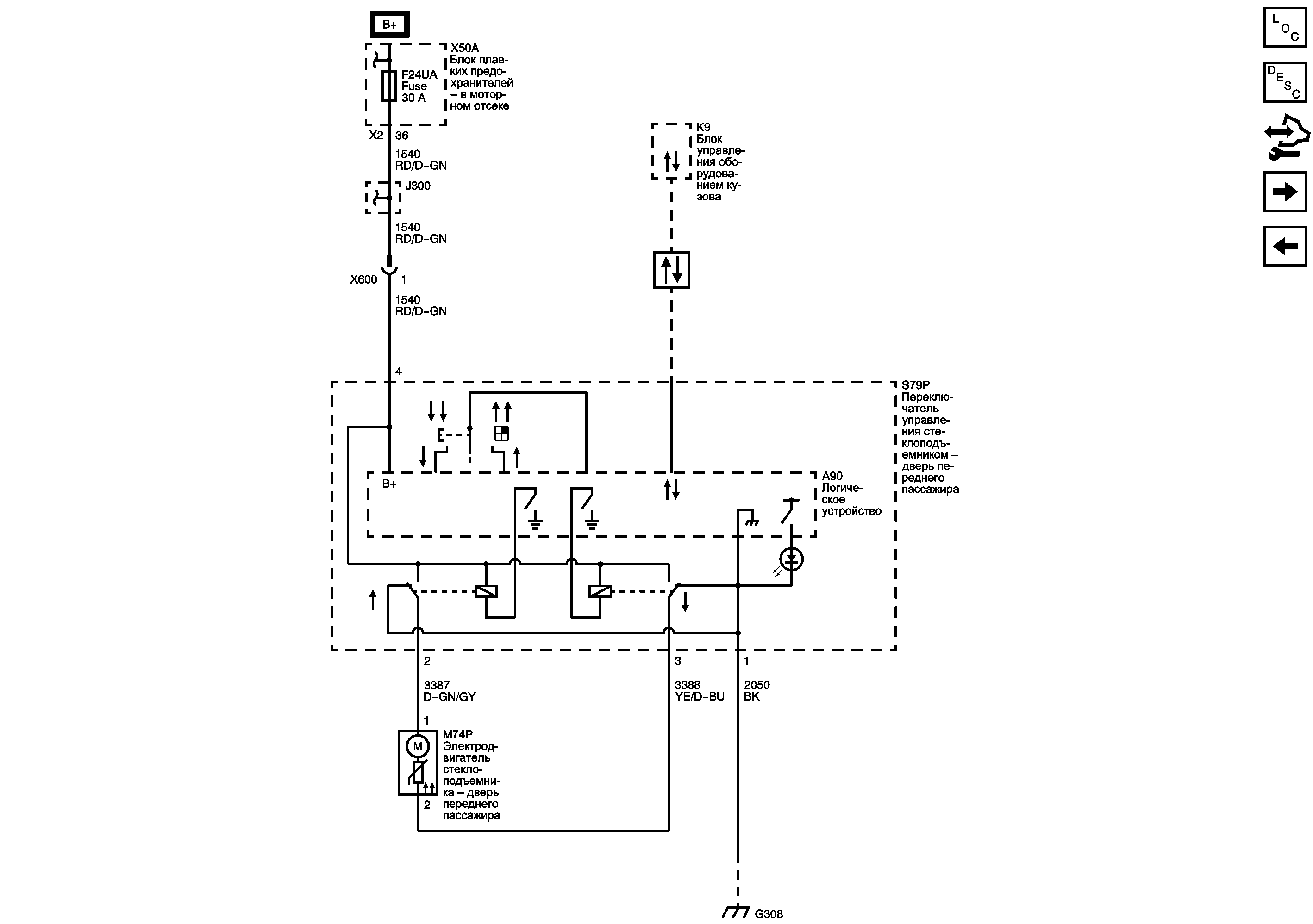
Дверь переднего пассажира


          
            |                         |            
2563782RU.png

Display graphic

Задние двери

Водительская дверь (AEC)

Предохранители F24UA, F48UA, F5UB и F6UB

G307 и G308

   


© copyright chevrolet. All rights reserved