To the top of the document
Orlando
   
GMDE Start Page Load static TOC Load dynamic TOC Help?

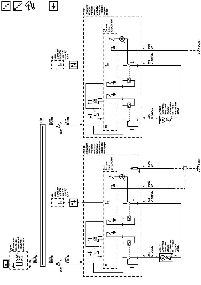
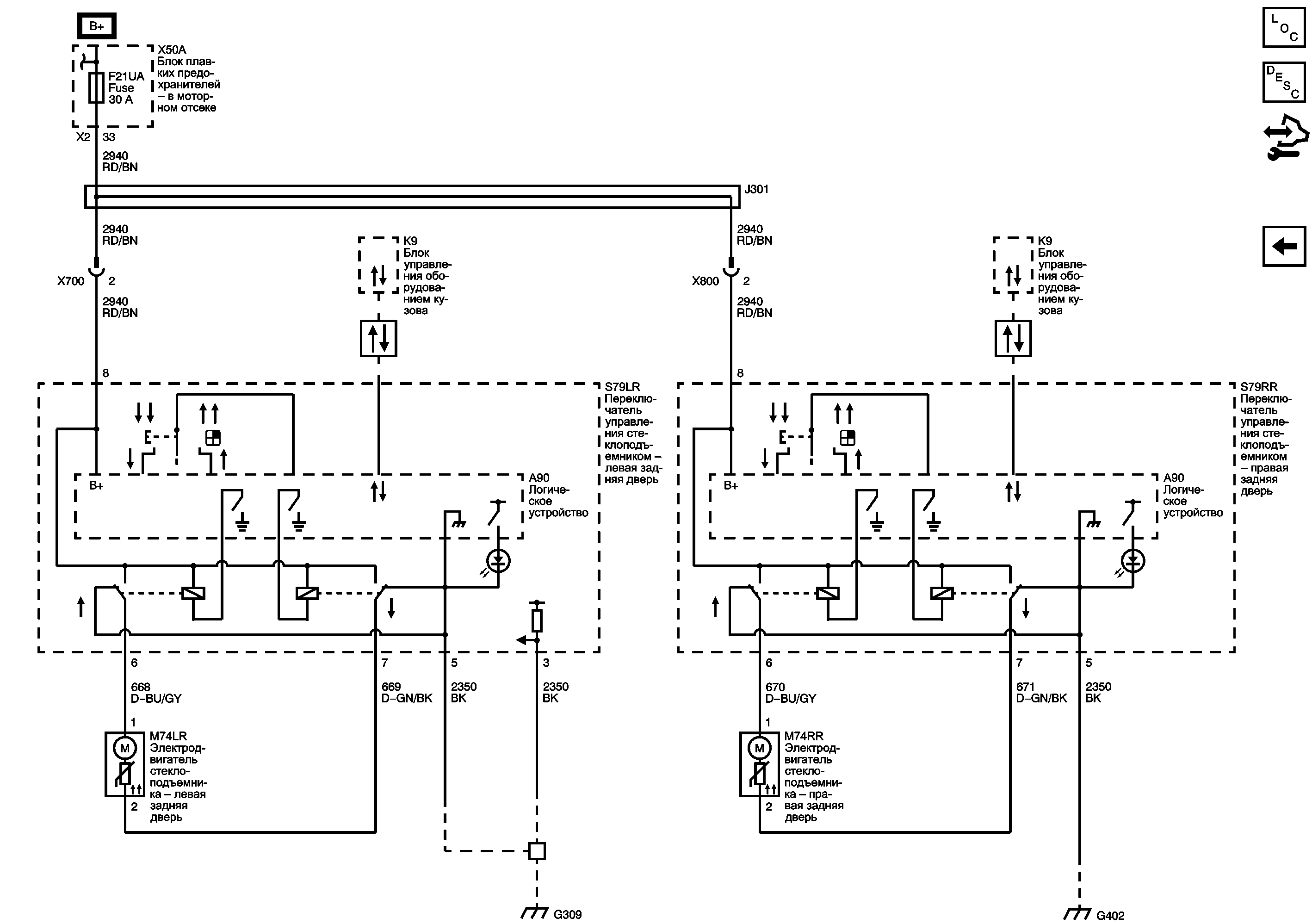
Задние двери


          
            |                         |            
2563783RU.png

Display graphic

Дверь переднего пассажира

Предохранители F2UA, F21UA, F27UA, F31UA, F32UA, F34UA, F35UA, F69UA и F70UA

G309

G402

   


© copyright chevrolet. All rights reserved