To the top of the document
Orlando
   
GMDE Start Page Load static TOC Load dynamic TOC Help?

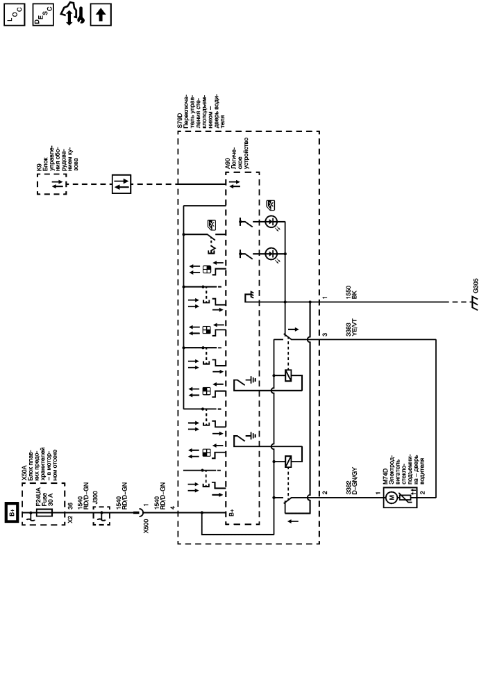
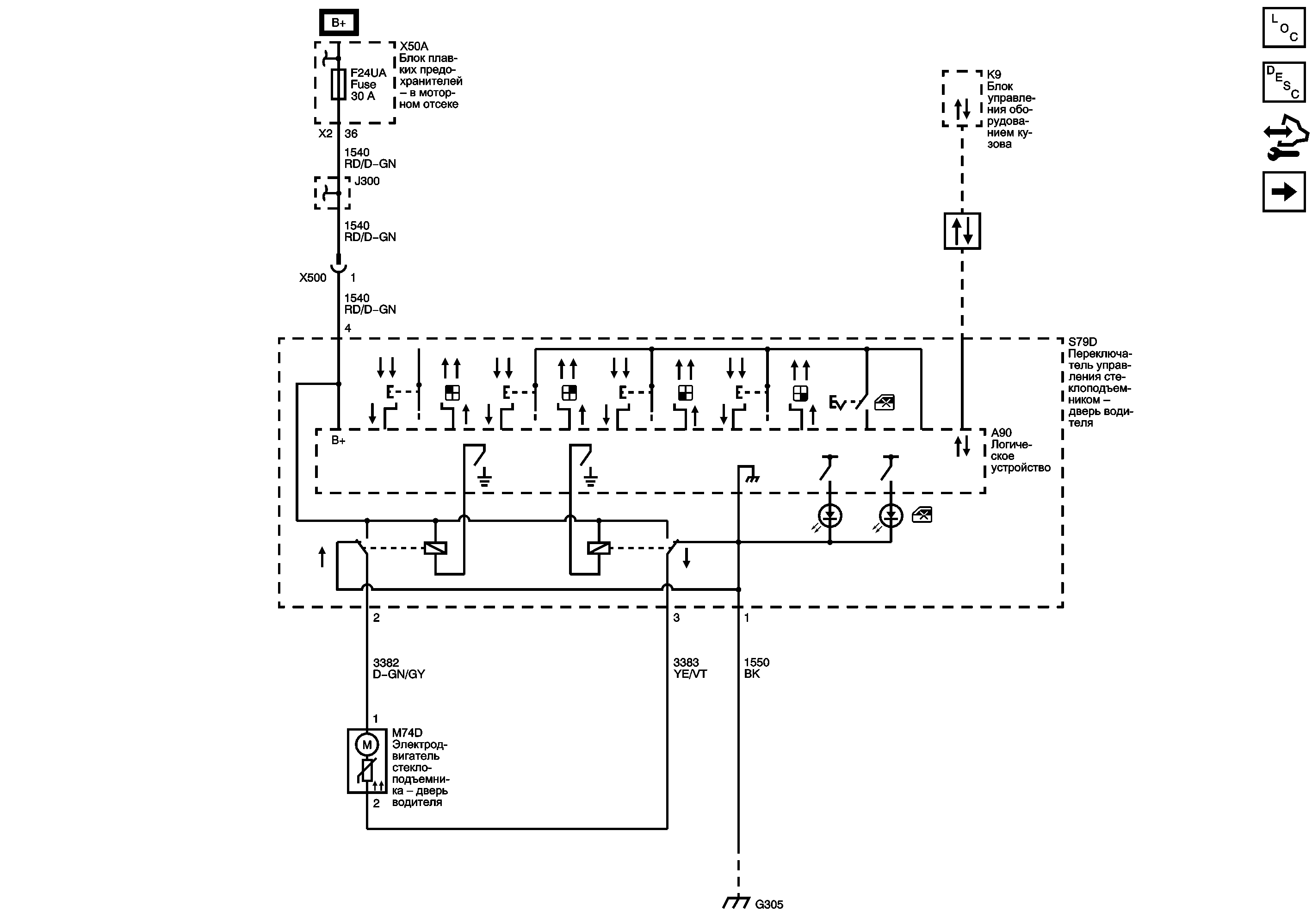
Водительская дверь (aec)


          
            |                         |            
2563781RU.png

Display graphic

Дверь переднего пассажира

Driver Door (AXG)

Предохранители F24UA, F48UA, F5UB и F6UB

G204 и G305

   


© copyright chevrolet. All rights reserved