Orlando |
||||||||
|
|
|
|||||||

Список электрических компонентов управления
Радио/аудиосистема, описание и принципы работы
Модуль управления Справочные сведения
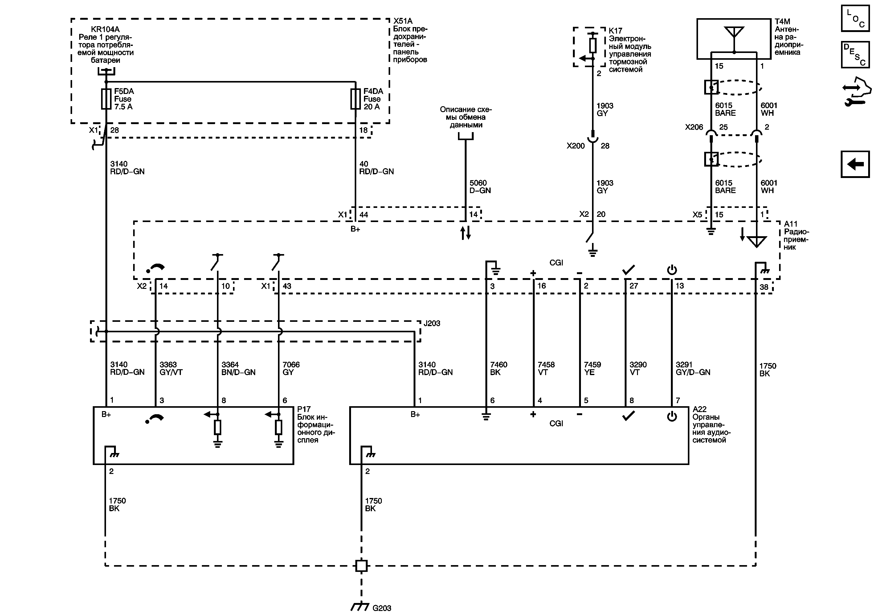
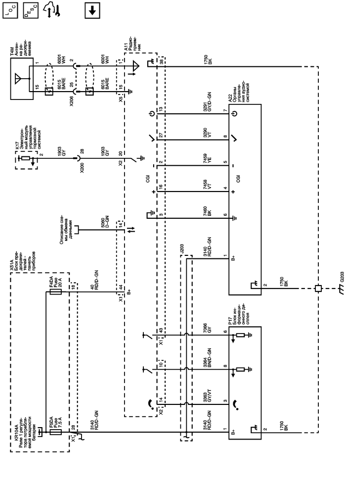
Питание, масса, последовательная передача данных, антенна и дисплей (UAG)
Предохранители F1DA, F4DA, F5DA, F6DA и F7DA
| https://vnx.su/ 🛠 Руководства по ремонту и эксплуатации для автомобилей |
| https://vnx.su/ 🛠 Руководства по ремонту и эксплуатации для автомобилей |