Orlando |
||||||||
|
|
|
|||||||

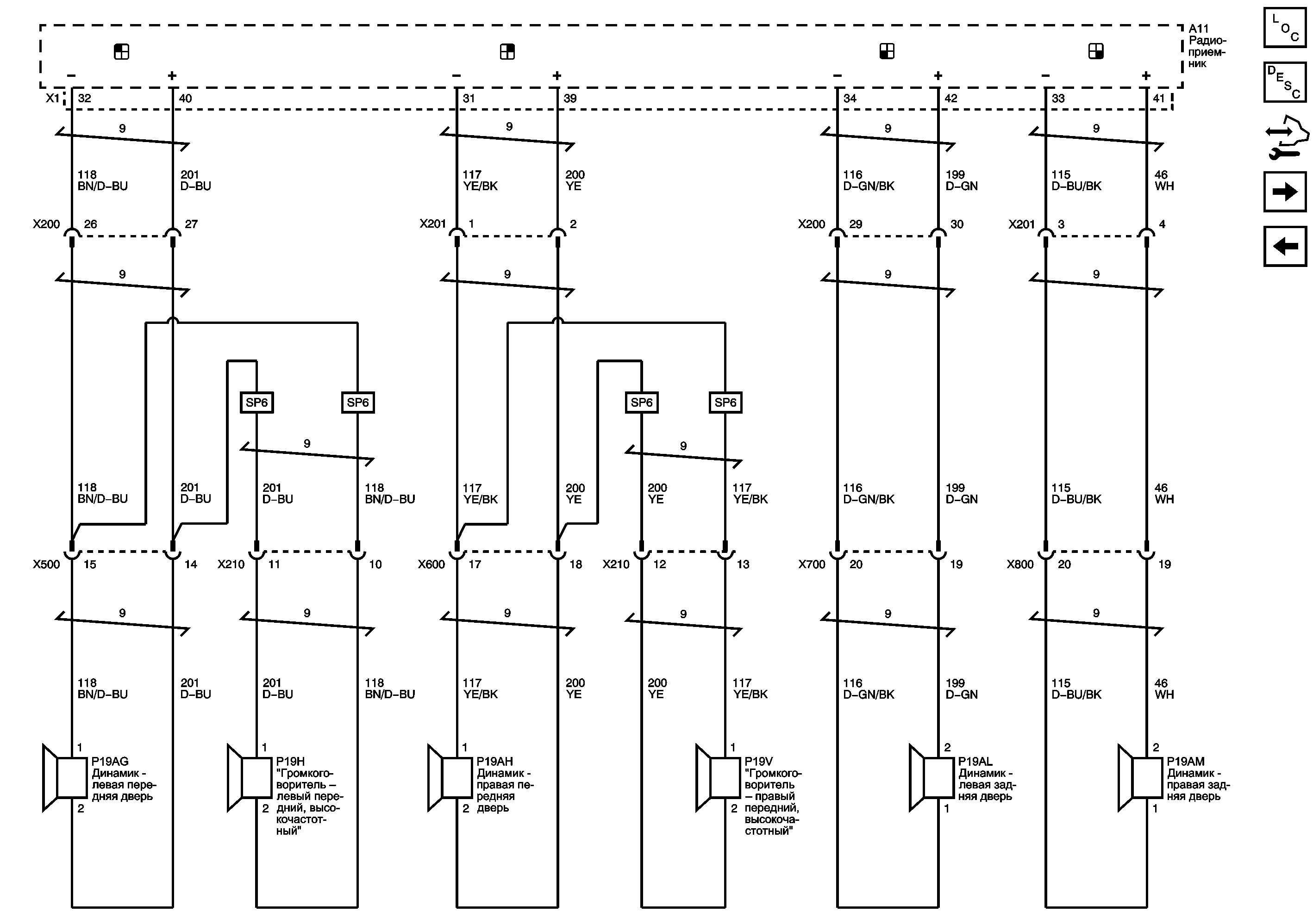
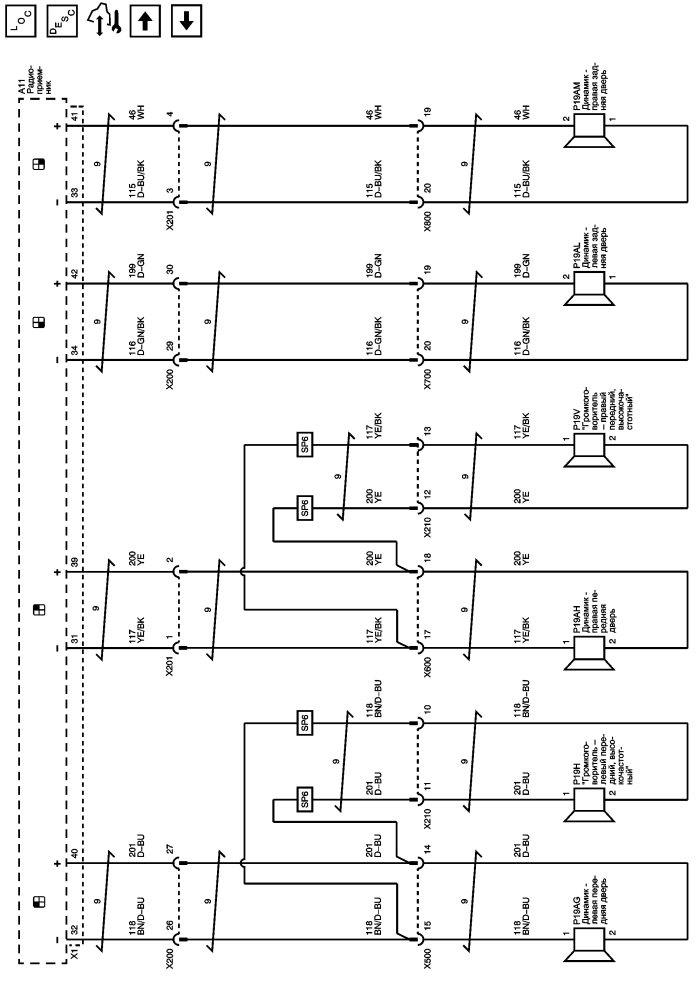
Список электрических компонентов управления
Радио/аудиосистема, описание и принципы работы
Модуль управления Справочные сведения
Интерфейс мультимедийного плеера (КТА)
Питание, масса, последовательная передача данных, антенна и дисплей (UDK)
Значки на основной принципиальной электрической схеме
| https://vnx.su/ 🛠 Руководства по ремонту и эксплуатации для автомобилей |
| https://vnx.su/ 🛠 Руководства по ремонту и эксплуатации для автомобилей |