Orlando |
||||||||
|
|
|
|||||||

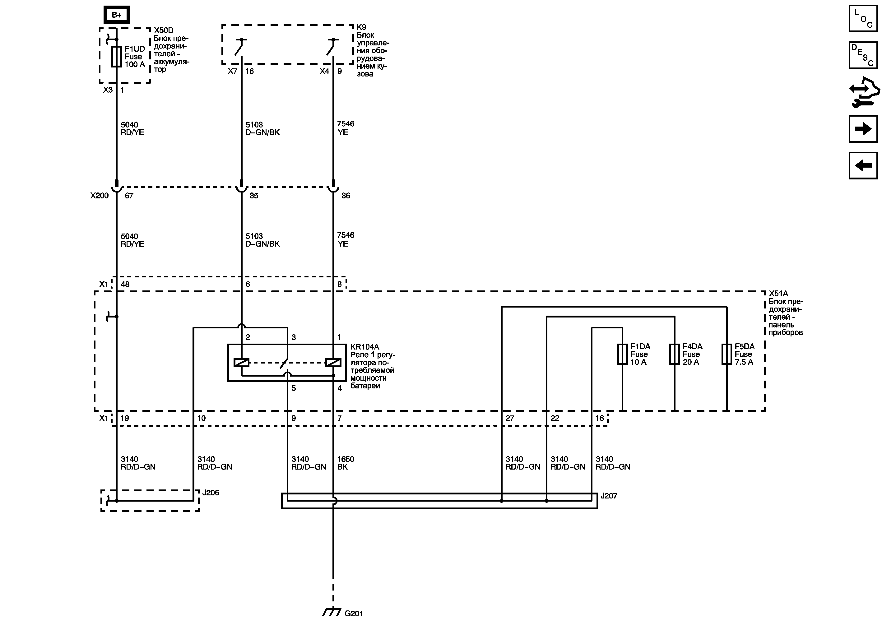
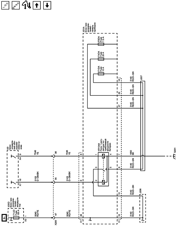
Список электрических компонентов управления
Силовой режим Описание и принцип работы
Модуль управления Справочные сведения
Реле вспомогательного источника питания
| https://vnx.su/ 🛠 Руководства по ремонту и эксплуатации для автомобилей |
| https://vnx.su/ 🛠 Руководства по ремонту и эксплуатации для автомобилей |