Orlando
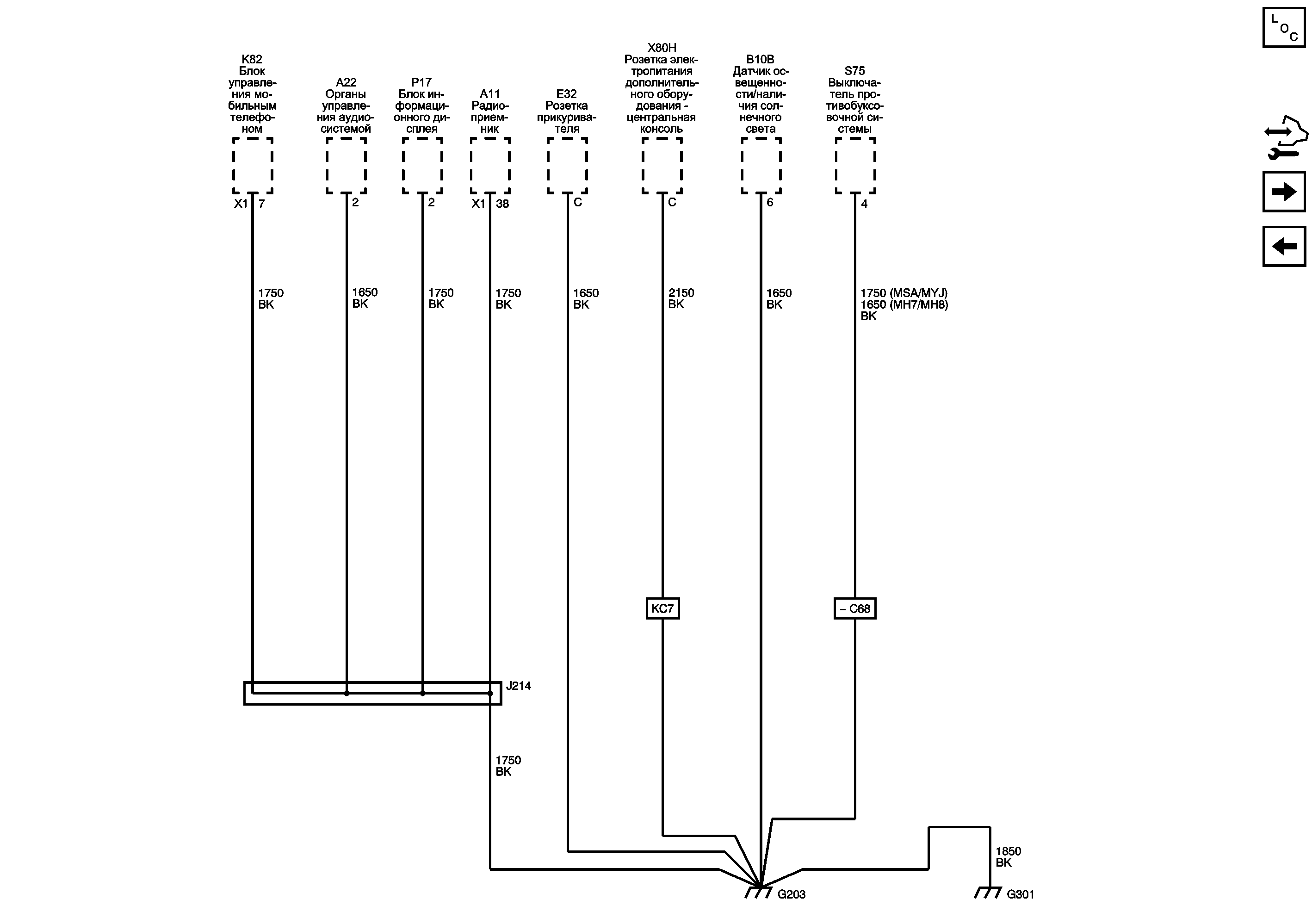
G203 и G301
|
|
Список электрических компонентов управления
Модуль управления Справочные сведения
G204 и G305
G202
https://vnx.su/ 🛠 Руководства по ремонту и эксплуатации для автомобилей
Главная страница
Руководства по ремонту и инструкции по эксплуатации для автомобилей
Руководства по ремонту и инструкции по эксплуатации для мотоциклов
Поиск по сайту
Остались вопросы или пожелания? Пишите на почту:
support@vnx.su
https://vnx.su/ 🛠 Руководства по ремонту и эксплуатации для автомобилей
Главная страница
Руководства по ремонту и инструкции по эксплуатации для автомобилей
Руководства по ремонту и инструкции по эксплуатации для мотоциклов
Поиск по сайту
Остались вопросы или пожелания? Пишите на почту:
support@vnx.su