Orlando |
||||||||
|
|
|
|||||||

Список электрических компонентов управления
Трансмиссионная система Описание и принцип работы
Модуль управления Справочные сведения
Питание, масса, последовательные данные и лампа неисправности (MIL)
Предохранители F8UA, F9UA, F10UA и F11UA
Регуляторы топлива - Регуляторы системы улавливания паров бензина и датчик давления
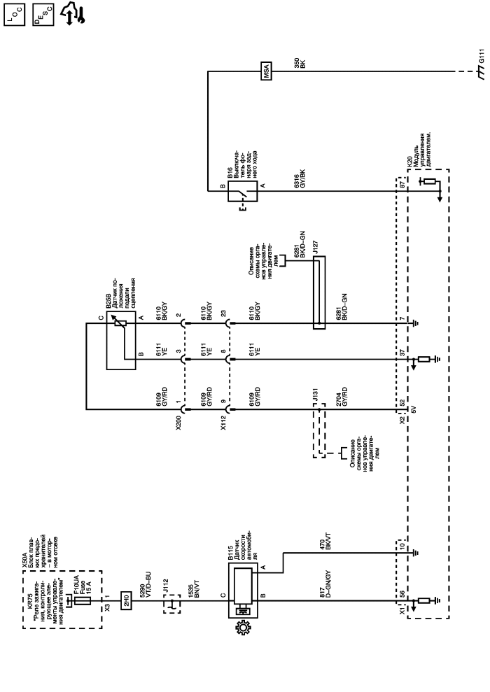
Шина 5 В и шина низкого опорного напряжения (2 из 2)
| https://vnx.su/ 🛠 Руководства по ремонту и эксплуатации для автомобилей |
| https://vnx.su/ 🛠 Руководства по ремонту и эксплуатации для автомобилей |