Наверх документа
Orlando
   
Начальная страница GMDE Загрузить статическое оглавление Загрузить динамическое оглавление Помощь?

Защита от кражи



            |                         |            
2504364RU.png

Графический дисплей

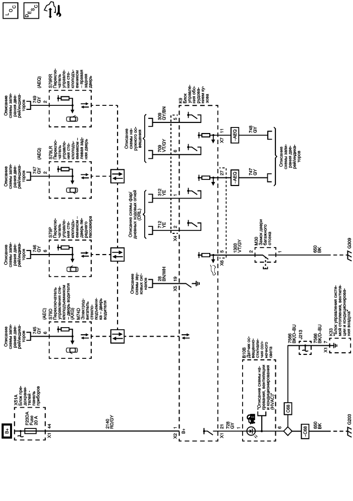
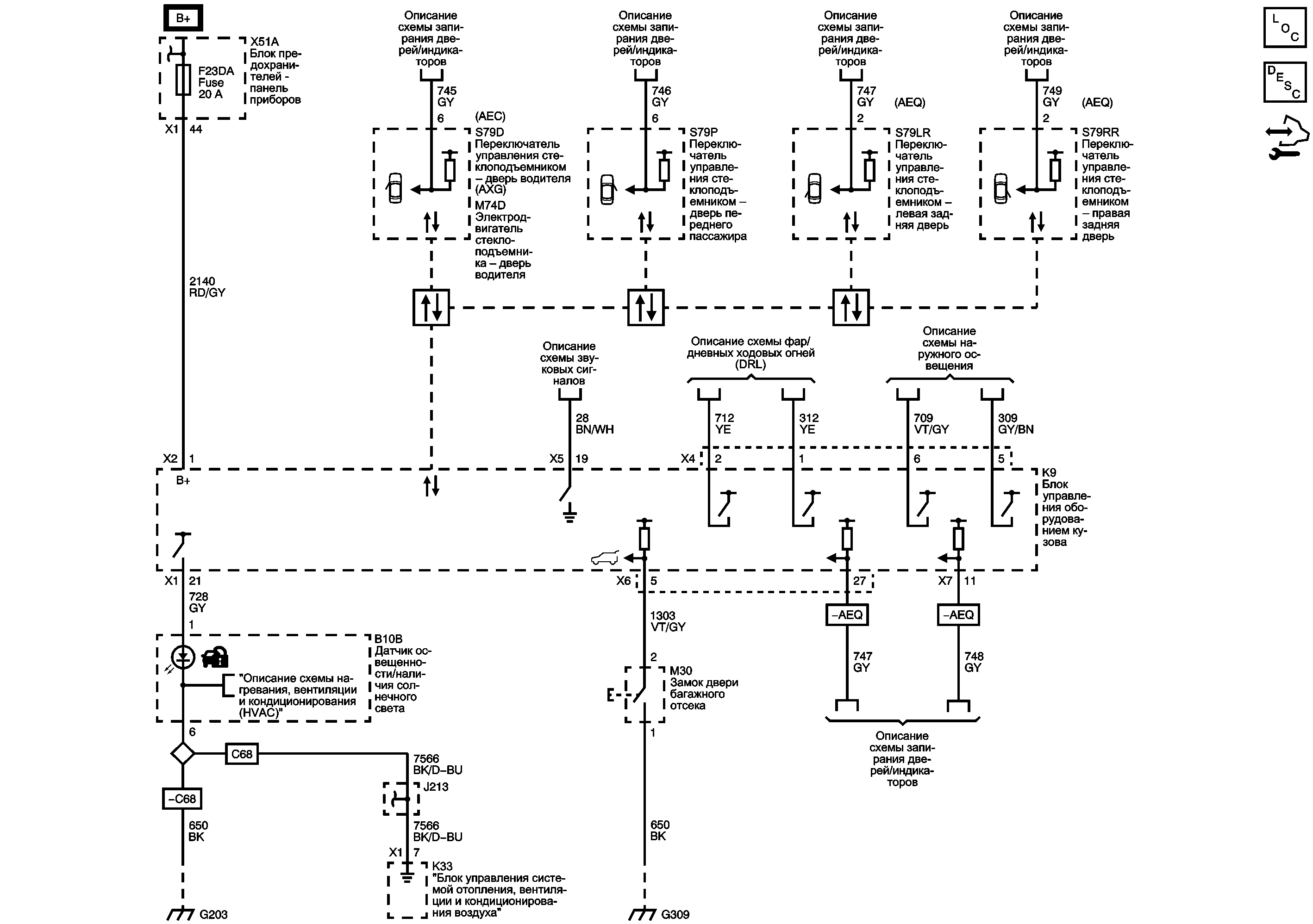
Список электрических компонентов управления

Противоугонная система (CTD) Описание и принцип работы

Модуль управления Справочные сведения

Предохранители F14DA, F15DA, F17DA, F21DA, F23DA, F24DA и F25DA

Замок двери, фара, лампа подсветки приборной панели, рычаг переключения передач, рулевое колесо, контроль тягового усилия

Схемы обмена данными

Звуковой сигнал

Фары

Габаритные и задние фонари

Датчики температуры

Замок двери, фара, лампа подсветки приборной панели, рычаг переключения передач, рулевое колесо, контроль тягового усилия

G203 и G301

G309

   


https://vnx.su/ 🛠 Руководства по ремонту и эксплуатации для автомобилей
   


https://vnx.su/ 🛠 Руководства по ремонту и эксплуатации для автомобилей

Поиск по сайту

Остались вопросы или пожелания? Пишите на почту: support@vnx.su

Карта Сайта