Orlando |
||||||||
|
|
|
|||||||

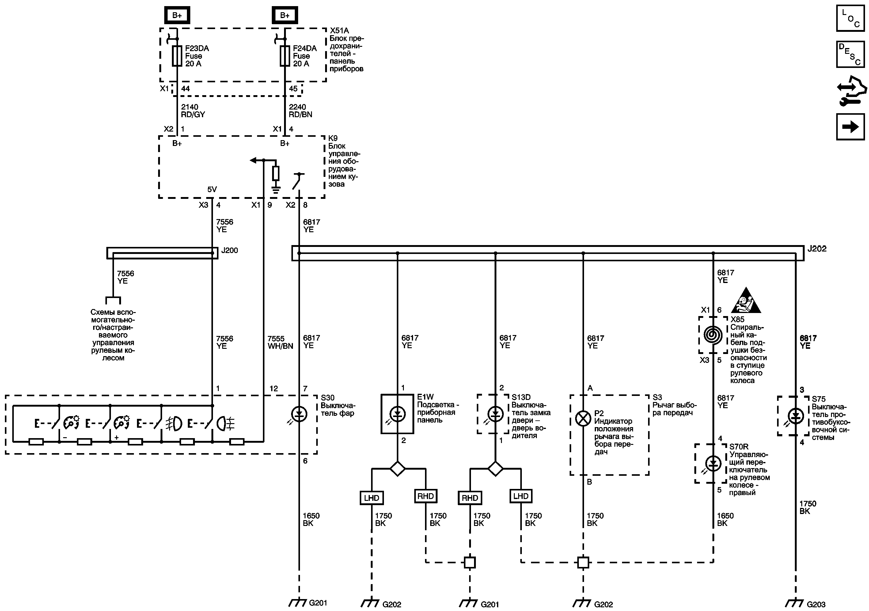
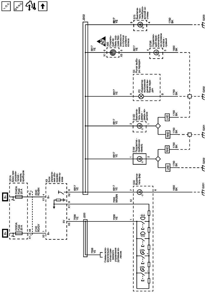
Список электрических компонентов управления
Системы освещения салона Описание и принцип работы
Модуль управления Справочные сведения
Наружное зеркало заднего вида, стекло пассажирской двери, потолочный люк
Предохранители F14DA, F15DA, F17DA, F21DA, F23DA, F24DA и F25DA
Значки на основной принципиальной электрической схеме
| https://vnx.su/ 🛠 Руководства по ремонту и эксплуатации для автомобилей |
| https://vnx.su/ 🛠 Руководства по ремонту и эксплуатации для автомобилей |