Orlando |
||||||||
|
|
|
|||||||

Список электрических компонентов управления
Модуль управления Справочные сведения
Шины 5V1, 5V2, 5V3 и шина низкого опорного напряжения (1 из 3)
Предохранители F5UA, F13UA и F53UA
Электрический центр - Обозначение - Иллюстрации
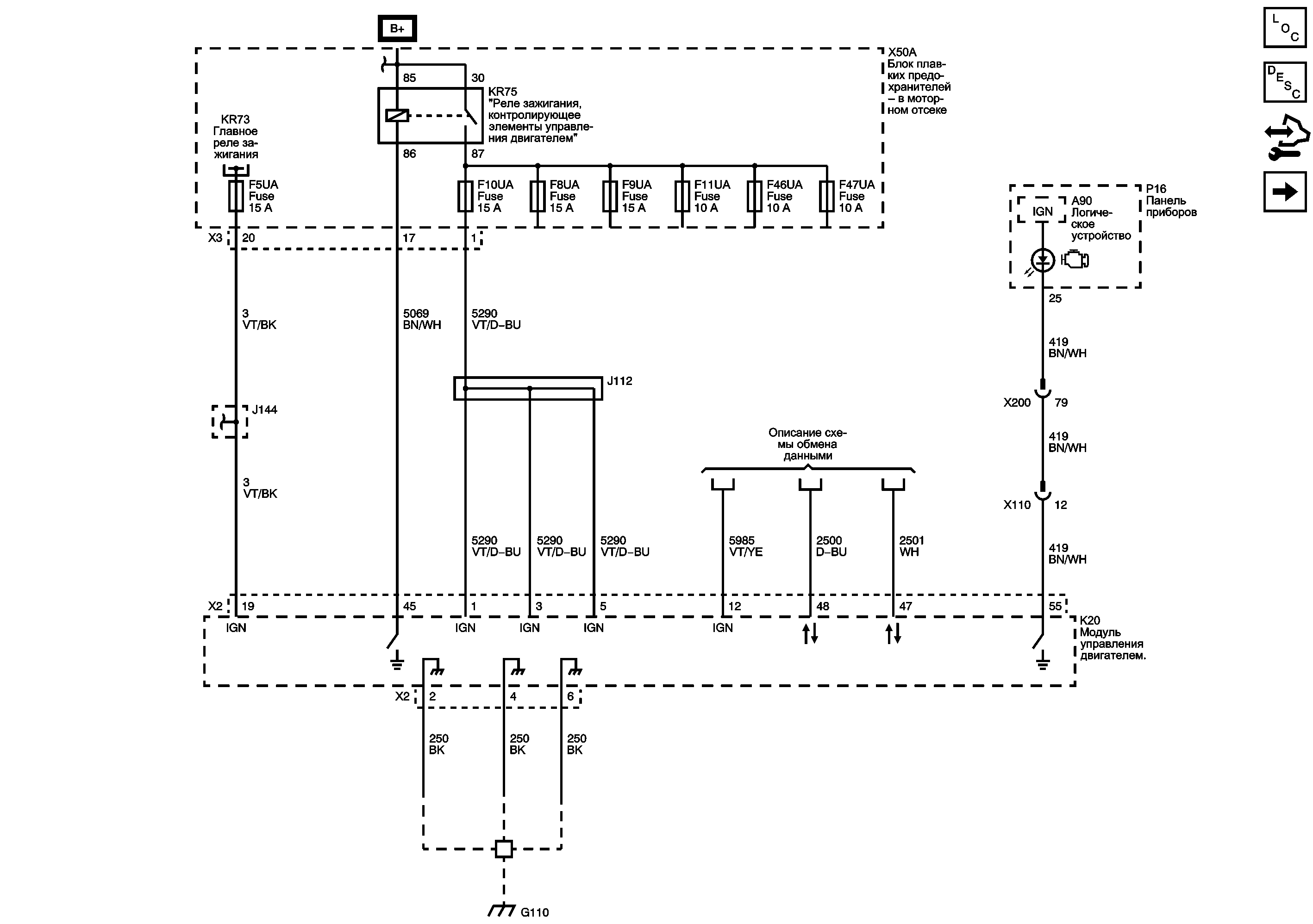
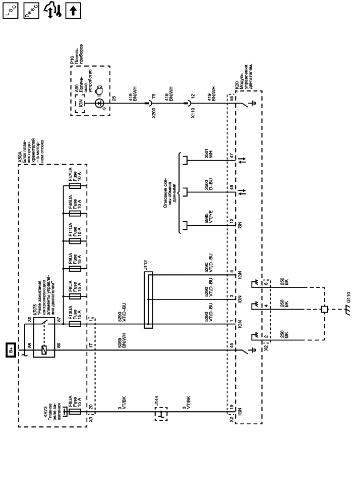
Предохранители F8UA, F9UA, F10UA и F11UA
Предохранители F47UA, F59UA и F62UA
| https://vnx.su/ 🛠 Руководства по ремонту и эксплуатации для автомобилей |
| https://vnx.su/ 🛠 Руководства по ремонту и эксплуатации для автомобилей |