Orlando |
||||||||
|
|
|
|||||||

Список электрических компонентов управления
Диагностика электронной системы зажигания
Модуль управления Справочные сведения
Датчики данных двигателя - средства управления дроссельной заслонкой
Питание, масса, последовательные данные и лампа индикатора неисправности (MIL)
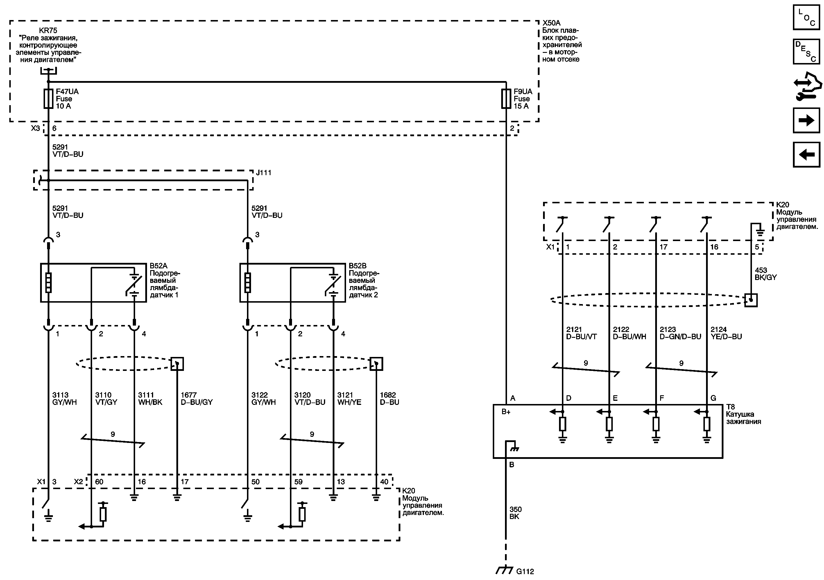
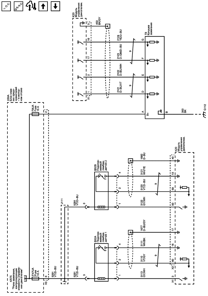
Предохранители F47UA, F59UA и F62UA
Предохранители F8UA, F9UA, F10UA и F11UA
Схематические обозначения электрических элементов управления
| https://vnx.su/ 🛠 Руководства по ремонту и эксплуатации для автомобилей |
| https://vnx.su/ 🛠 Руководства по ремонту и эксплуатации для автомобилей |