Orlando |
||||||||
|
|
|
|||||||

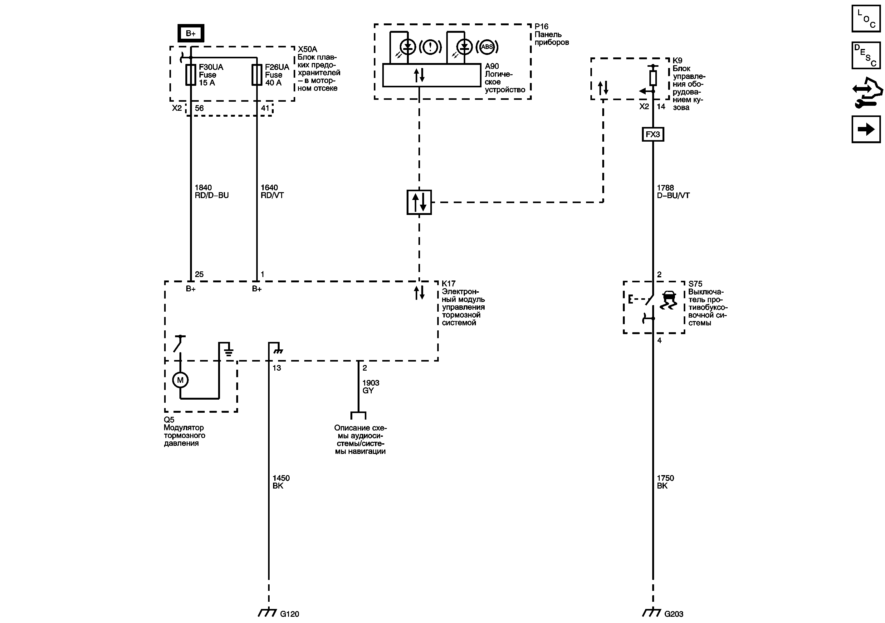
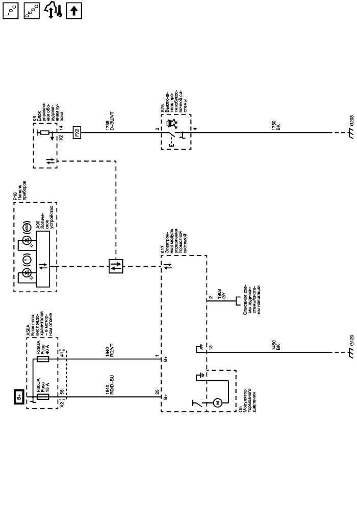
Перечень основных электрических компонентов
Модуль управления Справочные сведения
Датчики скорости вращения колес
Предохранители F1UA, F25UA, F26UA, F30UA, F33UA, F55UA, F64UA и F67UA
Питание, масса, последовательные данные, антенна и дисплей (UDK)
| https://vnx.su/ 🛠 Руководства по ремонту и эксплуатации для автомобилей |
| https://vnx.su/ 🛠 Руководства по ремонту и эксплуатации для автомобилей |