Cruze
   
GMDE Start Page Load static TOC Load dynamic TOC Help?
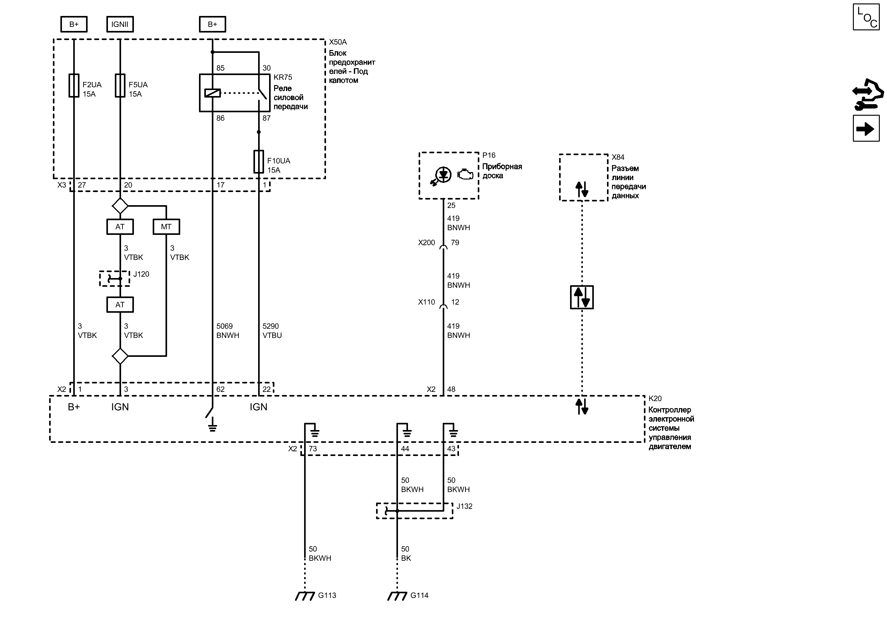
Питание, масса, последовательные данные и лампа неисправности (mil)


            |                         |            
2203073RU.png


Display graphic

Display graphic

Компоненты
f2uaПредохранительkr75Реле силовой передачи
f5uaПредохранительp16Приборная доска
f10uaПредохранительx50aБлок предохранителей - Под капотом
k20Контроллер электронной системы управления двигателемx84Разъем линии передачи данных
Разъемы
j120Жгут проводов двигателяx50a (x3)Блок предохранителей - Под капотом x3
j132Жгут проводов двигателяx110Жгут проводов кузова и жгут проводов двигателя
k20 (x2)Контроллер электронной системы управления двигателем x2x200Жгут проводов кузова и жгут проводов панели приборов
Точки соединения с массой
g113Двигательg114Двигатель
Сокращения
atАвтоматическая коробка передачigniiВыключатель зажигания - движение/запуск
b+Вывод b+mtМеханическая коробка передач
hscanВысокоскоростная шина can
Цветовые коды
bkЧерныйvtbkФиолетовый-Черный
bkwhЧерный-БелыйvtbuФиолетовый-Синий
bnwhКоричневый\Белый
73
X2 Контроллер электронной системы управления двигателем X2

Расположение деталей (узлов) Трехмерная схема жгутов ГАЗОВЫЙ ДВИГАТЕЛЬ, 4 ЦИЛ., 1.6 Л, MFI, DOHC, 80 кВт (GMDAT)
Внешний вид разъема и ремонт ГАЗОВЫЙ ДВИГАТЕЛЬ, 4 ЦИЛ., 1.6 Л, MFI, DOHC, 80 кВт (GMDAT)
44
43
Масса
BKWH Черный-Белый
J132 Жгут проводов двигателя
G114 Двигатель

Электрическая схема G113 и G114
BK Черный
G113 Двигатель

Электрическая схема G113 и G114
Масса
BKWH Черный-Белый
Напряжение зажигания
86
85
17
Механическая коробка передач
VTBK Фиолетовый-Черный
Автоматическая коробка передач
VTBK Фиолетовый-Черный
J120 Жгут проводов двигателя

Электрическая схема Питание, масса и последовательные данные
Электрическая схема Переключатели и датчики
Автоматическая коробка передач
VTBK Фиолетовый-Черный
Управление катушкой главного реле двигателя
BNWH Коричневый\Белый
20
X3 Блок предохранителей - Под капотом X3

Внешний вид разъема и ремонт
Доступен вид только с одним разъемом
Выключатель зажигания - движение/запуск
Вывод B+
F5UA Предохранитель

Электрическая схема Дерево Предохранители F5UA, F54UA и F57UA
Электрическая схема Питание Шина B+ UEC (1 из 6)
Силовая передача - главное реле, защищенное плавким предохранителем (1)
VTBU Фиолетовый-Синий
1
F10UA Предохранитель

Электрическая схема Дерево Предохранители F8UA и F10UA
Электрическая схема Питание Шина B+ UEC (2 из 6)
Высокоскоростная шина CAN
87
30
22
62
3
X2 Контроллер электронной системы управления двигателем X2

Расположение деталей (узлов) Трехмерная схема жгутов ГАЗОВЫЙ ДВИГАТЕЛЬ, 4 ЦИЛ., 1.6 Л, MFI, DOHC, 80 кВт (GMDAT)
Внешний вид разъема и ремонт ГАЗОВЫЙ ДВИГАТЕЛЬ, 4 ЦИЛ., 1.6 Л, MFI, DOHC, 80 кВт (GMDAT)
1
Напряжение зажигания
VTBK Фиолетовый-Черный
F2UA Предохранитель

Электрическая схема Дерево Предохранители F1UA, F2UA, F6UA, F26UA, F31UA, F33UA, F34UA, F64UA и F67UA
Электрическая схема Питание Шина B+ UEC (5 из 6)
27
Вывод B+
BKWH Черный-Белый
KR75 Реле силовой передачи
X50A Блок предохранителей - Под капотом

Расположение деталей (узлов) Трехмерная схема жгутов
X84 Разъем линии передачи данных

Расположение деталей (узлов) Трехмерная схема жгутов
Расположение деталей (узлов) Трехмерная схема жгутов Левостороннее управление
Внешний вид разъема и ремонт
K20 Контроллер электронной системы управления двигателем

Расположение деталей (узлов) Трехмерная схема жгутов ГАЗОВЫЙ ДВИГАТЕЛЬ, 4 ЦИЛ., 1.6 Л, MFI, DOHC, 80 кВт (GMDAT)
Имеется только одно место для компонента
Слабый опорный сигнал
Слабый опорный сигнал
Слабый опорный сигнал
Управление
Зажигание
Последовательные данные
Зажигание
Последовательные данные
B+ (положительное напряжение аккумуляторной батареи)
P16 Приборная доска
X110 Жгут проводов кузова и жгут проводов двигателя

Внешний вид разъема и ремонт Гнездо
Внешний вид разъема и ремонт Гнездо ГАЗОВЫЙ ДВИГАТЕЛЬ, 4 ЦИЛ., 1.6 Л, MFI, DOHC, 80 кВт (GMDAT)
12
Управление индикатором проверки двигателя
BNWH Коричневый\Белый
BNWH Коричневый\Белый
X200 Жгут проводов кузова и жгут проводов панели приборов

Расположение деталей (узлов) Трехмерная схема жгутов
Внешний вид разъема и ремонт Вилка
Внешний вид разъема и ремонт Гнездо
79
BNWH Коричневый\Белый
25
X2 Контроллер электронной системы управления двигателем X2

Расположение деталей (узлов) Трехмерная схема жгутов ГАЗОВЫЙ ДВИГАТЕЛЬ, 4 ЦИЛ., 1.6 Л, MFI, DOHC, 80 кВт (GMDAT)
Внешний вид разъема и ремонт ГАЗОВЫЙ ДВИГАТЕЛЬ, 4 ЦИЛ., 1.6 Л, MFI, DOHC, 80 кВт (GMDAT)
48
Справочные данные по контроллерам

Справочные данные по контроллерам
Датчики данных двигателя - массовый расход воздуха (MAF), давление и температура...

Датчики данных двигателя - массовый расход воздуха (MAF), давление и температура
Перечень основных электрических компонентов

Перечень основных электрических компонентов
   


https://vnx.su/ 🛠 Руководства по ремонту и эксплуатации для автомобилей

Поиск по сайту

Остались вопросы или пожелания? Пишите на почту: support@vnx.su

Карта Сайта